Вернуться на главную
Поиск
Каталоги запчастей к технике
Грузовые автомобили и прицепы
DongFeng
DFL-3251A
Вентиляция картера
Каталог запасных частей к технике: DongFeng DFL-3251A. Вентиляция картера
zoom-in
zoom-out
enlarge
shrink
circle-right
circle-left
file-text2
info
cart
Тип техники
Не выбрано
Легковые автомобили
Грузовые автомобили и прицепы
Автобусы
Сельхозтехника
Спецтехника
Двигатели
Мототехника
Марка
Не выбрано
BAW
DAF
DongFeng
FAW
Foton
HOWO
Hyundai
IVECO
JAC Motors
LGMG
MAN
Shaanxi
SITRAK
Studebaker
Tata
Volvo
Автокомпонент Плюс
БелАЗ
Брянский Арсенал
ГАЗ
ЗИЛ
КАЗ
Камский автозавод
КрАЗ
Мадара
МАЗ
МЗКТ
МоАЗ
Нефтекамский автозавод
Ставропольский Завод АвтоПрицепов
ТАТРА
Тонар
УралАЗ
ЧМЗАП
Модель
Не выбрано
DFL-3250A1-K09-003-01 (2007)
DFL-3251A (2008)
DFL-3251A Euro3 (2008)
DFL-3251AW1 (2013)
DFL-3251AW1 (2017)
DFL-3251AXA Euro3 (2008)
DFL-4181A (2008)
DFL-4251A (2008)
DFL-4251A8-T31R-931-02 (2011)
DFL-4251AXA Euro3 (2014)
DFL4251A-T04-930-00CA (2007)
EQ-1074 (2006)
L3251A3 (вар.) (2007)
Схема
>
Не выбрано
Кабина в сборе
Болты кабины
Заглушки кабины
Передняя подвеска кабины
Задняя подвеска кабины
Гидроцилиндр подъема кабины
Установка цилиндра подъема кабины
Насос подъема кабины
Панель пола в сборе
Обивка панели пола
Чехол рычага переключения передач
Вещевой ящик водителя
Боковой вещевой ящик пассажира
Напольный коврик кабины
Нижняя теплоизоляция пола
Противошумная накладка пола
Установка омывателя ветрового стекла
Стеклоочиститель в сборе
Уплотнитель ветрового стекла
Установка заднего стекла
Передняя панель с решеткой радиатора
Конструкция передней панели
Внешняя боковая пластина переднего обтекателя
Нижняя упорная плита переднего обвода
Вещевой ящик панели приборов
Кронштейны панели приборов
Группа панели приборов
Левая боковая панель кабины в сборе
Правая боковая панель кабины в сборе
Обивка левой панели кабины
Обивка правой панели кабины
Левое боковое окно
Правое боковое окно
Задняя панель кабины
Обивка кабины задняя
Крыша кабины
Обивка крыши кабины
Ящик вещевой
Дверь левая в сборе
Правая дверь в сборе
Отбойник двери кабины
Отделка левой двери кабины
Отделка правой двери кабины
Стекло левой двери
Стекло правой двери
Левый стеклоподъемник в сборе
Правый стеклоподъемник в сборе
Замок левой двери
Замок правой двери
Уплотнители левой двери
Уплотнители правой двери
Сиденье водителя
Сиденье пассажира
Отопитель в сборе
Радиатор отопителя
Трубопроводы отопителя
Воздуховоды системы отопления
Испаритель кондиционера
Радиатор кондиционера
Трубопроводы кондиционера
Управление кондиционером и отопителем
Компоновка компрессора кондиционера
Компоновка привода кондиционера
Отражатель
Фирменный знак
Табличка на внешней стороне кабины 300
Ремень безопасности водителя
Ремень безопасности пассажира
Спальное место
Левое зеркало заднего вида
Правое зеркало заднего вида
Кронштейн левого зеркала заднего вида
Кронштейн правого бокового зеркала заднего вида
Внутреннее зеркало заднего вида
Пепельница
Солнцезащитный козырёк
Направляющие штор
Наружные поручни кабины
Внутренние поручни кабины
Зеркало
Задний левый брызговик переднего колеса
Задний правый брызговик переднего колеса
Передний левый брызговик
Передний правый брызговик
Левый брызговик
Правый внутренний брызговик
Левое крыло кабины
Правое крыло кабины
Нижнее левое крыло кабины
Нижнее правое крыло кабины
Левая звукоизоляционная панель кабины
Правая звукоизоляционная панель кабины
Левая подножка кабины
Правая подножка кабины
Левая подножка
Правая подножка
Платформа
Надрамник в сборе
Устройство запорное заднего борта
Гидравлический подъемный механизм типа F
Двигатель в сборе
Блок цилиндров
Головка блока в сборе
Привод газораспределительного механизма
Крышка головки блока
Вентиляция картера
Газоотводящий штуцер двигателя
Трубка регулятора
Масляный насос
Маслоохладитель и масляный фильтр
Масляный щуп
Поддон картера
Установка картера маховика, маховик и его крепление
Кронштейны передней подвески двигателя
Серьга подвески двигателя
Табличка параметров
Подушка передней подвески двигателя
Кронштейны подвески двигателя
Передняя подвеска двигателя
Вспомогательная подвеска двигателя
Задняя подвеска двигателя
Крепление масляного щупа
Топливный насос высокого давления и его крепление
Топливный насос в сборе
Топливные трубки высокого давления
Топливный сливной трубопровод
Блок топливных фильтров
Трубка от топливного фильтра к ТНВД
Установка электромагнитного клапана - отсекателя
Установка электромагнитного клапана
Компоновка впускного газопровода
Компоновка турбокомпрессор
Трубопровод смазки турбокомпрессора
Соединительный патрубок турбокомпрессора
Компоновка крепления троса акселерата
Кронштейны топливного бака
Крепление топливного бака
Бак топливный
Магистраль подачи топлива
Магистраль подачи топлива
Трубка сливная
Детали привода акселератора
Крепление вспомогательного троса управления
Фильтр воздушный в сборе
Кронштейны воздушного фильтра
Система питания воздухом
Шланг индикатора засоренности воздушного фильтра
Трубопровод компрессора
Радиатор охлаждения воздуха
Крепление радиатора охлаждения воздуха
Система охлаждения воздуха
Фильтр грубой очистки топлива
Крепление фильтра грубой очистки топлива
Педаль акселератора
Привод акселератора
Трос акселератора
Трос ручного управления акселератором
Крепление воздухозаборника
Глушитель
Крепление глушителя
Выпускная труба глушителя
Коллектор выпускной
Радиатор системы охлаждения
Защита радиатора
Крепление радиатора
Патрубки системы охлаждения
Установка вентилятора
Вентилятор
Кожух вентилятора
Расширительный бачок
Крепление расширительного бачка
Трубопроводы системы охлаждения
Компоновка водяного насоса
Термостат
Компоновка фильтра охлаждающей жидкости
Патрубок
Патрубок
Ремень привода водяного насоса
Компоновка привода вентилятора
Натяжной ролик ремня
Шкив
Трубки подвода охлаждающей жидкости к компрессору
Сцепление
Крепление картера сцепления
Трубопровод сцепления
Шланг пневмогидроусилителя сцепления
Шланг главного цилиндра сцепления
Пневмогидроусилитель сцепления
Трубка пневмогидроусилителя сцепления
Гаситель крутильных колебаний
Крышка блока шестерён
Картер блока распределительных шестерён
Педаль сцепления
Крепление цилиндра сцепления
Бачок сцепления в сборе
Трубопроводы системы сцепления
Подвеска коробки передач
Коробка переключения передач в сборе
Картера сцепления и коробки передач
Вторичный вал
Левый, правый промежуточные валы в сборе
Первичный вал в сборе
Промежуточный вал задней передачи
Установка верхней крышки КПП в сборе
Механизм переключения передач в сборе
Регулятор давления
Синхронизатор вторичной коробки в сборе
Главный вал вторичной коробки в сборе
Вспомогательные валы вторичной коробки
Задняя крышка в сборе
Механизм включения блокировки
Фиксатор в коробке передач
Вал отбора мощности в сборе
Рукоятка рычага переключения передач
Механизм переключения передач
Стабилизатор кулисы
Трубопровод управления коробкой передач
Механизм управления валом отбора мощности
Крепление рычага переключения передач
Карданные валы
Карданный вал
Карданный вал со скользящей вилкой в сборе
Карданный вал с промежуточной опорой
Передний мост в сборе
Передний мост
Задний мост в сборе
Картер заднего моста
Дифференциал заднего моста
Механизм управления блокировкой дифференциала
Ступица колёсного редуктора заднего моста
Колёсный редуктор заднего моста
Кронштейны подвески заднего моста
Средний мост в сборе
Картер среднего моста
Привод среднего моста
Механизм привода среднего моста
Дифференциал среднего моста
Колёсный редуктор среднего моста
Колёсный редуктор среднего моста
Кронштейны подвески среднего моста
Рама
Лонжероны
Поперечина
Передняя поперечина
Поперечина балансирной подвески
Буксирная поперечина
Прибор буксировочный
Крюк передний
Третья поперечина
Передний буфер
Отбойник передней подвески
Стремянки
Кронштейны передней подвески
Крепление передней рессоры
Петля рессоры
Верхнее крепление амортизатора
Нижнее крепление амортизатора
Нижнее крепление амортизатора
Отбойник задней подвески
Крепление рессор задней подвески
Задняя подвеска
Балансирная подвеска
Ограничитель рессоры
Рессора передняя
Рессора задняя
Амортизатор
Установка реактивных штанг
Поперечная рулевая тяга
Колесо в сборе
Простава переднего колеса
Держатель запасного колеса в сборе
Ниппель
Ступица переднего колеса
Рулевое колесо
Кожух рулевой колонки
Компоновка гидронасоса рулевого управления
Кронштейн рулевого механизма
Рулевой механизм в сборе
Трубопровод гидроусилителя
Расширительный бачок гидроусилителя
Рычаг рулевого механизма
Продольная рулевая тяга
Установка рулевого управления
Компоновка компрессора
Передний левый привод тормозов
Передний правый привод тормозов
Установка тормозной камеры переднего левого тормоза
Установка тормозной камеры переднего правого тормоза
Рычаг переднего левого тормоза
Рычаг переднего правого тормоза
Тормоза заднего моста
Привод тормозов заднего моста
Тормоза среднего моста
Привод тормозов среднего моста
Схема трубопроводов пневмотормозов
Воздушные ресиверы в сборе
Распределитель
Распределительный клапан
Регулятор давления
Горный тормоз
Регулятор тормозных сил
Привод регулятора давления на заднюю ось
Влагомаслоотделитель
Установка педали тормоза
Трубопроводы ручного тормоза
Установка тормозного крана
Установка крана ручного тормоза
Стартер и его крепление
Генератор
Компоновка деталей для установки генератора
Провод “массы” двигателя
Аккумуляторный ящик
Электрический сигнал
Схема пучка проводов на раме
Аккумуляторы
Провод “Масса”
Схема пучка электропроводов двигателя
Реле стартера
Выключатель массы
Блок электропневмоклапанов
Задние фонари
Сигнал заднего хода
Блок диагностики
Замок зажигания
Освещение салона
Переносная лампа
Плафон для чтения
Пневматический звуковой сигнал
Блок предохранителей
Схема пучков проводов в кабине
Схема пучков проводов дверей автомобиля
Схема пучка проводов потолка кабины
Пучок проводов впереди кабины
Пучок проводов бампера
Пучок проводов днища кабины
Пучок проводов днища кабины
Пучок проводов передней панели
Прикуриватель
Боковой фонарь поворота
Передние габаритные фонари
Передние противотуманные фары
Реле передних противотуманных фар
Реле указателей поворотов
Реле тормозов
Реле кондиционера и отопления
Реле стеклоочистителя
Щиток выключателей
Концевой выключатель лампы
Выключатель диагностики антиблокировочной системы тормозов (ABS)
Выключатель отбора мощности
Выключатель сигнала торможения
Выключатель горного тормоза
Выключатель отбора мощности
Выключатель передних противотуманных фар
Передние комбинированные фары
Подрулевой переключатель
Звуковой сигнализатор
Группа GPRS навигации
Заглушка выключателя
Заглушка выключателей на щитке
Панель приборов
Датчик оборотов двигателя
Датчик сигнала давления масла
Датчик температуры охлаждающей жидкости
Датчик скорости
Датчик уровня топлива
Датчик засоренности воздушного фильтра
Датчик уровня охлаждающей жидкости
Датчик давления воздуха
Автомагнитола
Домкрат
Инструментальный ящик
Сумка инструментальная
Огнетушитель
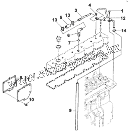
1
2
3
4
5
6
7
8
9
10
11
12
13
13
14
Позиция на иллюстрации
Заводской номер детали
Название детали
1
C3901249
Болт
2
C3907741
Хомут
3
C3909669
Трубка вентиляции
4
C3912072
Винт
5
C3930827
Трубка
6
C3935113
Угольник
7
C3936331
Уплотнительное кольцо
8
C3970886
Прокладка
9
C3979091
Шланг вентиляции
10
C3991306
Болт
11
C4063520
Заглушка
12
C70622
Хомут
13
D3937613
Хомут
14
Q67226
Хомут
Содержащиеся в справочниках-каталогах запасные части и детали не предлагаются к продаже, а носят исключительно информационный характер
Дополнительная информация
×
Название:
Номер:
Примечание: