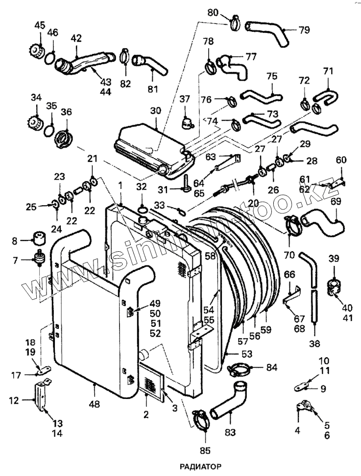
Каталог запасных частей к технике: DAF 95XF. Радиатор
1
2
3
4
5
6
7
8
9
10
11
12
13
14
17
18
19
20
21
22
22
23
24
25
26
27
27
28
29
30
31
32
33
34
35
37
38
39
40
41
42
43
44
45
46
48
49
49
50
51
52
53
54
55
56
57
58
59
60
61
61
62
63
64
65
65
66
67
68
68
69
70
71
72
73
74
75
76
79
80
81
82
83
84
85
| Позиция на иллюстрации | Заводской номер детали | Название детали | |
|---|---|---|---|
| 1 | 1326966 | Радиатор | |
| 2 | 1313442 | Металлическая сетка | |
| 3 | 1313138 | Болт с фланцем М8х16 | |
| 4 | 0385785 | Кронштейн | |
| 5 | 1231054 | Болт с фланцем М12х30 10,9 | |
| 6 | 1231051 | Гайка с фланцем М12-10 | |
| 7 | 0221342 | Резиновый демпфер (D=60,5, L=38) | |
| 8 | 0386770 | Обойма резинового демпфера | |
| 9 | 1325279 | Кронштейн радиатора 125х100х4 | |
| 10 | 0251930 | Пружинная шайба М12 | |
| 11 | 0204680 | Гайка М12х1,5 | |
| 12 | 0221438 | Кронштейн радиатора | |
| 13 | 1231054 | Болт с фланцем М12х30 10,9 | |
| 14 | 1231051 | Гайка с фланцем М12-10 | |
| 17 | 0386776 | Направляющий штифт 100х40х4 | |
| 18 | 0251930 | Пружинная шайба М12 | |
| 19 | 0204680 | Гайка М12х1,5 | |
| 20 | 1317743 | Тяга | |
| 21 | 0391170 | Переходная втулка | |
| 22 | 0559795 | Резиновый демпфер | |
| 23 | 0391173 | Плоская шайба 18х42х2,0 | |
| 24 | 0391172 | Плоская шайба (D1=11) | |
| 25 | 1243044 | Гайка с фланцем М10 | |
| 26 | 0375949 | Переходная втулка | |
| 27 | 0224234 | Резиновый демпфер | |
| 28 | 0391172 | Плоская шайба (D1=11) | |
| 29 | 1243044 | Гайка с фланцем М10 | |
| 30 | 1295910 | Расширительный бачок | |
| 31 | 1327199 | Контактный датчик уровня охлаждающей жидкости | |
| 32 | 0559808 | Уплотнительное кольцо | |
| 33 | 0589162 | Уплотнительное кольцо | |
| 34 | 0084511 | Пробка заливной горловины радиатора | |
| 35 | 1242955 | Уплотнительное кольцо | |
| 37 | 1307627 | Крышка расширительного бачка | |
| 38 | 0904470 | Шланг (D=7,1) | |
| 39 | 0259589 | Кронштейн трубки (D=10, D1=9) | |
| 40 | 1313140 | Болт с фланцем М8х20 10,9 | |
| 41 | 0325421 | Шайба 8,4х17х1,6 | |
| 42 | 0391791 | Маслозаливной патрубок | |
| 43 | 0391705 | Пластина с резьбовым отверстием | |
| 44 | 1295127 | Болт М6х20 | |
| 45 | 0375118 | Крышка маслозаливного патрубка | |
| 46 | 1242955 | Уплотнительное кольцо | |
| 48 | 1327673 | Охладитель воздуха | |
| 49 | 1313125 | Болт с фланцем М8х80 10,9 | |
| 49 | 1313124 | Болт с фланцем М8х75 10,9 | |
| 50 | 0174670 | Шайба 22х8,4х2 | |
| 51 | 1290900 | Квадратная гайка | |
| 52 | 1295138 | Болт М8х16 10,9 | |
| 53 | 1293796 | Кожух вентилятора | |
| 54 | 1313138 | Болт с фланцем М8х16 | |
| 55 | 0325421 | Шайба 8,4х17х1,6 | |
| 56 | 1293797 | Уплотнитель | |
| 57 | 1322248 | Бандаж | |
| 58 | 1328817 | Натяжная пружина | |
| 59 | 1332485 | Обойма кожуха | |
| 60 | 1329655 | Кронштейн | |
| 61 | 1313140 | Болт с фланцем М8х20 10,9 | |
| 61 | 1313141 | Болт с фланцем М8х25 10,9 | |
| 62 | 1313142 | Гайка с фланцем М8-10 | |
| 63 | 1329656 | Кронштейн | |
| 64 | 1313140 | Болт с фланцем М8х20 10,9 | |
| 65 | 1313142 | Гайка с фланцем М8-10 | |
| 65 | 0174670 | Шайба 22х8,4х2 | |
| 66 | 1329657 | Кронштейн | |
| 67 | 1313140 | Болт с фланцем М8х20 10,9 | |
| 68 | 1313142 | Гайка с фланцем М8-10 | |
| 68 | 0174670 | Шайба 22х8,4х2 | |
| 69 | 1353922 | Шланг | |
| 70 | 0522159 | Хомут (D=58-75) | |
| 71 | 1340132 | Шланг | |
| 72 | 0587804 | Хомут (D=11-17) | |
| 73 | 0799066 | Шланг (D=9, L=2м) | |
| 74 | 0812196 | Хомут (D=13-20) | |
| 75 | 0799066 | Шланг (D=9, L=2м) | |
| 76 | 0587804 | Хомут (D=11-17) | |
| 79 | 1347468 | Шланг | |
| 80 | 0201255 | Хомут (D=32-44) | |
| 81 | 1317358 | Шланг | |
| 82 | 0201258 | Хомут (D=44-56) | |
| 83 | 1293809 | Шланг | |
| 84 | 0522159 | Хомут (D=58-75) | |
| 85 | 0522160 | Хомут (D=68-85) |
Содержащиеся в справочниках-каталогах запасные части и детали не предлагаются к продаже, а носят исключительно информационный характер