Каталог запасных частей к технике: DAF 95XF. Привод переключения передач
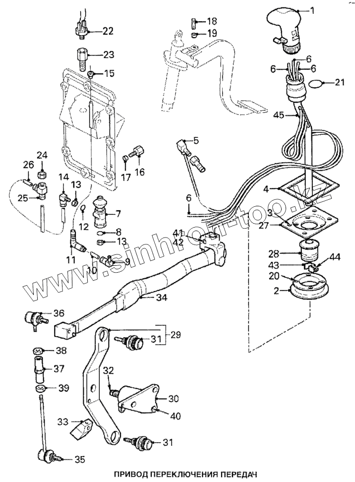
1
2
3
4
7
8
9
12
15
16
17
18
19
20
21
27
28
29
30
31
31
32
33
34
35
36
37
38
39
40
41
42
43
44
45
| Позиция на иллюстрации | Заводской номер детали | Название детали | |
|---|---|---|---|
| [Штуцер] | [Штуцер] | Штуцер | |
| [Шланг 16мм] | [Шланг 16мм] | Шланг 16мм | |
| [Уплотнительное кольцо] | [Уплотнительное кольцо] | Уплотнительное кольцо | |
| [Колено] | [Колено] | Колено | |
| 1 | 1285260 | Рукоятка-выключатель | |
| 2 | 1332130 | Корпус шарнира | |
| 3 | 1313138 | Болт с фланцем М8х16 | |
| 4 | 0080317 | Липучка | |
| 7 | 0649246 | Предохранительный клапан | |
| 8 | 0591192 | Уплотнительное кольцо 9х2 | |
| 9 | 1212661 | Адаптер | |
| 12 | 0591192 | Уплотнительное кольцо 9х2 | |
| 15 | 1245142 | Уплотнитель | |
| 16 | 0071894 | Ограничительный кронштейн | |
| 17 | 0251275 | Гайка М8 | |
| 18 | 0179771 | Резьбовой стопор | |
| 19 | 0251274 | Гайка М6 | |
| 20 | 1295138 | Болт М8х16 10,9 | |
| 21 | 0090640 | Уплотнительное кольцо | |
| 27 | 1332080 | Пластина креплении | |
| 28 | 0292075 | Опора шарнира | |
| 29 | 1341118 | Рычаг | |
| 30 | 1332045 | Опора | |
| 31 | 1330987 | Шарнир | |
| 32 | 1231052 | Гайка с фланцем М16-10 | |
| 33 | 1330570 | Блок | |
| 34 | 1331010 | Тяга управления | |
| 35 | 1330982 | Шарнир | |
| 36 | 1330981 | Шарнир | |
| 37 | 1330726 | Регулировочная гайка | |
| 38 | 1334092 | Гайка | |
| 39 | 0251276 | Гайка М10 | |
| 40 | 1243074 | Болт с фланцем М10х40 | |
| 41 | 1313119 | Болт с фланцем М8х50 | |
| 42 | 1321529 | Самоконтрящаяся гайка М8 | |
| 43 | 1332365 | Кронштейн | |
| 44 | 1295115 | Болт | |
| 45 | 1337767 | Рычаг переключения передач |
Содержащиеся в справочниках-каталогах запасные части и детали не предлагаются к продаже, а носят исключительно информационный характер