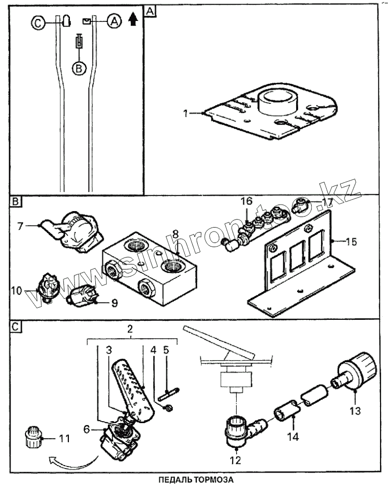
Каталог запасных частей к технике: DAF 95XF. Педаль тормоза
1
2
3
4
5
6
7
8
9
10
11
| Позиция на иллюстрации | Заводской номер детали | Название детали | |
|---|---|---|---|
| [Адаптер] | [Адаптер] | Адаптер | |
| [Шланг 16мм] | [Шланг 16мм] | Шланг 16мм | |
| [Шланг] | [Шланг] | Шланг | |
| [Шланг] | [Шланг] | Шланг | |
| [Фиксатор] | [Фиксатор] | Фиксатор | |
| [Фиксатор] | [Фиксатор] | Фиксатор | |
| [Уплотнительное кольцо] | [Уплотнительное кольцо] | Уплотнительное кольцо | |
| [Угловой шланг] | [Угловой шланг] | Угловой шланг | |
| [Трубка] | [Трубка] | Трубка | |
| [Колено] | [Колено] | Колено | |
| [Заглушка] | [Заглушка] | Заглушка | |
| [Болт] | [Болт] | Болт | |
| 1 | 1292912 | Уплотнитель | |
| 2 | 1263714 | Тормозная педаль | |
| 3 | 0160840 | Уплотнение | |
| 4 | 0119167 | Стопорное кольцо | |
| 5 | 1263666 | Штифт | |
| 6 | 1337184 | Главный тормозной блок клапанов | |
| 7 | 1336128 | Клапан ручного тормоза | |
| 8 | 1310622 | Пневмораспределитель | |
| 9 | 0754800 | Датчик давления воздуха | |
| 10 | 1332000 | Датчик давления воздуха | |
| 11 | 1207894 | Глушитель |
Содержащиеся в справочниках-каталогах запасные части и детали не предлагаются к продаже, а носят исключительно информационный характер