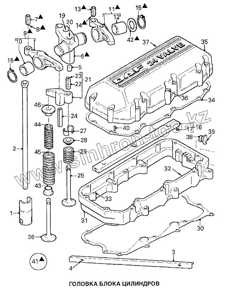
Каталог запасных частей к технике: DAF 95XF. Головка блока цилиндров
1
2
3
4
5
6
7
8
9
10
11
12
13
14
15
15
16
19
20
21
22
23
24
25
26
27
28
29
30
31
32
33
34
35
36
37
38
39
41
42
43
44
45
46
| Позиция на иллюстрации | Заводской номер детали | Название детали | |
|---|---|---|---|
| [Разъем] | [Разъем] | Разъем | |
| 1391025 | 1391025 | Короткий блок | |
| 1 | 1325269 | Толкатель | |
| 2 | 1318359 | Шток толкателя | |
| 3 | 1327642 | Кронштейн механизма | |
| 4 | 1313139 | Болт с фланцем М8х18 | |
| 5 | 1329074 | Дистанционный штифт | |
| 6 | 1316542 | Кронштейн рокеров | |
| 7 | 0082662 | Регулировочный винт | |
| 8 | 1328594 | Шестигранная головка | |
| 9 | 1315576 | Рокер | |
| 10 | 1292574 | Втулка подшипника скольжения | |
| 11 | 1369066 | Рычаг рокера | |
| 12 | 1292574 | Втулка подшипника скольжения | |
| 13 | 0082662 | Регулировочный винт | |
| 14 | 1328594 | Шестигранная головка | |
| 15 | 1378276 | Стопорное кольцо | |
| 16 | 1312944 | Крепление планки | |
| 19 | 1243064 | Болт с фланцем М12х100 | |
| 20 | 1243062 | Болт с фланцем М12х120 | |
| 21 | 1320440 | Рычаг клапанного механизма | |
| 22 | 1336178 | Регулировочный винт | |
| 23 | 1328594 | Шестигранная головка | |
| 24 | 1319233 | Полый штифт | |
| 25 | 1342220 | Впускной клапан | |
| 26 | 1362696 | Выпускной клапан | |
| 27 | 1339338 | Сухари | |
| 28 | 1328118 | Тарелка пружины | |
| 29 | 1284432 | Клапанная пружина | |
| 30 | 1300061 | Прокладка корпуса клапанной крышки | |
| 31 | 1319559 | Корпус клапанной крышки | |
| 32 | 1313120 | Болт с фланцем М8х55 | |
| 33 | 1313117 | Болт с фланцем М8х40 | |
| 34 | 1356009 | Прокладка клапанной крышки | |
| 35 | 1319558 | Крышка клапанного механизма | |
| 36 | 1313122 | Болт с фланцем М8х65 10,9 | |
| 37 | 1313122 | Болт с фланцем М8х65 10,9 | |
| 38 | 1311863 | Разъем | |
| 39 | 1295125 | Болт М6х12 | |
| 41 | 1379399 | Механизм привода клапанов (рокерный узел) | |
| 42 | 1378158 | Дистанционная шайба | |
| 43 | 1364311 | Тарелка пружины | |
| 44 | 1364309 | Пружина клапана | |
| 45 | 1364308 | Пружина клапана | |
| 46 | 1367031 | Тарелка пружины |
Содержащиеся в справочниках-каталогах запасные части и детали не предлагаются к продаже, а носят исключительно информационный характер