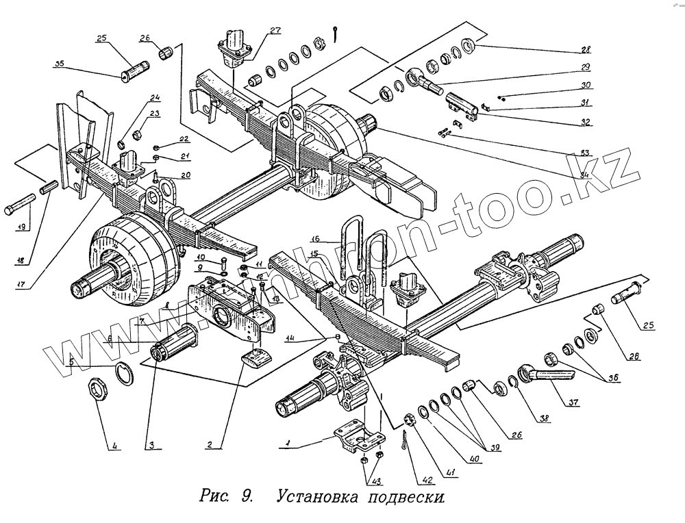
Каталог запасных частей к технике: ЧМЗАП-9906. Установка подвески
1
2
3
4
5
6
7
8
9
10
11
12
13
14
15
16
17
18
19
20
21
22
23
24
25
25
26
26
26
27
28
29
30
31
32
33
34
35
36
36
37
38
39
40
41
42
43
| Позиция на иллюстрации | Заводской номер детали | Название детали | |
|---|---|---|---|
| 1 | 99858-2912425 | Накладка стремянок рессоры | |
| 2 | 99858-2918024 | Вкладыш | |
| 3 | 260325 | Заглушка 65-08.Ц6xp ГОСТ 3111-81 | |
| 4 | 9990-3104081 | Контргайка | |
| 5 | 5208-2918099Б | Шайба замковая гайки | |
| 6 | 99858-2918052-10 | Ось балансира | |
| 7 | 99858-2918010-11 | Балансир задней подвески | |
| 8 | 99858-2918630 | Накладка полки балансира | |
| 9 | 252005 | Шайба 8 ОСТ37.001.144-75 | |
| 10 | 201460 | Болт М8-6gx30.68.016 ГОСТ 7796-70 | |
| 11 | 252135 | Шайба 8Т 65Г 06 ГОСТ 6402-70 | |
| 12 | 250510 | Гайка 2М8.6Н. 6.016 ГОСТ 5915-70 | |
| 13 | 202115 | Болт М16-6gx30.68.016 ГОСТ 7796-70 | |
| 14 | 93853-2912414-10 | Штифт установочный | |
| 15 | 99858-2912420-20 | Накладка стремянок рессоры | |
| 16 | 99858-2912408-10 | Стремянка рессоры | |
| 17 | 93853-2912012-20 | Рессора задняя | |
| 18 | 99858-2918029 | Втулка распорная | |
| 19 | 200879 | Болт М16-6gx150.68.016 ГОСТ 7795-70 | |
| 20 | 201497 | Болт М10-6gx25.68.016 ГОСТ 7796-70 | |
| 21 | 252136 | Шайба 10 ОТ 65Г 06 ГОСТ 6402-70 | |
| 22 | 250512 | Гайка М10.6Н.6.016. ГОСТ 5915-70 | |
| 23 | 250560 | Гайка М16-6Н.6.016 ГОСТ 5915-70 | |
| 24 | 252139 | Шайба 16 ОТ 65Г 06 ГОСТ 6402-70 | |
| 25 | 99858-2919030 | Палец | |
| 26 | 99858-2919035 | Втулка | |
| 27 | 500А-2902634 | Буфер дополнительный | |
| 28 | 99858-2919033 | Кольцо защитное | |
| 29 | 9906.402919015 | Штанга реактивная регулируемая | |
| 30 | 250514 | Гайка М12-6Н.6.016 ГОСТ 5915-70 | |
| 31 | 99858-2919046-10 | Шайба отгибная | |
| 32 | 93853-2919019-11 | Стяжка | |
| 33 | 201546 | Болт М12-6gx45.68.016 ГОСТ 7796-70 | |
| 34 | 9911.002410003-30 | Ось задняя с тормозами | |
| 35 | ГОСТ 19853-74 | Масленка 1,ЗЦ6xp ГОСТ 19853-74 | |
| 36 | ГОСТ 3635 | Подшипник ШС-40 ГОСТ 3635 | |
| 36 | Подшипник ШСП-40 | Подшипник ШСП-40 ТУ 37.553.130-90 | |
| 37 | 99858-2919023-10 | Штанга реактивная нерегулируемая | |
| 38 | 99858-2919041 | Кольцо стопорное | |
| 39 | 99858-2919098 | Шайба регулировочная | |
| 40 | 477548 | Шайба 36 | |
| 41 | 99858-2919032 | Гайка специальная | |
| 42 | ГОСТ 379-79 | Шплинт 6,3x63.016 ГОСТ 379-79 | |
| 43 | 477499-10 | Гайка стремянок |
Содержащиеся в справочниках-каталогах запасные части и детали не предлагаются к продаже, а носят исключительно информационный характер