Вернуться на главную
Поиск
Каталоги запчастей к технике
Грузовые автомобили и прицепы
БелАЗ
Общий (см. мод-ции)
Валы привода насоса гидромеханической передачи
Каталог запасных частей к технике: БелАЗ Общий (см. мод-ции). Валы привода насоса гидромеханической передачи
zoom-in
zoom-out
enlarge
shrink
circle-right
circle-left
file-text2
info
cart
Тип техники
Не выбрано
Легковые автомобили
Грузовые автомобили и прицепы
Автобусы
Сельхозтехника
Спецтехника
Двигатели
Мототехника
Марка
Не выбрано
BAW
DAF
DongFeng
FAW
Foton
HOWO
Hyundai
IVECO
JAC Motors
LGMG
MAN
Shaanxi
SITRAK
Studebaker
Tata
Volvo
Автокомпонент Плюс
БелАЗ
Брянский Арсенал
ГАЗ
ЗИЛ
КАЗ
Камский автозавод
КрАЗ
Мадара
МАЗ
МЗКТ
МоАЗ
Нефтекамский автозавод
Ставропольский Завод АвтоПрицепов
ТАТРА
Тонар
УралАЗ
ЧМЗАП
Модель
Не выбрано
75131 (2016)
75131 (2017)
75302, 75306, 75307, 75309 (2016)
7540 (А, В, Е, С, D, К) (2015)
75450 (2010)
7547, 75473 (2014)
75581, 75583 (2015)
76470 (дополнение) (2017)
БелАЗ-540А (1975)
БелАЗ-7512 (2002)
БелАЗ-7513 (2002)
БелАЗ-75131 (2008)
БелАЗ-75131 (2012)
БелАЗ-75131 (доп. к каталогу) (2015)
БелАЗ-7522
БелАЗ-7523
БелАЗ-75231
БелАЗ-75306 (2010)
БелАЗ-7540
БелАЗ-75401
БелАЗ-7540B (2009)
БелАЗ-7540C (2009)
БелАЗ-7540D (2009)
БелАЗ-7540K (2009)
БелАЗ-7540А (2009)
БелАЗ-7547
БелАЗ-7548А (2000)
БелАЗ-7549 (2002)
БелАЗ-7555A
БелАЗ-75600 (2010)
БелАЗ-76470 (2012)
Общий (см. мод-ции)
Схема
>
Не выбрано
Кабина
Стеклоочиститель и стеклоомыватель
Дверь кабины
Сиденье водителя и боковое сиденье
Сиденье водителя
Отопитель кабины
Вентилятор кабины
Зеркало заднего вида и противосолнечный козырек
Капоты передний и боковой
Крылья и подножки
Крылья и подножки
Крылья и подножки
Платформа
Цилиндр опрокидывающего механизма
Цилиндр опрокидывающего механизма
Трубопроводы управления опрокидывающим механизмом
Насосы опрокидывающего и рулевого механизмов
Гидрораспределитель
Панель управления
Кран управления
Масляный бак опрокидывающего и рулевого механизма
Масляный бак опрокидывающего и рулевого механизма
Трубопроводы опрокидывающего механизма
Трубопроводы опрокидывающего механизма
Двигатель и его подвеска
Масляный радиатор и маслопроводы автомобиля
Водомасляный теплообменник и маслопроводы
Водомасляный теплообменник и маслопроводы
Водомасляный теплообменник
Топливные баки и топливные трубопроводы
Топливные баки и топливные трубопроводы
Топливные баки и топливные трубопроводы
Топливный бак
Топливный бак
Топливный бак
Привод управления подачей топлива
Установка воздушных фильтров
Установка воздушных фильтров
Установка воздушных фильтров
Воздушный фильтр
Трубопроводы системы выпуска отработанных газов
Трубопроводы системы выпуска отработанных газов
Трубопроводы системы выпуска отработанных газов
Трубопроводы системы выпуска отработанных газов
Водяной радиатор
Дополнительный водяной радиатор
Дополнительный водяной радиатор
Подвеска радиаторов и кожухи вентиляторов
Подвеска радиаторов и кожухи вентиляторов
Трубопроводы системы охлаждения
Трубопроводы системы охлаждения
Трубопроводы системы охлаждения
Вентиляторы и их привод
Привод вентилятора
Ролик натяжной
Жалюзи радиаторов и их привод
Жалюзи радиаторов
Расширительный бачок
Установка гидромеханической передачи
Установка гидромеханической передачи
Картеры трехступенчатой гидромеханической передачи
Ведущий вал трехступенчатой гидромеханической передачи
Ведомый вал трехступенчатой гидромеханической передачи
Фрикцион трехступенчатой гидромеханической передачи
Золотниковая коробка, маслоприемник, насос и поддон 3-ступенчатой гидромеханнической передачи
Картер коробки передач
Картер гидромеханической передачи
Ведущий вал пятиступенчатой гидромеханической передачи
Диапазонный вал
Реверсивный вал
Ведомый вал пятиступенчатой гидромеханической передачи
Маслоприемник
Масляный фильтр трехступенчатой гидромеханической передачи
Насос гидромеханической передачи передний
Насос гидромеханической передачи задний
Маслозаборник и полнопоточный фильтр
Фильтр тонкой очистки масла
Гидротрансформатор трехступенчатой гидромеханической передачи
Картер гидротрансформатора
Гидротрансформатор пятиступенчатой гидромеханической передачи
Фрикцион пятиступенчатой гидромеханической передачи
Насос трехступенчатой гидромеханической передачи
Золотниковая коробка трехступенчатой гидромеханической передачи
Трубопроводы и шланги гидромеханической передачи
Трубопроводы и шланги гидромеханической передачи
Трубопроводы и шланги гидромеханической передачи
Корпус пилотов
Золотниковая коробка пятиступенчатой гидромеханической передачи
Клапан корректирующий
Механизм управления
Радиатор охлаждения масла гидромеханической передачи
Трубопроводы и шланги гидромеханической передачи
Трубопроводы и шланги гидромеханической передачи
Согласующий редуктор
Картер, ведомый вал и вал привода насоса согласующего редуктора
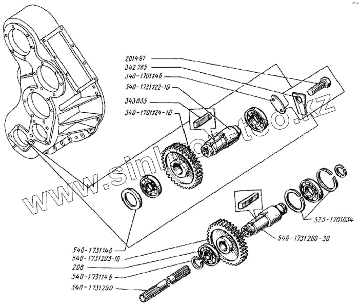
Валы привода насоса гидромеханической передачи
Согласующий редуктор
Картер и ведомый вал согласующего редуктора
Привод насосов
Карданный вал заднего моста
Карданный вал трансмиссии
Карданный вал трансмиссии
Мост ведущий
Мост ведущий
Картер ведущего моста
Картер ведущего моста
Главная передача ведущего моста
Ведущая шестерня главной передачи
Главная передача
Ведущая шестерня главной передачи
Дифференциал ведущего моста
Дифференциал ведущего моста
Колесная передача
Колесная передача
Рама и бампер передний
Рама и бампер передний
Установка передней и задней подвески
Установка передней и задней подвески
Цилиндр подвески
Штанга передней подвески
Вилка и штанга задней подвески
Передняя ось
Передняя ось
Детали передней оси
Рулевые тяги
Колеса и детали их крепления
Детали колес
Ступица переднего колеса
Ступица заднего колеса
Рулевой механизм
Карданный вал рулевого управления
Рулевая колонка
Цилиндр гидравлического усилителя
Распределитель гидравлического усилителя
Трубопроводы рулевого управления
Трубопроводы рулевого управления
Детали колесного тормоза
Установка тормозных кранов и их привод
Трубопроводы пневматического привода тормозной системы
Трубопроводы пневматического привода тормозной системы
Трубопроводы пневматического привода тормозной системы
Трубопроводы пневматического привода тормозной системы
Стояночный тормоз
Стояночный тормоз
Регулировочный рычаг стояночного тормоза
Трубопроводы компрессора
Компрессор
Водоотделитель
Регулятор давления
Воздушные баллоны и их установка
Воздушные баллоны и их установка
Кран тормозной
Кран тормозной
Клапан защитный одинарный
Клапан защитный двойной
Противозамерзатель
Клапан контрольного вывода
Клапан ускорительный
Клапан быстрого оттормаживания
Цилиндр рабочей тормозной системы
Цилиндр стояночной тормозной системы
Клапан ограничения давления
Кран тормозной ручной
Тормоз-замедлитель трехступенчатой гидромеханической передачи
Механизм управления тормозом-замедлителем
Установка крана управления тормозом-замедлителем
Гидравлический тормоз пятиступенчатой гидромеханической передачи
Подпорный клапан и трубопроводы гидравлического тормоза
Механизм привода управления гидравлическим тормозом
Механизм управления гидравлическим тормозом
Схема электрооборудования
Схема электрооборудования
Реле-регулятор
Ящик аккумуляторных батарей
Фары основ. света, противотуманные, перед. фонари, боков. указ. пов., подкапотный фонарь
Задние фонари и задняя фара
Звуковой сигнал и его установка
Установка предохранителей и реле
Панель приборов
Инструмент шоферский
Домкрат гидравлический
Инструмент специальный
201497
540-1731122-10
540-1731200-30
540-1731250
540-1731140
540-1731146
525-1701034
342765
208
540-1701146
540-1701124-10
540-1731205-10
343855
Позиция на иллюстрации
Заводской номер детали
Название детали
201497
201497
Болт
540-1731122-10
540-1731122-10
Вал
540-1731200-30
540-1731200-30
Вал
540-1731250
540-1731250
Вал
540-1731140
540-1731140
Кольцо
540-1731146
540-1731146
Кольцо
525-1701034
525-1701034
Кольцо замковое
342765
342765
Пластина
208
208
Подшипник
540-1701146
540-1701146
Скоба
540-1701124-10
540-1701124-10
Шестерня
540-1731205-10
540-1731205-10
Шестерня
343855
343855
Шпонка
Содержащиеся в справочниках-каталогах запасные части и детали не предлагаются к продаже, а носят исключительно информационный характер
Дополнительная информация
×
Название:
Номер:
Примечание: