Вернуться на главную
Поиск
Каталоги запчастей к технике
Грузовые автомобили и прицепы
БелАЗ
Общий (см. мод-ции)
Установка гидромеханической передачи
Каталог запасных частей к технике: БелАЗ Общий (см. мод-ции). Установка гидромеханической передачи
zoom-in
zoom-out
enlarge
shrink
circle-right
circle-left
file-text2
info
cart
Тип техники
Не выбрано
Легковые автомобили
Грузовые автомобили и прицепы
Автобусы
Сельхозтехника
Спецтехника
Двигатели
Мототехника
Марка
Не выбрано
BAW
DAF
DongFeng
FAW
Foton
HOWO
Hyundai
IVECO
JAC Motors
LGMG
MAN
Shaanxi
SITRAK
Studebaker
Tata
Volvo
Автокомпонент Плюс
БелАЗ
Брянский Арсенал
ГАЗ
ЗИЛ
КАЗ
Камский автозавод
КрАЗ
Мадара
МАЗ
МЗКТ
МоАЗ
Нефтекамский автозавод
Ставропольский Завод АвтоПрицепов
ТАТРА
Тонар
УралАЗ
ЧМЗАП
Модель
Не выбрано
75131 (2016)
75131 (2017)
75302, 75306, 75307, 75309 (2016)
7540 (А, В, Е, С, D, К) (2015)
75450 (2010)
7547, 75473 (2014)
75581, 75583 (2015)
76470 (дополнение) (2017)
БелАЗ-540А (1975)
БелАЗ-7512 (2002)
БелАЗ-7513 (2002)
БелАЗ-75131 (2008)
БелАЗ-75131 (2012)
БелАЗ-75131 (доп. к каталогу) (2015)
БелАЗ-7522
БелАЗ-7523
БелАЗ-75231
БелАЗ-75306 (2010)
БелАЗ-7540
БелАЗ-75401
БелАЗ-7540B (2009)
БелАЗ-7540C (2009)
БелАЗ-7540D (2009)
БелАЗ-7540K (2009)
БелАЗ-7540А (2009)
БелАЗ-7547
БелАЗ-7548А (2000)
БелАЗ-7549 (2002)
БелАЗ-7555A
БелАЗ-75600 (2010)
БелАЗ-76470 (2012)
Общий (см. мод-ции)
Схема
>
Не выбрано
Кабина
Стеклоочиститель и стеклоомыватель
Дверь кабины
Сиденье водителя и боковое сиденье
Сиденье водителя
Отопитель кабины
Вентилятор кабины
Зеркало заднего вида и противосолнечный козырек
Капоты передний и боковой
Крылья и подножки
Крылья и подножки
Крылья и подножки
Платформа
Цилиндр опрокидывающего механизма
Цилиндр опрокидывающего механизма
Трубопроводы управления опрокидывающим механизмом
Насосы опрокидывающего и рулевого механизмов
Гидрораспределитель
Панель управления
Кран управления
Масляный бак опрокидывающего и рулевого механизма
Масляный бак опрокидывающего и рулевого механизма
Трубопроводы опрокидывающего механизма
Трубопроводы опрокидывающего механизма
Двигатель и его подвеска
Масляный радиатор и маслопроводы автомобиля
Водомасляный теплообменник и маслопроводы
Водомасляный теплообменник и маслопроводы
Водомасляный теплообменник
Топливные баки и топливные трубопроводы
Топливные баки и топливные трубопроводы
Топливные баки и топливные трубопроводы
Топливный бак
Топливный бак
Топливный бак
Привод управления подачей топлива
Установка воздушных фильтров
Установка воздушных фильтров
Установка воздушных фильтров
Воздушный фильтр
Трубопроводы системы выпуска отработанных газов
Трубопроводы системы выпуска отработанных газов
Трубопроводы системы выпуска отработанных газов
Трубопроводы системы выпуска отработанных газов
Водяной радиатор
Дополнительный водяной радиатор
Дополнительный водяной радиатор
Подвеска радиаторов и кожухи вентиляторов
Подвеска радиаторов и кожухи вентиляторов
Трубопроводы системы охлаждения
Трубопроводы системы охлаждения
Трубопроводы системы охлаждения
Вентиляторы и их привод
Привод вентилятора
Ролик натяжной
Жалюзи радиаторов и их привод
Жалюзи радиаторов
Расширительный бачок
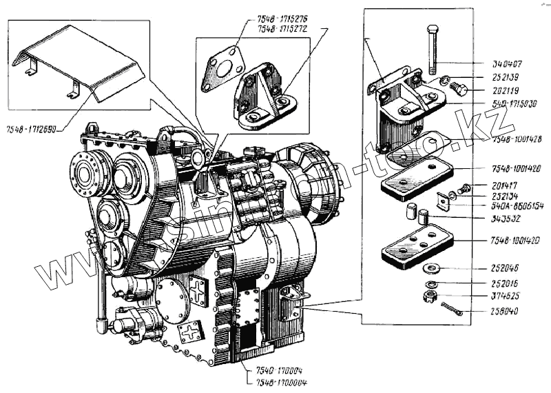
Установка гидромеханической передачи
Установка гидромеханической передачи
Картеры трехступенчатой гидромеханической передачи
Ведущий вал трехступенчатой гидромеханической передачи
Ведомый вал трехступенчатой гидромеханической передачи
Фрикцион трехступенчатой гидромеханической передачи
Золотниковая коробка, маслоприемник, насос и поддон 3-ступенчатой гидромеханнической передачи
Картер коробки передач
Картер гидромеханической передачи
Ведущий вал пятиступенчатой гидромеханической передачи
Диапазонный вал
Реверсивный вал
Ведомый вал пятиступенчатой гидромеханической передачи
Маслоприемник
Масляный фильтр трехступенчатой гидромеханической передачи
Насос гидромеханической передачи передний
Насос гидромеханической передачи задний
Маслозаборник и полнопоточный фильтр
Фильтр тонкой очистки масла
Гидротрансформатор трехступенчатой гидромеханической передачи
Картер гидротрансформатора
Гидротрансформатор пятиступенчатой гидромеханической передачи
Фрикцион пятиступенчатой гидромеханической передачи
Насос трехступенчатой гидромеханической передачи
Золотниковая коробка трехступенчатой гидромеханической передачи
Трубопроводы и шланги гидромеханической передачи
Трубопроводы и шланги гидромеханической передачи
Трубопроводы и шланги гидромеханической передачи
Корпус пилотов
Золотниковая коробка пятиступенчатой гидромеханической передачи
Клапан корректирующий
Механизм управления
Радиатор охлаждения масла гидромеханической передачи
Трубопроводы и шланги гидромеханической передачи
Трубопроводы и шланги гидромеханической передачи
Согласующий редуктор
Картер, ведомый вал и вал привода насоса согласующего редуктора
Валы привода насоса гидромеханической передачи
Согласующий редуктор
Картер и ведомый вал согласующего редуктора
Привод насосов
Карданный вал заднего моста
Карданный вал трансмиссии
Карданный вал трансмиссии
Мост ведущий
Мост ведущий
Картер ведущего моста
Картер ведущего моста
Главная передача ведущего моста
Ведущая шестерня главной передачи
Главная передача
Ведущая шестерня главной передачи
Дифференциал ведущего моста
Дифференциал ведущего моста
Колесная передача
Колесная передача
Рама и бампер передний
Рама и бампер передний
Установка передней и задней подвески
Установка передней и задней подвески
Цилиндр подвески
Штанга передней подвески
Вилка и штанга задней подвески
Передняя ось
Передняя ось
Детали передней оси
Рулевые тяги
Колеса и детали их крепления
Детали колес
Ступица переднего колеса
Ступица заднего колеса
Рулевой механизм
Карданный вал рулевого управления
Рулевая колонка
Цилиндр гидравлического усилителя
Распределитель гидравлического усилителя
Трубопроводы рулевого управления
Трубопроводы рулевого управления
Детали колесного тормоза
Установка тормозных кранов и их привод
Трубопроводы пневматического привода тормозной системы
Трубопроводы пневматического привода тормозной системы
Трубопроводы пневматического привода тормозной системы
Трубопроводы пневматического привода тормозной системы
Стояночный тормоз
Стояночный тормоз
Регулировочный рычаг стояночного тормоза
Трубопроводы компрессора
Компрессор
Водоотделитель
Регулятор давления
Воздушные баллоны и их установка
Воздушные баллоны и их установка
Кран тормозной
Кран тормозной
Клапан защитный одинарный
Клапан защитный двойной
Противозамерзатель
Клапан контрольного вывода
Клапан ускорительный
Клапан быстрого оттормаживания
Цилиндр рабочей тормозной системы
Цилиндр стояночной тормозной системы
Клапан ограничения давления
Кран тормозной ручной
Тормоз-замедлитель трехступенчатой гидромеханической передачи
Механизм управления тормозом-замедлителем
Установка крана управления тормозом-замедлителем
Гидравлический тормоз пятиступенчатой гидромеханической передачи
Подпорный клапан и трубопроводы гидравлического тормоза
Механизм привода управления гидравлическим тормозом
Механизм управления гидравлическим тормозом
Схема электрооборудования
Схема электрооборудования
Реле-регулятор
Ящик аккумуляторных батарей
Фары основ. света, противотуманные, перед. фонари, боков. указ. пов., подкапотный фонарь
Задние фонари и задняя фара
Звуковой сигнал и его установка
Установка предохранителей и реле
Панель приборов
Инструмент шоферский
Домкрат гидравлический
Инструмент специальный
7548-1715272
343532
258040
252139
252134
252046
252016
7548-1715276
7548-1001428
540А-8606154
7548-1001420
540-1715030
7548-1712690
7548-1700004
7540-1700004
374625
340407
202119
201417
Позиция на иллюстрации
Заводской номер детали
Название детали
7548-1715272
7548-1715272
Кронштейн
343532
343532
Штифт
258040
258040
Шплинт
252139
252139
Шайба
252134
252134
Шайба
252046
252046
Шайба
252016
252016
Шайба
7548-1715276
7548-1715276
Прокладка
7548-1001428
7548-1001428
Прокладка регулировочная
540А-8606154
540А-8606154
Прокладка
7548-1001420
7548-1001420
Амортизатор нижний
540-1715030
540-1715030
Кронштейн
7548-1712690
7548-1712690
Кожух
7548-1700004
7548-1700004
Гидромеханическая передача
7540-1700004
7540-1700004
Гидромеханическая передача
374625
374625
Гайка
340407
340407
Болт
202119
202119
Болт
201417
201417
Болт
Содержащиеся в справочниках-каталогах запасные части и детали не предлагаются к продаже, а носят исключительно информационный характер
Дополнительная информация
×
Название:
Номер:
Примечание: