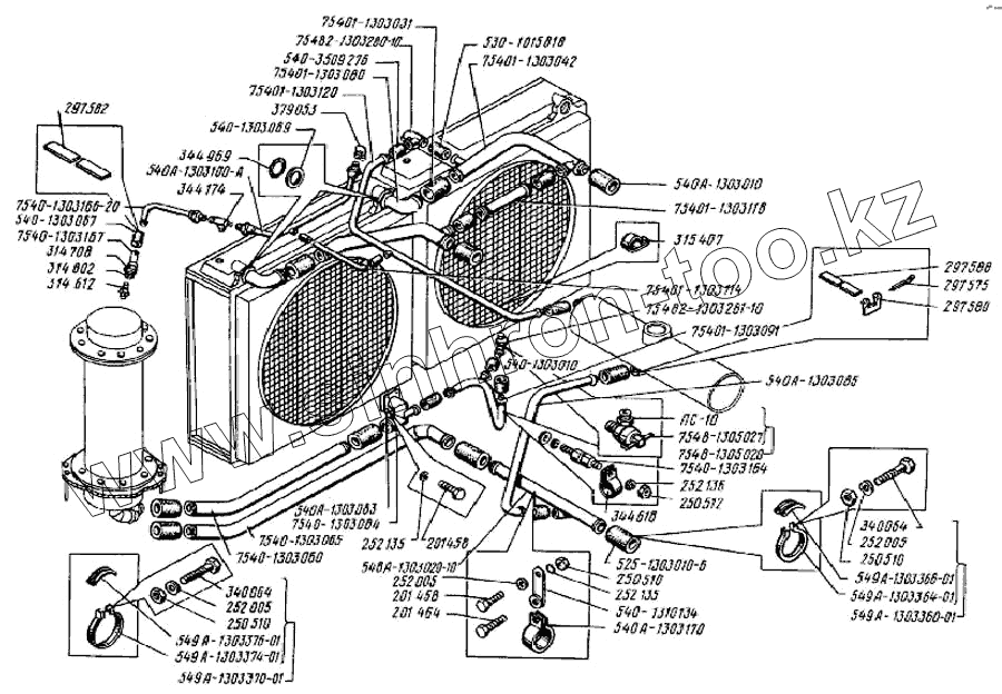
Каталог запасных частей к технике: БелАЗ Общий (см. мод-ции). Трубопроводы системы охлаждения
540А-1303170
7540-1303166-20
75401-1303031
7540-1303167
540А-1303100-А
75401-1303042
75401-1303120
540А-1303085
548А-1303020-10
7540-1303060
7540-1303065
75401-1303091
75401-1303114
75401-1303118
379053
344174
549А-1303360-01
549А-1303370-01
252005
252135
252136
540-1303089
525-1303010-Б
530-1015818
540-1303010
540-1303067
540-3509276
540А-1303010
297575
549А-1303374-01
201464
340064
250510
250512
314708
315407
344618
344969
7548-1305020
ПС-10
297582
297588
549А-1303364-01
201458
314802
549А-1303366-01
549А-1303376-01
314612
7540-1303084
75401-1303080
75482-1303280-10
75482-1303281-10
540А-1303083
297580
7548-1305027
540-1310134
7540-1303164
| Позиция на иллюстрации | Заводской номер детали | Название детали | |
|---|---|---|---|
| 540А-1303170 | 540А-1303170 | Хомут | |
| 7540-1303166-20 | 7540-1303166-20 | Труба верхняя | |
| 75401-1303031 | 75401-1303031 | Труба левая | |
| 7540-1303167 | 7540-1303167 | Труба нижняя | |
| 540А-1303100-А | 540А-1303100-А | Труба пароотводящая | |
| 75401-1303042 | 75401-1303042 | Труба правая | |
| 75401-1303120 | 75401-1303120 | Труба промежуточная | |
| 540А-1303085 | 540А-1303085 | Труба сливная | |
| 548А-1303020-10 | 548А-1303020-10 | Трубопровод | |
| 7540-1303060 | 7540-1303060 | Трубопровод | |
| 7540-1303065 | 7540-1303065 | Трубопровод | |
| 75401-1303091 | 75401-1303091 | Трубопровод | |
| 75401-1303114 | 75401-1303114 | Трубопровод | |
| 75401-1303118 | 75401-1303118 | Трубопровод | |
| 379053 | 379053 | Угольник | |
| 344174 | 344174 | Тройник | |
| 549А-1303360-01 | 549А-1303360-01 | Хомут | |
| 549А-1303370-01 | 549А-1303370-01 | Хомут | |
| 252005 | 252005 | Шайба | |
| 252135 | 252135 | Шайба | |
| 252136 | 252136 | Шайба | |
| 540-1303089 | 540-1303089 | Шайба регулировочная | |
| 525-1303010-Б | 525-1303010-Б | Шланг | |
| 530-1015818 | 530-1015818 | Шланг | |
| 540-1303010 | 540-1303010 | Шланг | |
| 540-1303067 | 540-1303067 | Шланг | |
| 540-3509276 | 540-3509276 | Шланг | |
| 540А-1303010 | 540А-1303010 | Шланг | |
| 297575 | 297575 | Шплинт | |
| 549А-1303374-01 | 549А-1303374-01 | Лента | |
| 201464 | 201464 | Болт | |
| 340064 | 340064 | Накладка | |
| 250510 | 250510 | Гайка | |
| 250512 | 250512 | Гайка | |
| 314708 | 314708 | Гайка | |
| 315407 | 315407 | Кляммер | |
| 344618 | 344618 | Кляммер | |
| 344969 | 344969 | Кольцо У-50х45-2 (34496900) | |
| 7548-1305020 | 7548-1305020 | Кран | |
| ПС-10 | ПС-10 | Кран | |
| 297582 | 297582 | Лента | |
| 297588 | 297588 | Лента | |
| 549А-1303364-01 | 549А-1303364-01 | Лента | |
| 201458 | 201458 | Болт | |
| 314802 | 314802 | Муфта | |
| 549А-1303366-01 | 549А-1303366-01 | Накладка | |
| 549А-1303376-01 | 549А-1303376-01 | Накладка | |
| 314612 | 314612 | Ниппель | |
| 7540-1303084 | 7540-1303084 | Патрубок | |
| 75401-1303080 | 75401-1303080 | Патрубок | |
| 75482-1303280-10 | 75482-1303280-10 | Патрубок | |
| 75482-1303281-10 | 75482-1303281-10 | Патрубок | |
| 540А-1303083 | 540А-1303083 | Прокладка | |
| 297580 | 297580 | Пряжка | |
| 7548-1305027 | 7548-1305027 | Ручка | |
| 540-1310134 | 540-1310134 | Рычаг | |
| 7540-1303164 | 7540-1303164 | Стержень |
Содержащиеся в справочниках-каталогах запасные части и детали не предлагаются к продаже, а носят исключительно информационный характер