Каталог запасных частей к технике: БелАЗ-76470. Установка трубопроводов поливооросительной системы.
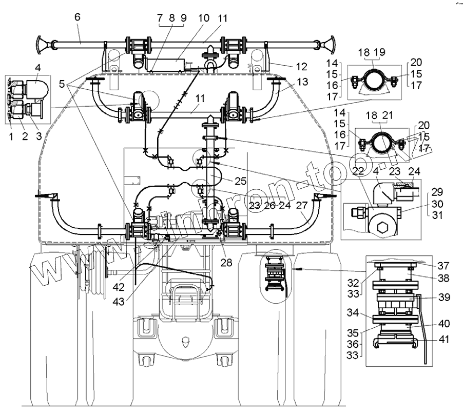
1
2
3
4
4
5
6
7
8
9
10
11
11
12
13
14
14
15
15
15
15
16
16
17
17
17
17
18
18
19
20
20
21
22
23
23
24
24
25
26
27
28
29
30
31
32
33
33
34
35
36
37
38
39
40
41
42
43
| Позиция на иллюстрации | Заводской номер детали | Название детали | |
|---|---|---|---|
| 1 | 540-1712534 | Прокладка | |
| 2 | 76470-8060484 | Переходник | |
| 3 | 6411-2401070 | Клапан | |
| 4 | 344529 | Угольник | |
| 5 | ШК015.00.080 | Кран шаровой | |
| 6 | 76470-8060157-10 | Патрубок | |
| 7 | 201418 | Болт | |
| 8 | 252004 | Шайба | |
| 9 | 252134 | Шайба | |
| 10 | 76470-8060050 | Кожух | |
| 11 | 76470-8060276 | Труба нагнетательная | |
| 12 | 76470-8060470 | Кронштейн | |
| 13 | 76470-8060157 | Патрубок | |
| 14 | 201549 | Болт | |
| 15 | 250514 | Гайка | |
| 16 | 252007 | Шайба | |
| 17 | 252137 | Шайба | |
| 18 | 549А-3403030 | Прокладка | |
| 19 | 76470-8060464-10 | Скоба | |
| 20 | 201543 | Болт | |
| 21 | 76470-8060465-10 | Скоба | |
| 22 | КЭМ18 | Клапан электромагнитный | |
| 23 | 314802 | Муфта | |
| 24 | 344810 | Гайка накидная | |
| 25 | 76470-8060186-10 | Труба верхняя | |
| 26 | 344197 | Тройник | |
| 27 | 76470-8060270 | Труба | |
| 28 | ПС7-0 | Кран | |
| 29 | 201469 | Болт М8х66 | |
| 30 | 250510 | Гайка | |
| 31 | 252135 | Шайба | |
| 32 | 202115 | Болт | |
| 33 | 252139 | Шайба | |
| 34 | 7648-8060312 | Прокладка | |
| 35 | 200864 | Болт | |
| 36 | 250560 | Гайка | |
| 37 | 7648-8060652 | Прокладка | |
| 38 | 76470-8060170 | Патрубок | |
| 39 | WK2AДУ-100 | Кран шаровой фланцевый | |
| 40 | 76470-8060176 | Патрубок | |
| 41 | ГМВ-125 | Головка всасывающая | |
| 42 | 7548-1305020 | Кран | |
| 43 | 76470-8060216 | Трубопровод подводящий |
Содержащиеся в справочниках-каталогах запасные части и детали не предлагаются к продаже, а носят исключительно информационный характер