Каталог запасных частей к технике: БелАЗ-75600. Установка фар и подфарников
1
1
1
2
2
2
3
3
3
4
4
4
5
5
5
6
6
6
7
7
7
8
8
8
8
9
9
9
9
10
10
10
11
11
11
11
11
12
13
13
13
13
14
14
14
15
15
16
16
17
17
18
18
18
19
19
20
20
21
21
21
21
21
21
21
21
21
22
22
23
24
25
26
27
28
29
30
30
30
30
30
31
31
31
31
32
32
33
33
34
34
34
35
35
36
36
36
37
38
38
38
39
39
39
40
40
40
41
42
43
44
45
46
47
48
49
49
50
51
52
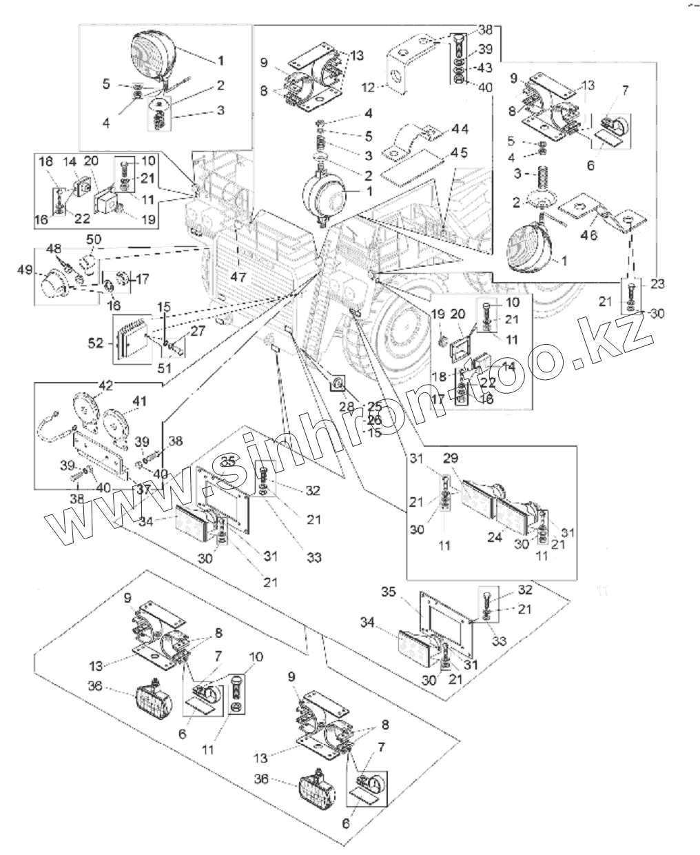
| Позиция на иллюстрации | Заводской номер детали | Название детали | |
|---|---|---|---|
| 1 | 171.3711 | Фара поворотная задняя | |
| 2 | 540-3727030 | Чашка опорная | |
| 3 | 540-3405118 | Пружина | |
| 4 | 250515 | Гайка | |
| 5 | 252007 | Шайба | |
| 6 | 548А-1104696-01 | Прокладка | |
| 7 | 315406 | Кляммер | |
| 8 | 549А-3716052 | Пластина прижимная | |
| 9 | 549А-3716062 | Амортизатор | |
| 10 | 201422 | Болт | |
| 11 | 250508 | Гайка | |
| 12 | 75281-3711362 | Кронштейн | |
| 13 | 549А-3743412 | Пластина | |
| 14 | 14.3726 | Боковой повторитель указателя поворота | |
| 14 | 1401.3726 | Указатель поворота боковой | |
| 15 | 252132 | Шайба | |
| 16 | 252003 | Шайба | |
| 17 | 250464 | Гайка | |
| 18 | 220079 | Винт | |
| 19 | 549А-2108247 | Кольцо | |
| 20 | 75132-3712050 | Кожух защитный | |
| 21 | 252134 | Шайба | |
| 22 | 252133 | Шайба | |
| 23 | 201418 | Болт | |
| 24 | УП115-В-ХЛ | Указатель поворота | |
| 25 | 220053 | Винт | |
| 26 | 250462 | Гайка | |
| 27 | 252002 | Шайба | |
| 28 | 5112.3709 | Переключатель | |
| 29 | ПФ116-В-ХЛ | Фонарь передний | |
| 30 | 252004 | Шайба | |
| 31 | 220105 | Винт | |
| 32 | 201420 | Болт | |
| 33 | 252037 | Шайба | |
| 34 | 341.3711 | Фара | |
| 34 | 112.03.29-02 | Фара | |
| 35 | 75570-3711090 | Панель фары | |
| 36 | ФГ152-АО | Фара | |
| 36 | 112.05.41 | Фара | |
| 37 | 75137-3721243 | Кронштейн звуковых сигналов | |
| 38 | 201457 | Болт | |
| 39 | 252135 | Шайба | |
| 40 | 250510 | Гайка | |
| 41 | С314 | Сигнал звуковой | |
| 42 | С313 | Сигнал звуковой | |
| 43 | 252007 | Шайба | |
| 44 | 549-1108127 | Хомут | |
| 45 | 549А-3724392 | Прокладка | |
| 46 | 75131-3727090 | Кронштейн фары | |
| 47 | 75131-3408234 | Хомут | |
| 48 | 549А-3716046 | Втулка | |
| 49 | УП101-61-ХЛ | Повторитель боковой указателя поворота | |
| 49 | 112.Б112 | Указатель боковой дополнительный 5 категории | |
| 50 | 540А-3724044 | Чехол защитный | |
| 51 | 220057 | Винт М4х22 | |
| 52 | 3801.3716 | Фонарь задний |
Содержащиеся в справочниках-каталогах запасные части и детали не предлагаются к продаже, а носят исключительно информационный характер