Вернуться на главную
Поиск
Каталоги запчастей к технике
Грузовые автомобили и прицепы
БелАЗ
БелАЗ-7555A
Картер коробки передач
Каталог запасных частей к технике: БелАЗ-7555A. Картер коробки передач
zoom-in
zoom-out
enlarge
shrink
circle-right
circle-left
file-text2
info
cart
Тип техники
Не выбрано
Легковые автомобили
Грузовые автомобили и прицепы
Автобусы
Сельхозтехника
Спецтехника
Двигатели
Мототехника
Марка
Не выбрано
BAW
DAF
DongFeng
FAW
Foton
HOWO
Hyundai
IVECO
JAC Motors
LGMG
MAN
Shaanxi
SITRAK
Studebaker
Tata
Volvo
Автокомпонент Плюс
БелАЗ
Брянский Арсенал
ГАЗ
ЗИЛ
КАЗ
Камский автозавод
КрАЗ
Мадара
МАЗ
МЗКТ
МоАЗ
Нефтекамский автозавод
Ставропольский Завод АвтоПрицепов
ТАТРА
Тонар
УралАЗ
ЧМЗАП
Модель
Не выбрано
75131 (2016)
75131 (2017)
75302, 75306, 75307, 75309 (2016)
7540 (А, В, Е, С, D, К) (2015)
75450 (2010)
7547, 75473 (2014)
75581, 75583 (2015)
76470 (дополнение) (2017)
БелАЗ-540А (1975)
БелАЗ-7512 (2002)
БелАЗ-7513 (2002)
БелАЗ-75131 (2008)
БелАЗ-75131 (2012)
БелАЗ-75131 (доп. к каталогу) (2015)
БелАЗ-7522
БелАЗ-7523
БелАЗ-75231
БелАЗ-75306 (2010)
БелАЗ-7540
БелАЗ-75401
БелАЗ-7540B (2009)
БелАЗ-7540C (2009)
БелАЗ-7540D (2009)
БелАЗ-7540K (2009)
БелАЗ-7540А (2009)
БелАЗ-7547
БелАЗ-7548А (2000)
БелАЗ-7549 (2002)
БелАЗ-7555A
БелАЗ-75600 (2010)
БелАЗ-76470 (2012)
Общий (см. мод-ции)
Схема
>
Не выбрано
Кабина
Установка кабины
Установка кожуха пола
Установка стеклоочистителя
Установка рычага и щитка
Установка стеклоомывателя
Дверь
Установка сидений
Установка отопителя БелАЗ-7555А
Установка вентилятора
Установка отопителя БелАЗ-7555В
Отопитель кабины
Установка кронштейна зеркала заднего вида
Установка зеркал заднего вида
Установка противосолнечного козырька
Установка оперения
Установка брызговиков
Установка кожуха подогревателя
Установка платформы
Установка цилиндра опрокидывающего механизма
Установка трубопроводов опрокидывающего механизма
Цилиндр опрокидывающего механизма с подшипником
Цилиндр опрокидывающего механизма
Установка насосов
Панель управления
Секция гидрораспределителя
Клапан вспомогательный
Клапан предохранительный
Блок управления
Установка масляного бака
Бак масляный, установка фильтров и заслонки
Бак масляный, установка заправочного клапана и нижней крышки
Заслонка
Установка двигателя на самосвал БелАЗ-7555А
Двигатель с кронштейнами
Установка двигателя на самосвал БелАЗ-7555В
Установка предпускового подогревателя на самосвал БелАЗ-7555А
Установка предпускового подогревателя на самосвал БелАЗ-7555В
Установка системы пневмостартерного пуска самосвала БелАЗ-7555А
Клапан пусковой
Кран
Дозатор смазки
Пневмодвигатель
Привод
Установка пневмостартера на самосвал БелАЗ-7555А
Пневмостартер
Клапан предохранительный
Топливный бак
Труба топливного бака всасывающая
Установка топливного бака
Установка трубопроводов системы питания топливом БелАЗ-7555А
Установка трубопроводов системы питания топливом БелАЗ-7555В
Установка фильтра грубой очистки БелАЗ-7555А
Фильтр топливный
Обогреватель топлива с фильтром
Фильтр грубой очистки топлива
Насос топливоподкачивающий
Стержень с фиксатором
Установка педали управления подачей топлива БелАЗ-7555А
Установка обогревателя топлива
Механизмы управления подачей топлива БелАЗ-7555А
Установка трубопроводов привода управления подачей топлива БелАЗ-7555А
Механизм управления подачей топлива БелАЗ-7555B
Педаль привода подачи топлива БелАЗ-7555А
Педаль привода подачи топлива БелАЗ-7555В
Педаль с накладкой БелАЗ-7555В
Механизм толкающий
Наконечник
Ручка ручной подачи топлива
Установка воздушного фильтра на самосвал БелАЗ-7555А
Установка воздушного фильтра на самосвал БелАЗ-7555В
Фильтр воздушный БелАЗ-7555В
Установка системы выпуска отработавших газов на самосвал БелАЗ-7555А
Установка системы выпуска отработавших газов на самосвал БелАЗ-7555В
Труба с уплотняющим устройством
Шарнир
Установка кожуха вентилятора БелАЗ-7555А
Блок радиаторов
Установка кожуха вентилятора БелАЗ-7555А
Установка радиаторов
Установка трубопроводов системы охлаждения двигателя БелАЗ-7555А
Установка трубопроводов системы охлаждения двигателя БелАЗ-7555В
Установка жалюзи радиаторов
Жалюзи радиаторов
Пневмопереключатель
Радиатор
Коробка передач. Установка выходного вала
Коробка передач. Установка маслозаборника и полнопоточного фильтра
Коробка передач. Установка механизма управления гидромеханической передачей и золотниковой коробки
Коробка передач. Картер, установка первичного вала и тормоза замедлителя
Коробка передач. Установка реверсивного и диапазонного валов
Диск нажимной
Установка гидромеханической передачи
Гидромеханическая передача
Фильтр гидромеханической передачи
Насос масляный передний
Втулка шлицевая
Гидротрансформатор с коробкой передач
Картер гидротрансформатора в сборе
Картер гидротрансформатора
Крышка картера гидротрансформатора
Картер гидромеханической передачи
Фрикцион первой передачи
Фрикцион понижающего (повышающего) диапазона
Барабан фрикциона первой передачи
Барабан фрикциона понижающего (повышающего) диапазона
Поршень фрикциона
Картер коробки передач
Установка трубопроводов и шлангов гидромеханической передачи БелАЗ-7555А
Установка трубопроводов и шлангов гидромеханической передачи БелАЗ-7555В
Установка теплообменников
Теплообменник
Механизм управления гидромеханической передачей
Колесо насоса
Колесо турбины
Колесо первого (второго) реактора
Вал ведущий с барабаном
Крышка подшипника ведущего вала
Картер промежуточный
Вал первичный
Вал реверсивный (диапазонный)
Крышка диапазонного вала
Крышка реверсивного вала
Шестерни ведущие
Шестерня паразитная
Ступица гидротрансформатора
Крышка шестерни привода реверсивного вала
Элемент фильтрующий маслозаборника
Элемент фильтрующий плнопоточного фильтра
Электромагнит
Коробка золотниковая, установка крышек, колпачков и пробок
Коробка золотниковая клапан аварийный
Коробка золотниковая. Регулятор давления гидротрансформатора
Коробка золотниковая. Регулятор главного давления
Коробка золотниковая клапан плавности
Коробка золотниковая клапан блокировки и обратные клапаны
Опора пружины в сборе
Клапан корректирующий
Механизм управления тормозом-замедлителем (механизм блокировки гидротрансформатора)
Установка карданных валов
Вал карданный в сборе
Муфта упругая
Вал карданный
Вал карданный промежуточный
Картер заднего моста с рычагом
Установка главной передачи и цилиндра стояночного тормоза
Передача главная
Ведущая шестерня главной передачи
Картер подшипников
Полуось с центрующим пальцем
Шестерня коронная с кожухом
Водило с сателлитами
Сателлит с бортовой передачи в сборе
Картер главной передачи
Дифференциал заднего моста
Чашка дифференциала правая с ведомой шестерней
Сателлит дифференциала в сборе
Рама
Установка брызговиков двигателя
Установка цилиндров передней подвески
Цилиндр передней подвески
Центральный шарнир передней подвески
Установка поперечной штанги передней подвески
Установка цилиндров задней подвески
Цилиндр задней подвески
Насос
Установка центрального шарнира задней подвески
Установка поперечной штанги задней подвески
Установка поворотных кулаков и шкворней
Подшипник упорный
Наконечник тяги
Тяга рулевой трапеции
Ступица заднего колеса с тормозным диском
Установка ступицы переднего колеса
Ступица передняя
Ступица заднего колеса
Крышка ступицы
Установка передних колес
Установка задних колес
Колесо с шиной
Установка камневыталкивателей
Установка цилиндров поворота и поперечной тяги рулевой трапеции
Установка рулевой колонки
Колонка рулевая с кронштейнами
Колонка рулевого управления
Вал карданный рулевого управления
Установка трубопровода рулевого управления
Электродвигатель с насосом
Кран-регулятор
Клапан соединительный
Фильтр
Фильтр
Цилиндр поворота
Автомат разгрузки насоса
Установка рабочих тормозных механизмов
Тормозная система
Кран управления тормозами
Кран управления стояночным тормозом
Суппорт стояночного тормоза
Стояночный тормозной механизм
Колодка с накладками
Барабан стояночного тормоза
Установка рабочих тормозных механизмов
Корпус тормоза
Установка выключателя гидравлического тормоза
Клапан защитный двойной
Пневмогидроаккумулятор
Установка пневмоаппарата
Установка трубопроводов компрессора
Противозамерзатель
Клапан защитный одинарный
Цилиндр пневматический БелАЗ-7555А
Сапун
Установка подпорного клапана и механизма управления тормозом-замедлителем
Корпус тормоза-замедлителя
Клапан
Ротор со ступицей
Втулка с кольцами
Механизм управления тормозом-замедлителем
Корпус подпорного клапана
Рычаг регулировочный
Схема электрооборудования (монтаж проводов на шасси БелАЗ-7555А)
Схема электрооборудования (монтаж проводов на шасси БелАЗ-7555В)
Схема электрооборудования (монтаж проводов в кабине БелАЗ-7555А)
Схема электрооборудования (монтаж проводов в кабине БелАЗ-7555В)
Установка аккумуляторных батарей БелАЗ-7555А
Установка аккумуляторных батарей БелАЗ-7555В
Установка фар и подфарников
Установка задних фонарей и задней фары
Установка щитка подогревателя
Реле давления
Панель приборов БелАЗ-7555А
Панель приборов БелАЗ-7555В
Шестерня ведомая привода спидометра
Втулка шестерни ведомой привода спидометра
Инструмент водителя
Приспособления
Установка инструментального ящика
Установка огнетушителя
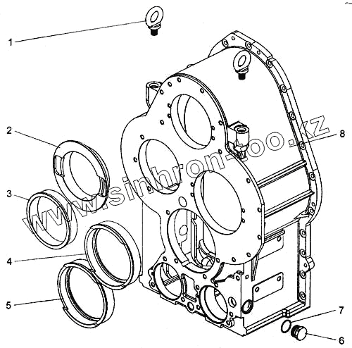
1
2
3
4
5
6
7
8
Позиция на иллюстрации
Заводской номер детали
Название детали
1
7548-1701698
Рым-болт
2
75551-1701470
Стакан
3
7548-1701315
Стакан
4
75551-1701316
Стакан
5
75551-1701315
Стакан
6
344373
Пробка
7
040-045-30-2-2
Кольцо
8
75551-17011312
Картер коробки передач
Содержащиеся в справочниках-каталогах запасные части и детали не предлагаются к продаже, а носят исключительно информационный характер
Дополнительная информация
×
Название:
Номер:
Примечание: