Вернуться на главную
Поиск
Каталоги запчастей к технике
Грузовые автомобили и прицепы
БелАЗ
БелАЗ-7549
Рама БелАЗ-7549
Каталог запасных частей к технике: БелАЗ-7549. Рама БелАЗ-7549
zoom-in
zoom-out
enlarge
shrink
circle-right
circle-left
file-text2
info
cart
Тип техники
Не выбрано
Легковые автомобили
Грузовые автомобили и прицепы
Автобусы
Сельхозтехника
Спецтехника
Двигатели
Мототехника
Марка
Не выбрано
BAW
DAF
DongFeng
FAW
Foton
HOWO
Hyundai
IVECO
JAC Motors
LGMG
MAN
Shaanxi
SITRAK
Studebaker
Tata
Volvo
Автокомпонент Плюс
БелАЗ
Брянский Арсенал
ГАЗ
ЗИЛ
КАЗ
Камский автозавод
КрАЗ
Мадара
МАЗ
МЗКТ
МоАЗ
Нефтекамский автозавод
Ставропольский Завод АвтоПрицепов
ТАТРА
Тонар
УралАЗ
ЧМЗАП
Модель
Не выбрано
75131 (2016)
75131 (2017)
75302, 75306, 75307, 75309 (2016)
7540 (А, В, Е, С, D, К) (2015)
75450 (2010)
7547, 75473 (2014)
75581, 75583 (2015)
76470 (дополнение) (2017)
БелАЗ-540А (1975)
БелАЗ-7512 (2002)
БелАЗ-7513 (2002)
БелАЗ-75131 (2008)
БелАЗ-75131 (2012)
БелАЗ-75131 (доп. к каталогу) (2015)
БелАЗ-7522
БелАЗ-7523
БелАЗ-75231
БелАЗ-75306 (2010)
БелАЗ-7540
БелАЗ-75401
БелАЗ-7540B (2009)
БелАЗ-7540C (2009)
БелАЗ-7540D (2009)
БелАЗ-7540K (2009)
БелАЗ-7540А (2009)
БелАЗ-7547
БелАЗ-7548А (2000)
БелАЗ-7549 (2002)
БелАЗ-7555A
БелАЗ-75600 (2010)
БелАЗ-76470 (2012)
Общий (см. мод-ции)
Схема
>
Не выбрано
Установка кабины и оперения на БелАЗ-7549
Установка кабины и оперения на БелАЗ-7512,75123
Кабина
Стеклоочиститель и стеклоомыватель
Зеркало заднего вида и противосолнечный козырек
Установка сидений
Радиоприемник и его установка
Огнетушитель
Площадки моторного отсека
Кожух пола и его установка
Дверь кабины
Капоты БелАЗ-7549
Капоты БелАЗ-7512, 75123
Отопитель кабины и его установка
Отопитель кабины
Вентилятор кабины и его установка
Платформа БелАЗ-7549
Платформа БелАЗ-7512,75123
Установка цилиндров опрокидывающего механизма
Цилиндр опрокидывающего механизма
Трубопроводы опрокидывающего механизма БелАЗ-7549
Трубопроводы опрокидывающего механизма самосваловБелАЗ-7512,75123
Гидрораспределитель
Гидрораспределитель управления
Гидрораспределитель блокировки подъема платформы
Гидрораспределитель дополнительный
Клапан управления
Бак масляный и фильтр БелАЗ-7549
Детали масляного бака БелАЗ-7549
Бак масляный и фильтр БелАЗ-7512,75123
Детали масляного бака БелАЗ-7512,75123
Насосы опрокидывающего механизма
Установка дизель-генератора на БелАЗ-7549
Установка дизель-генератора на БелАЗ-7512, 75123
Тяга крепления дизель-генератора
Топливные трубопроводы БелАЗ-7549
Топливные трубопроводы БелАЗ-7512,75123
Бак топливный
Электронагреватель топливного бака
Обогреватель топлива с фильтром
Фильтр грубой очистки топлива
Насос топливный
Кран топливный
Привод управления подачей топлива
Установка воздушного фильтра на БелАЗ-7549
Установка воздушного фильтра на БелАЗ-7512,75123
Фильтр воздушный БелАЗ-7549
Фильтр воздушный БелАЗ-7512,75123
Трубопроводы системы выпуска отработавших газов БелАЗ-7549
Трубопроводы системы выпуска отработавших газов БелАЗ-7512,75123
Маслопроводы двигателя БелАЗ-7549
Маслопроводы двигателя БелАЗ-7512, 75123
Радиатор водомасляный
Бак масляный и сапун БелАЗ-7549
Бак масляный и сапун БелАЗ-7512, 75123
Тройник маслопровода
Электронагреватель масляного бака
Насос маслозакачивающий
Трубопровода системы охлаждения БелАЗ-7549
Трубопроводы системы охлаждения БелАЗ-7512,75123
Подвеска радиаторов и кожух вентилятора на БелАЗ-7549
Подвеска радиаторов и кожух вентилятора на БелАЗ-7512,75123
Блок радиаторов
Радиатор контура охлаждения двигателя (малая секция)
Радиатор контура охлаждения двигателя (большая секция)
Радиатор контура охлаждения наддувочного воздуха
Заслонка
Кран сливной
Жалюзи радиаторов и их привод
Жалюзи радиатора контура охлаждения двигателя
Жалюзи радиатора контура охлаждения наддувочного воздуха
Пневмопереключатель
Мост задний БелАЗ-7512,75123
Рама БелАЗ-7549
Рама БелАЗ-7512,75123
Установка передней и задней подвески на БелАЗ-7549
Установка передней и задней подвески на БелАЗ-7512,75123
Цилиндр подвески
Крышка верхняя цилиндра подвески
Крышка нижняя цилиндра подвески
Насос
Колесо переднее с тормозом и поворотным механизмом самосвала БелАЗ-7549
Колесо переднее с тормозом и поворотным механизмом самосвала БелАЗ-7512, 75123
Цилиндр колесный переднего тормоза
Колеса и детали их крепления
Детали колес
Установка электромотор-колеса на БелАЗ-7549
Электромотор-колесо БелАЗ-7549
Электромотор-колесо БелАЗ-7512,75123
Датчик ограничения скорости
Редуктор электромотор-колеса БелАЗ-7549
Редуктор электромотор-колеса БелАЗ-7512,75123
Ряд первый редуктора электромотор-колеса БелАЗ-7549
Ряд первый редуктора электромотор-колеса БелАЗ-7512,75123
Корпус редуктора и тормозной механизм БелАЗ-7549
Корпус редуктора и тормозной механизм БелАЗ-7512,75123
Ступица заднего колеса БелАЗ-7549
Ступица заднего колеса БелАЗ-7512,75123
Установка тяг трапеции, цилиндров поворота и следящей системы БелАЗ-7549
Установка тяг трапеции, цилиндров поворота и следящей системы БелАЗ-7512,75123
Тяга рулевой трапеции
Установка колонки рулевого управления
Установка пневмогидроаккумуляторов
Пневмогидроаккумулятор
Трубопроводы управления гидрораспределителем БелАЗ-7549
Трубопроводы управления гидрораспределителем самосвалов БелАЗ-7512,75123
Трубопроводы рулевого управления БелАЗ-7549
Трубопроводы рулевого управления БелАЗ-7512,75123
Гидрораспределитель
Тяга следящей системы
Цилиндр следящий
Цилиндр поворота БелАЗ-7549
Цилиндр поворота БелАЗ-7512,75123
Колонка рулевого управления
Блок разгрузочно-перепускных клапанов
Фильтр
Цилиндр колесный заднего тормоза
Рычаг регулировочный
Цилиндр стояночного тормоза
Трубопроводы стояночной и запасной тормозных систем БелАЗ-7549
Трубопроводы стояночной и запасной тормозных систем БелАЗ-7512,75123
Трубопроводы рабочей тормозной системы БелАЗ-7549
Трубопроводы рабочей тормозной системы БелАЗ-7512,75123
Привод управления рабочей тормозной системой
Главный цилиндр тормоза
Привод управления стояночной и запасной тормозными системами
Трубопроводы компрессора БелАЗ-7549
Трубопроводы компрессора БелАЗ-7512,75123
Водоотделитель
Регулятор давления
Кран тормозной
Противозамерзатель БелАЗ-7549
Противозамерзатель БелАЗ-7512,75123
Клапан контрольного вывода
Золотник отключения насоса с арматурой
Золотник отключения насоса
Установка генератора
Установка фар, передних фонарей и боковых указателей поворота
Фары, передние и задние фонари и боковые указатели поворота
Установка задних фонарей и задней фары
Установка электрооборудования на БелАЗ-7549
Установка электрооборудования на БелАЗ-7512,75123
Установка вентиляторов электромотор-колеса и генератора-возбудителя на БелАЗ-7549е
Блок вентиляторов
Генератор-возбудитель с редуктором
Редуктор привода вентиляторов с опорой картера
Картер и ведущий вал редуктора привода вентиляторов
Конические шестерни редуктора привода вентиляторов
Вентилятор охлаждения тяговых электродвигателей БелАЗ-7549
Установка вентилятора электромотор-колеса и генератора возбудителя на БелАЗ-7512,75123
Вентилятор с генератором-возбудителем
Вентилятор охлаждения тяговых электродвигателей БелАЗ-7512,75123
Синхронный генератор и его установка
Фильтр и всасывающий воздухопровод системы охлаждения электромотор-колес
Фильтр циклонный
Нагнетательный воздухопровод системы охлаждения электромотор-колес БелАЗ-7549
Нагнетательный воздухопровод системы охлаждения электромотор-колес БелАЗ-7512,75123
Шкаф с пускорегулирующей аппаратурой
Аппаратура пускорегулирующая
Аппаратура пускорегулирующая (реверсор и реле)
Отопитель шкафа и элементы его подключения
Отопитель шкафа
Шкаф пускорегулирующей аппаратуры
Монтаж силовых проводов на БелАЗ-7549
Монтаж проводов управления на БелАЗ-7549
Монтаж силовых проводов на БелАЗ-7512,75123
Монтаж проводов управления на БелАЗ:7512,75123
Трансформатор постоянного тока
Воздухозаборник системы охлаждения тягового генератора БелАЗ-7549
Воздухозаборник системы охлаждения тягового генератора БелАЗ-7512,75123
Привод тормозного контроллера
Контроллер ходовой
Контроллер тормозной
Электродвигатель тяговый с тормозным механизмом
Реле давления
Сигнал звуковой
Электрооборудование кабины
Установка аккумуляторных батарей на Белаз-7549
Установка аккумуляторных батарей на Белаз-7512,75123
Электрооборудование шасси Белаз-7549
Электрооборудование шасси Белаз-7512,75123
Шкаф с электрооборудованием
Шкаф низковольтного электрооборудования
Панель приборов
Коробка отбора мощности и карданные валы БелАЗ-7549
Коробка отбора мощности и карданные валы БелАЗ-7512,75123
Картер, ведущий вал и вал привода насоса тормозной системы БелАЗ-7549
Промежуточный вал, вал привода насосов механизма подъема платформы и вал привода синхронного и низковольтного генераторов БелАЗ-7549
Картер, промежуточный вал и валы привода синхронного низковольтного генераторов и насоса тормозной системы БелАЗ-7512,75123
Вал ведущий и валы привода насосов механизма подъема платформы БелАЗ-7512,75123
Вал карданный привода коробки отбора мощности
Вал карданный привода генератора-возбудителя БелАЗ-7549
Вал карданный привода вентилятора БелАЗ-7512,75123
Установка предпускового подогревателя на БелАЗ-7549
Установка предпускового подогревателя на БелАЗ-7512, 75123
Система пневмостартерного пуска двигателя БелАЗ-7549
Система пневмостартерного пуска двигателя БелАЗ-7512, 75123
Баллон воздушный с кронштейном БелАЗ-7549
Баллон воздушный с кронштейном БелАЗ-7512, 75123
Дозатор смазки
Кран запорный
Клапан защитный одинарный
Комплект инструмента и принадлежностей
Инструмент специальный
Комплект съемников
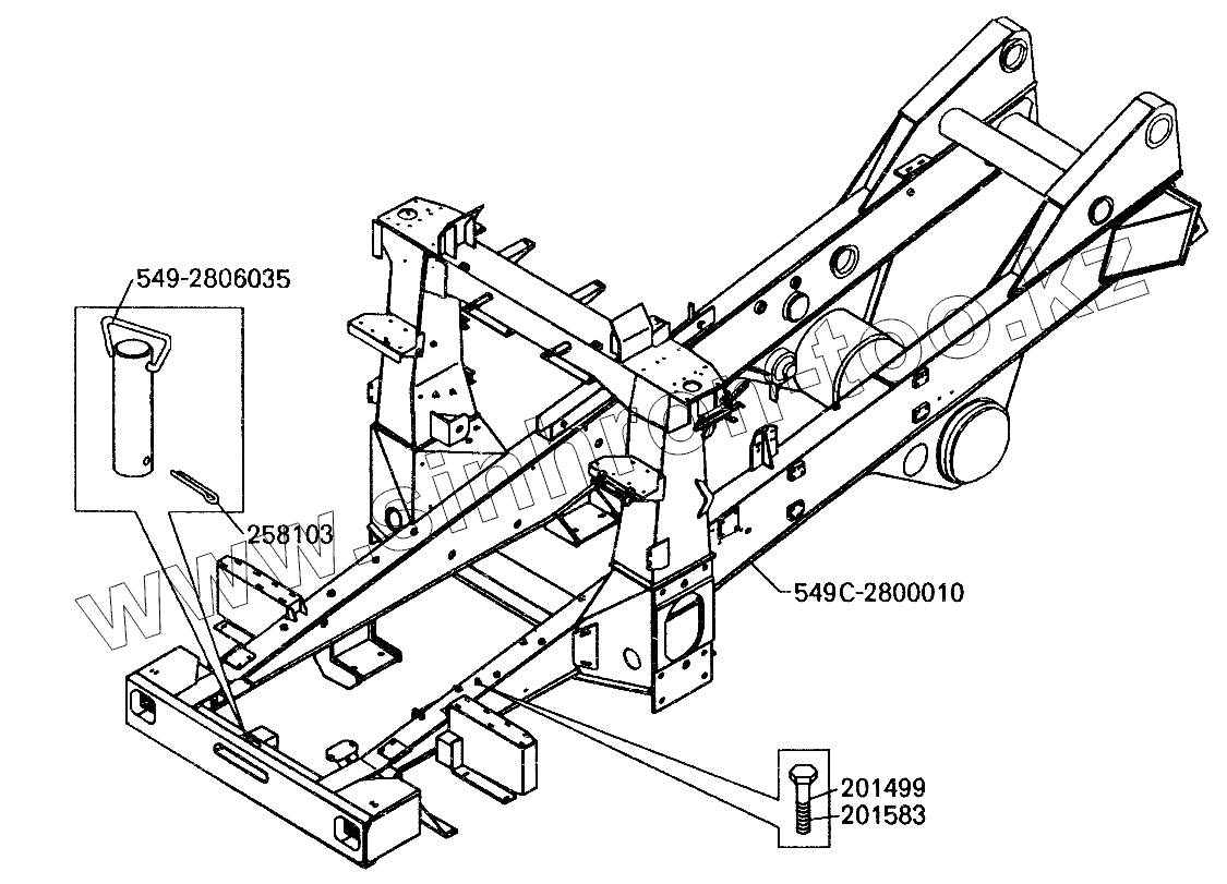
201583
201499
549С-2800010
549-2806035
258103
Позиция на иллюстрации
Заводской номер детали
Название детали
201583
201583
Болт М14х25
201499
201499
Болт
549С-2800010
549С-2800010
Рама
549-2806035
549-2806035
Шкворень буксира
258103
258103
Шплинт
Содержащиеся в справочниках-каталогах запасные части и детали не предлагаются к продаже, а носят исключительно информационный характер
Дополнительная информация
×
Название:
Номер:
Примечание: