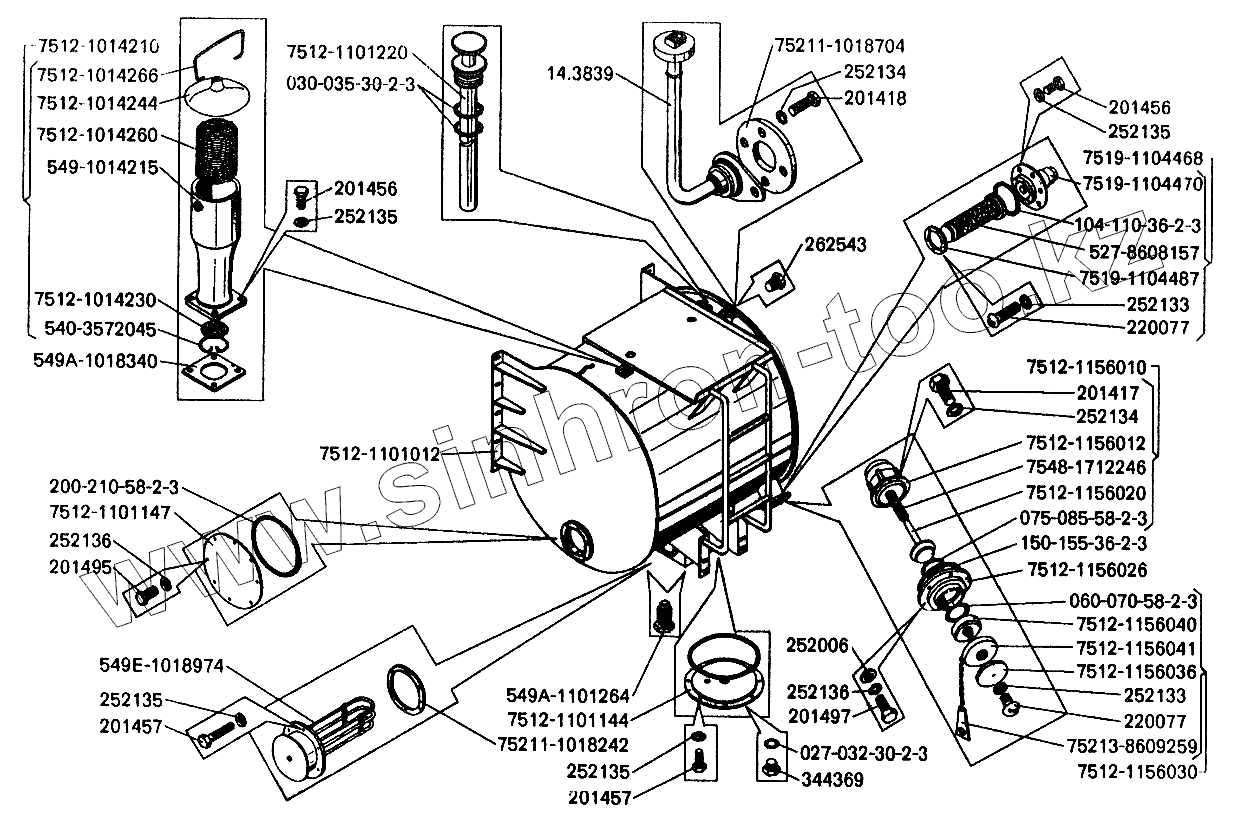
Каталог запасных частей к технике: БелАЗ-7549. Бак топливный
7519-1104468
7512-1014244
7512-1014230
75213-8608259
344369
549А-1101264
262543
549А-1018340
75211-1018242
7548-1712246
7512-1156036
7512-1014210
7519-1104470
7512-1101147
7512-1014260
7512-1156026
7519-1104487
75211-1018704
252133
252133
252134
252134
252135
252135
252135
252135
252006
252136
252136
7512-1101220
549Е-1018974
027-032-30-2-3
201456
201456
201417
201457
201457
201497
201418
220077
220077
14.3839
7512-1014266
527-8608157
7512-1156020
7512-1156010
104-110-36-2-3
200-210-58-2-3
201495
030-035-30-2-3
150-155-36-2-3
060-070-58-2-3
075-085-58-2-3
540-3572045
549-1014215
7512-1101012
7512-1156012
7512-1156030
7512-1156040
7512-1156041
7512-1101144
| Позиция на иллюстрации | Заводской номер детали | Название детали | |
|---|---|---|---|
| 7519-1104468 | 7519-1104468 | Трубопровод | |
| 7512-1014244 | 7512-1014244 | Крышка | |
| 7509-1018992 | 7509-1018992 | Крышка | |
| 7512-1014230 | 7512-1014230 | Отражатель | |
| 75213-8608259 | 75213-8608259 | Пластина | |
| 344369 | 344369 | Пробка | |
| 549А-1101264 | 549А-1101264 | Пробка сливного крана | |
| 262543 | 262543 | Пробка | |
| 549А-1018340 | 549А-1018340 | Прокладка | |
| 75211-1018242 | 75211-1018242 | Прокладка | |
| 7548-1712246 | 7548-1712246 | Пружина | |
| 7512-1156036 | 7512-1156036 | Ручка | |
| 7512-1014210 | 7512-1014210 | Сапун в сборе | |
| 7519-1104470 | 7519-1104470 | Труба | |
| 7512-1101147 | 7512-1101147 | Крышка | |
| 7512-1014260 | 7512-1014260 | Фильтр | |
| 7512-1156026 | 7512-1156026 | Фланец | |
| 7519-1104487 | 7519-1104487 | Фланец прижимной | |
| 75211-1018704 | 75211-1018704 | Фланец | |
| 75213-8608750 | 75213-8608750 | Цепочка | |
| 252133 | 252133 | Шайба | |
| 252134 | 252134 | Шайба | |
| 252135 | 252135 | Шайба | |
| 252006 | 252006 | Шайба | |
| 252136 | 252136 | Шайба | |
| 7512-1101220 | 7512-1101220 | Щуп | |
| 549Е-1018974 | 549Е-1018974 | Электронагреватель | |
| 027-032-30-2-3 | 027-032-30-2-3 | Кольцо | |
| 201456 | 201456 | Болт | |
| 201417 | 201417 | Болт | |
| 201457 | 201457 | Болт | |
| 201497 | 201497 | Болт | |
| 201418 | 201418 | Болт | |
| 220077 | 220077 | Винт | |
| 14.3839 | 14.3839 | Датчик уровня | |
| 7512-1014266 | 7512-1014266 | Замок | |
| 527-8608157 | 527-8608157 | Каркас с сеткой в сборе | |
| 7512-1156020 | 7512-1156020 | Клапан | |
| 7512-1156010 | 7512-1156010 | Клапан в сборе | |
| 104-110-36-2-3 | 104-110-36-2-3 | Кольцо | |
| 200-210-58-2-3 | 200-210-58-2-3 | Кольцо | |
| 201495 | 201495 | Болт | |
| 030-035-30-2-3 | 030-035-30-2-3 | Кольцо | |
| 150-155-36-2-3 | 150-155-36-2-3 | Кольцо | |
| 060-070-58-2-3 | 060-070-58-2-3 | Кольцо | |
| 075-085-58-2-3 | 075-085-58-2-3 | Кольцо | |
| 540-3572045 | 540-3572045 | Кольцо | |
| 549-1014215 | 549-1014215 | Корпус | |
| 7512-1101012 | 7512-1101012 | Корпус бака | |
| 7512-1156012 | 7512-1156012 | Корпус клапана | |
| 7512-1156030 | 7512-1156030 | Крышка в сборе | |
| 7512-1156040 | 7512-1156040 | Крышка | |
| 7512-1156041 | 7512-1156041 | Крышка | |
| 7512-1101144 | 7512-1101144 | Крышка |
Содержащиеся в справочниках-каталогах запасные части и детали не предлагаются к продаже, а носят исключительно информационный характер