Вернуться на главную
Поиск
Каталоги запчастей к технике
Грузовые автомобили и прицепы
БелАЗ
БелАЗ-7548А
Установка задних фонарей и задней фары
Каталог запасных частей к технике: БелАЗ-7548А. Установка задних фонарей и задней фары
zoom-in
zoom-out
enlarge
shrink
circle-right
circle-left
file-text2
info
cart
Тип техники
Не выбрано
Легковые автомобили
Грузовые автомобили и прицепы
Автобусы
Сельхозтехника
Спецтехника
Двигатели
Мототехника
Марка
Не выбрано
BAW
DAF
DongFeng
FAW
Foton
HOWO
Hyundai
IVECO
JAC Motors
LGMG
MAN
Shaanxi
SITRAK
Studebaker
Tata
Volvo
Автокомпонент Плюс
БелАЗ
Брянский Арсенал
ГАЗ
ЗИЛ
КАЗ
Камский автозавод
КрАЗ
Мадара
МАЗ
МЗКТ
МоАЗ
Нефтекамский автозавод
Ставропольский Завод АвтоПрицепов
ТАТРА
Тонар
УралАЗ
ЧМЗАП
Модель
Не выбрано
75131 (2016)
75131 (2017)
75302, 75306, 75307, 75309 (2016)
7540 (А, В, Е, С, D, К) (2015)
75450 (2010)
7547, 75473 (2014)
75581, 75583 (2015)
76470 (дополнение) (2017)
БелАЗ-540А (1975)
БелАЗ-7512 (2002)
БелАЗ-7513 (2002)
БелАЗ-75131 (2008)
БелАЗ-75131 (2012)
БелАЗ-75131 (доп. к каталогу) (2015)
БелАЗ-7522
БелАЗ-7523
БелАЗ-75231
БелАЗ-75306 (2010)
БелАЗ-7540
БелАЗ-75401
БелАЗ-7540B (2009)
БелАЗ-7540C (2009)
БелАЗ-7540D (2009)
БелАЗ-7540K (2009)
БелАЗ-7540А (2009)
БелАЗ-7547
БелАЗ-7548А (2000)
БелАЗ-7549 (2002)
БелАЗ-7555A
БелАЗ-75600 (2010)
БелАЗ-76470 (2012)
Общий (см. мод-ции)
Схема
>
Не выбрано
Кабина (16.1)
Установка кабины
Установка стеклоочистителя и стеклоомывателя
Дверь кабины (16.2)
Установка сидений
Установка площадок моторного отсека
Вентилятор кабины
Установка отопителя кабины
Отопитель кабины
Установка зеркал заднего вида
Установка противосолнечного козырька
Установка капотов
Крылья и подножки
Установка брызговиков
Платформа
Цилиндр опрокидывающего механизма
Блок гидрораспределителей управления (17.4, 17.9)
Гидрораспределитель управления (17.9)
Трубопроводы управления опрокидывающим механизмом
Трубопроводы опрокидывающего механизма самосвалов БелАЗ-7548А, 75481
Трубопроводы опрокидывающего механизма самосвала БелАЗ-75483
Установка насосов
Панель управления самосвалов БелАЗ-7548А, 75481 (17.5)
Панель управления самосвала БелАЗ-75483 (17.6)
Кран управления (17.8)
Масляный бак опрокидывающего механизма самосвалов БелАЗ-7548А, 75481
Масляный бак опрокидывающего механизма самосвалов БелАЗ-75483
Установка двигателя на самосвале БелАЗ-7548А
Установка двигателя на самосвале БелАЗ-75481
Установка двигателя на самосвале БелАЗ-75483
Масляные трубопроводы двигателя самосвалов БелАЗ-7548А
Теплообменник водомасляный (1.4)
Установка масляного фильтра
Установка воздушных фильтров на самосвалах БелАЗ-7548А, 75481
Установка воздушных фильтров на самосвале БелАЗ-75483
Фильтр воздушный (2.1)
Топливные трубопроводы самосвала БелАЗ-7548А
Топливные трубопроводы самосвала БелАЗ-75481
Топливные трубопроводы самосвала БелАЗ-75483
Бак топливный (2.4, 2.5, 2.6)
Фильтр грубой очистки топлива (2.5)
Привод управления подачей топлива самосвала БелАЗ-7548А
Привод управления подачей топлива БелАЗ-75481
Привод управления подачей топлива самосвала БелАЗ-75483
Установка системы выпуска отработавших газов на самосвалах БелАЗ-7548А, 7548127
Установка системы выпуска отработавших газов на самосвале БелАЗ-75483
Трубопроводы системы охлаждения самосвала БелАЗ-7548А
Трубопроводы системы охлаждения самосвала БелАЗ-75481
Трубопроводы системы охлаждения самосвала БелАЗ-75483
Вентиляторы и их привод на самосвалах БелАЗ-7548А, 75483
Вентиляторы и их привод на самосвале БелАЗ-75481
Блок радиаторов самосвалов БелАЗ-7548А,75481 (4.1.4.2)
Блок радиаторов самосвала БелАЗ-75483 (4.3)
Радиатор водяной (ширина 800 мм) (4.8. 4.7)
Радиатор (ширина 200 мм) (4.6)
Радиатор водяной (ширина 600 мм) (4.6, 4.7)
Привод вентилятора (4.4)
Ролик натяжной (4.4, 4.5)
Вентилятор с электромагнитной муфтой (4.5)
Привод вентилятора с кронштейном (4.5)
Жалюзи радиаторов и их привод
Жалюзи радиаторов самосвалов БелАЗ-7548А, 75481
Жалюзи радиаторов самосвала БелАЗ-75483
Пневмопереключатель (4.15)
Установка гидромеханической передачи
Гидромеханическая передача (согласующая передача и гидротрансформатор с коробкой передач)
Гидромеханическая передача (фильтр тонкой очистки и трубопроводы тормоза-замедлителя)
Картер коробки передач
Картер гидромеханической передачи
Ведущий вал
Диапазонный вал
Реверсивный вал
Ведомый вал
Фрикцион (.6-5.9)
Насос масляный (5.2)
Маслозаборник и полнопоточный фильтр
Гидротрансформатор
Картер гидротрансформатора с приводом насосов
Золотниковая коробка (5.5)
Клапан корректирующий (5.5)
Механизм управления (5.5)
Картер, ведущий и промежуточный валы согласующей передачи (5.2)
Ведомый вал согласующей передачи (5.2)
Установка трубопроводов и шлангов гидромеханической передачи на самосвале БелАЗ-7548А
Установка трубопроводов и шлангов гидромеханической передачи на самосвале БелАЗ-75481
Установка трубопроводов и шлангов гидромеханической передачи на самосвале БелАЗ-75483
Установка карданных валов
Вал карданный заднего моста (6.1)
Вал карданный привода гидромеханической передачи (6.1)
Муфта упругая (6.1)
Мост задний с тормозами и ступицами
Картер заднего моста
Главная передача (7.1)
Ведущая шестерня главной передачи
Дифференциал и полуоси (7.3)
Колесная передача (7.1)
Рама
Установка передней и задней подвески
Штанга передней подвески (9.1)
Вилка и штанга задней подвески (9.1)
Цилиндр подвески (9.1)
Передняя ось
Детали передней оси
Тяга рулевой трапеции
Колеса и детали их крепления
Детали колес
Ступица переднего колеса
Ступица заднего колеса (7.1)
Установка рулевого управления
Установка кожухов и кронштейнов с колонкой
Кронштейн с колонкой
Карданный вал рулевого управления (11.1)
Установка трубопроводов рулевого управления
Механизм рулевой (11.5)
Клапан предохранительный (11.5)
Электродвигатель аварийного привода рулевого управления
Цилиндр поворота
Трубопроводы и аппараты пневматического привода тормозной системы самосвала БеяАЗ-7548А
Трубопроводы и аппараты пневматического привода тормозной системы самосвала БелАЗ-75481
Трубопроводы и аппараты пневматического привода тормозной системы самосвала БелАЗ-75483
Установка привода механизмов управления тормозами
Трубопроводы компрессора
Компрессор (13.5)
Влагоотделитель (13.1, 13.2, 13.3)
Регулятор давления (13.1, 13.2, 13.3)
Установка ресиверов на самосвалах БелАЗ-7548А, 75481
Установка ресиверов на самосвале БелАЗ-75483
Кран управления тормозами (13.4)
Клапан защитный одинарный (13.1, 13.2, 13.3)
Клапан защитный двойной (13.1, 13.2, 13.3)
Клапан контрольного вывода (13.1, 13.2, 13.3)
Клапан ускорительный (13.1, 13.2, 13.3)
Клапан ограничения давления (13.1, 13.2, 13.3)
Противозамерзатель (13.1, 13.2, 13.3)
Кран тормозной ручной (13.1, 13.2, 13.3)
Детали колесного тормоза
Цилиндр тормозной
Цилиндр пневматический (2.9, 2.10)
Тормоз-замедлитель
Механизм управления тормозом-замедлителем и подпорный клапан
Механизм привода управления тормозом-замедлителем (5.5)
Механизм управления тормозом-замедлителем (5.22)
Детали колесного тормоза (7.1)
Цилиндр тормозной (7.1)
Стояночный тормозной механизм
Регулировочный рычаг (7.10)
Цилиндр стояночной тормозной системы (7.1)
Электрооборудование шасси самосвала БелАЗ-7548А
Электрооборудование шасси самосвала БелАЗ-75481
Электрооборудование шасси самосвала БелАЗ-75483
Электрооборудования кабины
Установка фар, подфарников и звукового сигнала
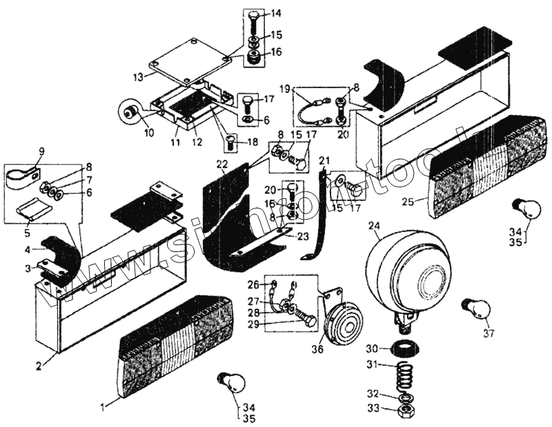
Установка задних фонарей и задней фары
Ящик аккумуляторных батарей
Установка включателя гидравлического тормоза
Панель приборов самосвалов БелАЗ-7548А, 75481
Панель приборов самосвала БелАЗ-75483
Комплект инструмента и принадлежностей
Инструмент специальный
Подшипники
Подшипники
1
2
3
4
5
6
7
8
9
10
11
12
13
14
15
16
17
18
19
20
21
22
23
24
25
26
27
28
29
30
31
32
33
34
35
36
37
Позиция на иллюстрации
Заводской номер детали
Название детали
6422-3724538
6422-3724538
Уплотнитель
1
ФП130-В
Фонарь задний левый
2
549А-3716026
Кронштейн заднего фонаря
3
549А-3716052
Пластина прижимная
4
549А-3716062
Амортизатор
5
540А-1104519-01
Прокладка
6
252134
Шайба
7
252004
Шайба
8
250508
Гайка
9
315407
Кляммер
10
64211-3724538
Уплотнитель
11
6422-3724514
Основание
12
7548-3723043
Кронштейн
13
7548-3724750
Крышка
14
373800
Винт
15
252037
Шайба
16
6422-3724544
Гайка
17
201418
Болт
18
220079
Винт
19
549Б-3724222
Перемычка
20
201422
Болт
21
750906-3716392
Ремень брызговика
22
7522-3716395
Брызговик заднего фонаря
23
7522-3716388
Усилитель
24
ФГ16-К
Фара поворотная задняя
25
ФП130-Г
Фонарь задний правый
26
7548-3724190
Перемычка
27
250510
Гайка
28
252135
Шайба
29
201456
Болт
30
540-377030
Чашка опорная
31
501-3507063
Пружина
32
252007
Шайба
33
250515
Гайка
34
А24-21-3
Лампа
35
А24-5-1
Лампа
36
С314Г
Сигнал звуковой заднего хода
37
А24-60+40
Лампа
Содержащиеся в справочниках-каталогах запасные части и детали не предлагаются к продаже, а носят исключительно информационный характер
Дополнительная информация
×
Название:
Номер:
Примечание: