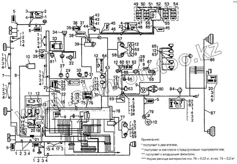
Каталог запасных частей к технике: БелАЗ-7548А. Электрооборудование шасси самосвала БелАЗ-75483
1
2
3
4
5
6
7
8
9
10
11
12
13
14
15
16
17
18
19
20
21
22
23
24
25
26
27
28
29
30
31
32
33
34
35
36
37
38
39
40
41
42
43
44
45
46
47
48
49
50
51
52
53
54
55
56
57
58
59
60
61
62
63
64
65
66
67
68
69
70
71
72
73
74
75
76
77
78
79
80
81
82
83
84
85
86
87
| Позиция на иллюстрации | Заводской номер детали | Название детали | |
|---|---|---|---|
| 1 | 548А-1104696-01 | Прокладка | |
| 2 | 315406 | Кляммер | |
| 3 | 252134 | Шайба | |
| 4 | 201418 | Болт | |
| 5 | 525-3506210 | Втулка | |
| 6 | 549А-2108247 | Кольцо | |
| 7 | 75483-3724026 | Жгут проводов фар | |
| 8 | 75406-3724292 | Жгут проводов | |
| 9 | 540А-3724044 | Чехол защитный | |
| 10 | МБП-3Н | Электродвигатель предпускового подогревателя (поступает в комплекте с предпусковым подогревателем) | |
| 11 | 549А-3724218 | Перемычка | |
| 12 | 7522-3724072 | Колпачок защитный | |
| 13 | 549Б-3747290 | Диод с перемычкой | |
| 14 | 5320-3721500 | Клапан с электромагнитом | |
| 15 | 549А-3724394 | Прокладка | |
| 16 | 7548-3724289 | Провод аварийного привода рулевого управления | |
| 17 | 379198 | Кляммер | |
| 18 | 315407 | Кляммер | |
| 19 | 540А-1104519-01 | Прокладка | |
| 20 | 201422 | Болт | |
| 21 | П600-1015410 | Пульт управления предпусковым подогревателем (поступает в комплекте с предпусковым подогревателем) | |
| 22 | ПД308-А | Лампа подкапотная | |
| 23 | 252004 | Шайба | |
| 24 | 250508 | Гайка | |
| 25 | 540-3715054 | Втулка амортизационная | |
| 26 | 549-2105543 | Хомут | |
| 27 | Датчик температуры (поступает с двигател | Датчик температуры (поступает с двигателем) | |
| 28 | 7530-3738343 | Переходник | |
| 29 | Датчик тахометра (поступает с двигателем | Датчик тахометра (поступает с двигателем) | |
| 30 | Датчик давления (поступает с двигателем) | Датчик давления (поступает с двигателем) | |
| 31 | Датчик аварийного давления масла (поступ | Датчик аварийного давления масла (поступает с двигателем) | |
| 32 | Датчик аварийной температуры воды (посту | Датчик аварийной температуры воды (поступает с двигателем) | |
| 33 | Генератор (поступает с двигателем) | Генератор (поступает с двигателем) | |
| 34 | Датчик засоренности воздушных фильтров ( | Датчик засоренности воздушных фильтров (поступает с воздушным фильтром) | |
| 35 | 201495 | Болт | |
| 36 | 252006 | Шайба | |
| 37 | 252136 | Шайба | |
| 38 | 540-3724090-02 | Провод соединения двигателя с рамой | |
| 39 | Стартер (поступает с двигателем) | Стартер (поступает с двигателем) | |
| 40 | 540А-3724050 | Провод от аккумуляторных батарей | |
| 41 | 220084 | Винт | |
| 42 | 250464 | Гайка | |
| 43 | 252133 | Шайба | |
| 44 | 17.3723000 | Панель соединительная | |
| 45 | 535А-3724021 | Втулка гибкого рукава | |
| 46 | 7540-3724144 | Гибкий рукав | |
| 47 | 549А-3724392 | Прокладка | |
| 48 | 344621 | Кляммер | |
| 49 | 540-3724070-01 | Перемычка | |
| 50 | 540-3724060-01 | Перемычка | |
| 51 | 540-3724056-01 | Перемычка | |
| 52 | 540-3724052 | Перемычка | |
| 53 | 540-3724082 | Перемычка | |
| 54 | 6СТ-132 | Батарея аккумуляторная | |
| 55 | 7421-3723060 | Вилка штепсельная разъема | |
| 56 | ВК860-Б | Дистанционный выключатель «массы» | |
| 57 | 18,382901 | Датчик давления | |
| 58 | ММ124-В | Датчик аварийного давления воздуха | |
| 59 | 344196 | Тройник | |
| 60 | 250640 | Гайка | |
| 61 | 344845 | Штуцер | |
| 62 | 540-3829500-01 | Шланг маслопровода в сборе | |
| 63 | 15,3747 | Электромагнит | |
| 64 | 549А-3724247 | Перемычка | |
| 65 | 549Б-3724244 | Перемычка | |
| 66 | ВК12-Б | Выключатель | |
| 67 | 540-2917144 | Прокладка | |
| 68 | РС403-Б | Сигнализатор | |
| 69 | 75231-3724502 | Кронштейн | |
| 70 | 75483-3724030 | Жгут проводов | |
| 71 | 201456 | Болт | |
| 72 | 250510 | Гайка | |
| 73 | 252005 | Шайба | |
| 74 | 252135 | Шайба | |
| 75 | ЛКМ-105-0,15 | Лакоткань (0,2м квадратных) | |
| 76 | 1ПОЛ-20 | Лента изоляционная (0,02кг) | |
| 77 | ГТ-3М | Электродвигатель аварийного привода рулевого управления | |
| 78 | 75483-3724300 | Жгут проводовдов | |
| 79 | БМ144-Д | Датчик уровня топлива | |
| 80 | ММ111В | Датчик аварийного давления масла | |
| 81 | ТМ100-В | Датчик температуры | |
| 82 | 549Б-3724208 | Перемычка | |
| 83 | ТМ59-6000-38 | Наконечник резиновый | |
| 84 | 24.3802 | Датчик спидометра | |
| 85 | 548А-3724028-10 | Жгут проводов выключателя ««массы»» | |
| 86 | 7548-3724041 | Жгут проводов | |
| 87 | 7548-3724040 | Жгут проводов |
Содержащиеся в справочниках-каталогах запасные части и детали не предлагаются к продаже, а носят исключительно информационный характер