Вернуться на главную
Поиск
Каталоги запчастей к технике
Грузовые автомобили и прицепы
БелАЗ
БелАЗ-7547
Установка гидромеханической передачи
Каталог запасных частей к технике: БелАЗ-7547. Установка гидромеханической передачи
zoom-in
zoom-out
enlarge
shrink
circle-right
circle-left
file-text2
info
cart
Тип техники
Не выбрано
Легковые автомобили
Грузовые автомобили и прицепы
Автобусы
Сельхозтехника
Спецтехника
Двигатели
Мототехника
Марка
Не выбрано
BAW
DAF
DongFeng
FAW
Foton
HOWO
Hyundai
IVECO
JAC Motors
LGMG
MAN
Shaanxi
SITRAK
Studebaker
Tata
Volvo
Автокомпонент Плюс
БелАЗ
Брянский Арсенал
ГАЗ
ЗИЛ
КАЗ
Камский автозавод
КрАЗ
Мадара
МАЗ
МЗКТ
МоАЗ
Нефтекамский автозавод
Ставропольский Завод АвтоПрицепов
ТАТРА
Тонар
УралАЗ
ЧМЗАП
Модель
Не выбрано
75131 (2016)
75131 (2017)
75302, 75306, 75307, 75309 (2016)
7540 (А, В, Е, С, D, К) (2015)
75450 (2010)
7547, 75473 (2014)
75581, 75583 (2015)
76470 (дополнение) (2017)
БелАЗ-540А (1975)
БелАЗ-7512 (2002)
БелАЗ-7513 (2002)
БелАЗ-75131 (2008)
БелАЗ-75131 (2012)
БелАЗ-75131 (доп. к каталогу) (2015)
БелАЗ-7522
БелАЗ-7523
БелАЗ-75231
БелАЗ-75306 (2010)
БелАЗ-7540
БелАЗ-75401
БелАЗ-7540B (2009)
БелАЗ-7540C (2009)
БелАЗ-7540D (2009)
БелАЗ-7540K (2009)
БелАЗ-7540А (2009)
БелАЗ-7547
БелАЗ-7548А (2000)
БелАЗ-7549 (2002)
БелАЗ-7555A
БелАЗ-75600 (2010)
БелАЗ-76470 (2012)
Общий (см. мод-ции)
Схема
>
Не выбрано
Кабина
Установка кабины
Установка стеклоочистителя и стеклоомывателя
Дверь кабины
Установка сидений на самосвале БелАЗ-7547
Установка сидений на самосвале БелАЗ-75473
Установка площадок моторного отсека
Установка системы пожаротушения и огнетушителя
Установка отопителя кабины
Отопитель кабины
Установка зеркал заднего вида
Установка противосолнечного козырька
Установка брызговиков
Установка капотов
Крылья и подножки
Установка чехла капота
Платформа
Установка цилиндра опрокидывающего механизма
Цилиндр опрокидывающего механизма
Блок гидрораспределителей управления
Трубопроводы управления опрокидывающим механизмом
Трубопроводы опрокидывающего механизма
Панель управления
Клапан вспомогательный
Клапан предохранительный
Кран управления
Установка насосов
Масляный бак
Установка двигателя ЯМЗ-240 НМ 2 на самосвале БелАЗ-7547
Система пневмостартерного пуска двигателя
Дозатор смазки
Кран запорный
Установка пневмостартера
Пневмостартер
Пневмодвигатель
Привод пневмостартера
Установка предпускового подогревателя на самосвале БелАЗ-7547
Установка двигателя КТА 19-С на самосвале БелАЗ-75473
Установка фильтра тонкой очистки масла на самосвале БелАЗ-75473
Радиатор масляный (ширина 200м)
Установка теплообменника и маслопроводов
Теплообменник водомасляный
Установка воздушного фильтра на самосвале БелАЗ-7547
Установка воздушного фильтра на самосвале БелАЗ-75473
Фильтр воздушный
Установка топливного бака и топливопроводов на самосвале БелАЗ-7547
Бак топливный самосвала БелАЗ-7547
Установка топливного бака и топливопроводов на самосвале БелАЗ-75473
Бак топливный самосвала БелАЗ-75473
Обогреватель топлива с фильтром самосвала БелАЗ-75473
Привод управления подачей топлива самосвала БелАЗ-7547
Педаль привода подачи топлива и ее установка на самосвале БелАЗ-7547
Клапан пневматический самосвала БелАЗ-7547
Привод управления подачей топлива самосвала БелАЗ-75473
Установка системы выпуска отработавших газов на самосвале БелАЗ-7547
Установка системы выпуска отработавших газов на самосвале БелАЗ-75473
Трубопроводы системы охлаждения на самосвале БелАЗ-7547
Трубопроводы системы охлаждения на самосвале БелАЗ-7547
Вентиляторы и их привод
Блок радиаторов самосвала БелАЗ-7547
Блок радиаторов самосвала БелАЗ-75473
Радиатор водяной (ширина 800 мм)
Радиатор водяной (ширина 600 мм)
Привод вентилятора
Ролик натяжной
Установка жалюзи радиаторов и их привод
Установка жалюзи радиаторов на самосвале БелАЗ-7547
Установка жалюзи радиаторов на самосвале БелАЗ-75473
Установка гидромеханической передачи
Гидромеханическая передача. Согласующая передача и гидротрансформатор с коробкой передач
Гидромеханическая передача. Фильтр тонкой очистки и трубопроводы тормоза-замедлителя
Насос масляный передний
Гидротрансформатор с коробкой передач
Картер гидротрансформатора в сборе
Картер гидротрансформатора
Колесо насоса
Колесо турбины
Колесо первого (второго) реактора
Коробка передач. Картеры, установка тормоза замедлителя
Коробка передач. Установка первичного вала
Коробка передач. Установка реверсивного и диапазонного валов
Коробка передач. Установка выходного вала
Коробка передач. Установка маслозаборника и полнопоточного фильтра
Коробка передач. Установка крышек диапазонного, реверсивного валов и брызговиков шестерен
Картер коробки передач
Картер гидромеханической передачи
Коробка передач. Установка механизма управления гидромеханической передачей и золотниковой коробки
Вал первичный
Вал реверсивный (диапазонный)
Крышка диапазонного вала
Крышка реверсивного вала
Ступица гидротрансформатора
Фрикцион
Механизм управления гидромеханической передачей
Электромагнит
Механизм привода управления гидравлическим тормозом
Клапан корректирующий
Элемент фильтрующий маслозаборника
Элемент фильтрующий полнопоточного фильтра
Коробка золотниковая
Картер, ведущий и промежуточный валы согласующей передачи
Ведомый вал согласующей передачи
Установка трубопроводов и шлангов гидромеханической передачи на БелАЗ-7547
Установка трубопроводов и шлангов гидромеханической передачи на БелАЗ-75473
Пневмопереключатель
Установка карданных валов на самосвале БелАЗ-7547
Установка карданных валов на самосвале БелАЗ-75473
Вал карданный привода гидромеханической передачи
Вал карданный заднего моста
Муфта упругая
Мост задний с тормозами и ступицами самосвала БелАЗ-7547
Мост задний с тормозами и ступицами самосвала БелАЗ-75473
Детали картера заднего моста
Главная передача
Ведущая шестерня главной передачи
Дифференциал и полуоси
Колесная передача
Рама
Установка передней и задней подвески
Штанга передней подвески
Вилка и штанга задней подвески
Цилиндр подвески
Передняя ось
Детали передней оси
Тяга рулевой трапеции
Ступица заднего колеса самосвала БелАЗ-7547
Ступица заднего колеса самосвала БелАЗ-75473
Ступица переднего колеса
Установка задних колес
Установка передних колес
Детали колес
Установка рулевого управления
Механизм рулевой
Клапан предохранительный
Колонка рулевая с кронштейном
Колонка рулевого управления
Вал карданный рулевого управления
Установка трубопроводов рулевого управления
Электродвигатель с насосом
Фильтр
Цилиндр поворота
Корпус тормоза самосвала БелАЗ-75473
Детали колесного тормоза
Цилиндр тормозной самосвала БелАЗ-7547
Стояночный тормозной механизм
Регулировочный рычаг
Цилиндр стояночной тормозной системы самосвала БелАЗ-7547
Цилиндр стояночной тормозной системы самосвала БелАЗ-75473
Детали колесного тормоза
Цилиндр тормозной
Трубопроводы и аппараты пневматического привода тормозов
Установка привода механизмов управления тормозами
Кран управления тормозами
Кран тормозной с ручным управлением
Установка ресиверов
Водоотделитель
Регулятор давления
Клапан защитный одинарный
Клапан защитный двойной
Клапан ограничения давления
Противозамерзатель
Клапан контрольного вывода
Клапан ускорительный
Трубопроводы компрессора
Компрессор
Установка включателя гидравлического тормоза
Цилиндр пневматический самосвала БелАЗ-7547
Механизм управления тормозом-замедлителем и подпорный клапан
Механизм управления гидравлическим тормозом
Корпус тормоза-замедлителя с переходной плитой
Корпус тормоза-замедлителя
Монтаж электрооборудования на шасси БелАЗ-7547
Монтаж электрооборудования на шасси БелАЗ-75473
Монтаж электрооборудования на кабине
Установка фар, подфарников и звуковых сигналов
Установка аккумуляторных батарей
Установка задних фонарей и задней фары
Синхронный генератор
Установка приборов на панели самосвала БелАЗ-7547
Установка приборов на панели самосвала БелАЗ-75473
Комплект инструмента и принадлежностей
Инструмент специальный
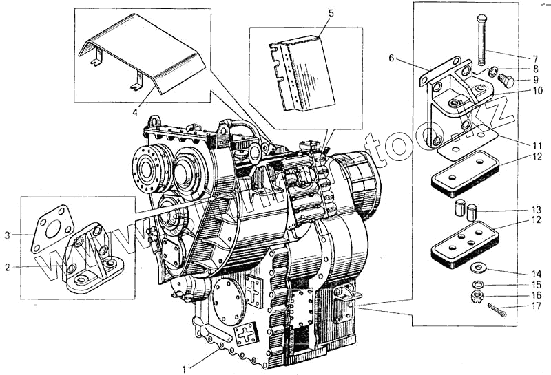
1
2
3
4
5
6
7
8
9
10
11
12
12
13
14
15
16
17
Позиция на иллюстрации
Заводской номер детали
Название детали
1
7547-1700004-01
Передача гидромеханическая в сборе
2
7548-1715272
Кронштейн
3
7548-1715276
Прокладка
4
7548-1712690-01
Кожух защитный
5
7548-1712696
Экран электромагнитов
6
540-1715032
Прокладка
7
340407
Болт
8
252139
Шайба
9
202119
Болт
10
540-1715030
Кронштейн
11
7548-1001428
Прокладка регулировочная
12
7548-1001420
Амортизатор нижний
13
343532
Штифт
14
252046
Шайба
15
252016
Шайба
16
374625
Гайка
17
258040
Шплинт
Содержащиеся в справочниках-каталогах запасные части и детали не предлагаются к продаже, а носят исключительно информационный характер
Дополнительная информация
×
Название:
Номер:
Примечание: