Вернуться на главную
Поиск
Каталоги запчастей к технике
Грузовые автомобили и прицепы
БелАЗ
БелАЗ-7540K
Установка насосов БелАЗ-7540А, БелАЗ-7540В
Каталог запасных частей к технике: БелАЗ-7540K. Установка насосов БелАЗ-7540А, БелАЗ-7540В
zoom-in
zoom-out
enlarge
shrink
circle-right
circle-left
file-text2
info
cart
Тип техники
Не выбрано
Легковые автомобили
Грузовые автомобили и прицепы
Автобусы
Сельхозтехника
Спецтехника
Двигатели
Мототехника
Марка
Не выбрано
BAW
DAF
DongFeng
FAW
Foton
HOWO
Hyundai
IVECO
JAC Motors
LGMG
MAN
Shaanxi
SITRAK
Studebaker
Tata
Volvo
Автокомпонент Плюс
БелАЗ
Брянский Арсенал
ГАЗ
ЗИЛ
КАЗ
Камский автозавод
КрАЗ
Мадара
МАЗ
МЗКТ
МоАЗ
Нефтекамский автозавод
Ставропольский Завод АвтоПрицепов
ТАТРА
Тонар
УралАЗ
ЧМЗАП
Модель
Не выбрано
75131 (2016)
75131 (2017)
75302, 75306, 75307, 75309 (2016)
7540 (А, В, Е, С, D, К) (2015)
75450 (2010)
7547, 75473 (2014)
75581, 75583 (2015)
76470 (дополнение) (2017)
БелАЗ-540А (1975)
БелАЗ-7512 (2002)
БелАЗ-7513 (2002)
БелАЗ-75131 (2008)
БелАЗ-75131 (2012)
БелАЗ-75131 (доп. к каталогу) (2015)
БелАЗ-7522
БелАЗ-7523
БелАЗ-75231
БелАЗ-75306 (2010)
БелАЗ-7540
БелАЗ-75401
БелАЗ-7540B (2009)
БелАЗ-7540C (2009)
БелАЗ-7540D (2009)
БелАЗ-7540K (2009)
БелАЗ-7540А (2009)
БелАЗ-7547
БелАЗ-7548А (2000)
БелАЗ-7549 (2002)
БелАЗ-7555A
БелАЗ-75600 (2010)
БелАЗ-76470 (2012)
Общий (см. мод-ции)
Схема
>
Не выбрано
Установка двигателя на самосвале БелАЗ-7540А
Установка двигателя на самосвале БелАЗ-7540B
Установка подогревателя БелАЗ-7540А, 7540B
Маслопроводы системы смазки двигателя БелАЗ-7540А, 7540B
Установка двигателя на самосвале БелАЗ-7540С
Установка подогревателя БелАЗ-7540С
Установка двигателя на самосвале БелАЗ-7540D
Установка двигателя на самосвале БелАЗ-7540К
Двигатель с кронштейнами БелАЗ-7540К
Установка подогревателя БелАЗ-7540К
Установка воздушных фильтров БелАЗ-7540А, 7540B
Топливные трубопроводы БелАЗ-7540А, 7540B
Бак топливный и масляный БелАЗ-7540А, 7540B
Привод управления подачей топлива БелАЗ-7540А, 7540B
Педаль привода подачи топлива и ее установка БелАЗ-7540А, 7540B
Цилиндр пневматический БелАЗ-7540А, 7540B
Установка воздушного фильтра двигателя на самосвале БелАЗ-7540С
Фильтр воздушный на самосвале БелАЗ-7540С
Топливные трубопроводы БелАЗ-7540С
Бак топливный и масляный на самосвале БелАЗ-7540С
Привод управления подачей топлива на самосвале БелАЗ-7540С
Педаль с кронштейном на самосвале БелАЗ-7540C
Установка воздушных фильтров на самосвале БелАЗ-7540D
Фильтр воздушный на самосвале БелАЗ-7540D
Установка топливного бака и топливопроводов на самосвале БелАЗ-7540D
Бак топливный на самосвале БелАЗ-7540D
Привод управления подачей топлива на самосвале БелАЗ-7540D
Педаль с кронштейном на самосвале БелАЗ-7540D
Установка воздушного фильтра на самосвале БелАЗ-7540К
Фильтр воздушный БелАЗ-7540К
Топливные трубопроводы БелАЗ-7540К
Бак топливный и масляный БелАЗ-7540К
Педаль привода управления подачей топлива и ее установка БелАЗ-7540К
Установка системы охлаждения топлива БелАЗ-7540К
Распределитель топлива БелАЗ-7540К
Установка системы выпуска отработавших газов самосвала БелАЗ-7540А
Установка системы выпуска отработавших газов самосвала БелАЗ-7540В
Установка системы выпуска отработавших газов самосвала БелАЗ-7540С
Установка системы выпуска отработавших газов на самосвале БелАЗ-7540D
Установка системы выпуска отработавших газов на самосвале БелАЗ-7540К
Установка системы охлаждения двигателя
Вентиляторы и их привод БелАЗ-7540А, 7540B
Блок радиаторов БелАЗ-7540А, 7540B
Радиатор водяной (ширина 800 мм) БелАЗ-7540А, 7540B
Радиатор (ширина 200 мм) БелАЗ-7540А, 7540B
Радиатор охлаждения масла (ширина 600 мм) БелАЗ-7540А, 7540B
Привод вентилятора БелАЗ-7540А, 7540B
Ролик натяжной БелАЗ-7540А, 7540B
Установка жалюзи радиатора БелАЗ-7540А, 7540B
Жалюзи радиатора БелАЗ-7540А, 7540B
Пневмопереключатель БелАЗ-7540А, 7540B
Установка системы охлаждения двигателя на самосвале БелАЗ-7540С
Установка блока радиаторов и кожуха на самосвале БелАЗ-7540С
Блок радиаторов БелАЗ-7540С
Радиатор БелАЗ-7540С
Система охлаждения наддувочного воздуха БелАЗ-7540С
Блок радиаторов на самосвале БелАЗ-7540D
Радиатор водяной (ширина 800 мм) БелАЗ-7540D
Трубопроводы системы охлаждения двигателя на самосвале БелАЗ-7540D
Вентиляторы и их привод на самосвале БелАЗ-7540D
Привод вентилятора БелАЗ-7540D
Ролик натяжной БелАЗ-7540D
Жалюзи радиаторов и их привод на самосвале БелАЗ-7540D
Жалюзи радиаторов на самосвале БелАЗ-7540D
Пневмопереключатель БелАЗ-7540D
Установка системы охлаждения двигателя БелАЗ-7540K
Установка блока радиаторов и кожуха БелАЗ-7540K
Блок радиаторов БелАЗ-7540K
Радиатор БелАЗ-7540K
Система охлаждения наддувочного воздуха БелАЗ-7540K
Установка гидромеханической передачи (5+2) самосвала БелАЗ-7540А
Согласующая передача и гидротрансформатор с коробкой передач БелАЗ-7540А
Фильтр тонкой очистки и трубопроводы тормоза-замедлителя БелАЗ-7540А
Насос масляный передний БелАЗ-7540А
Гидротрансформатор с коробкой передач БелАЗ-7540А
Картер гидротрансформатора с приводом насосов БелАЗ-7540А
Картер гидротрансформатора БелАЗ-7540А
Колесо насоса БелАЗ-7540А
Колесо турбины БелАЗ-7540А
Колесо первого (второго) реактора БелАЗ-7540А
Коробка передач. Картеры БелАЗ-7540А
Коробка передач. Установка первичного вала БелАЗ-7540А
Коробка передач. Установка реверсивного и диапазонного валов БелАЗ-7540А
Коробка передач. Установка выходного вала БелАЗ-7540А
Коробка передач. Установка маслозаборника и полнопоточного фильтра БелАЗ-7540А
Коробка передач. Установка крышек диапазонного, реверсивного валов и брызговиков шестерен БелАЗ-7540А
Картер коробки передач БелАЗ-7540А
Картер гидромеханической передачи БелАЗ-7540А
Коробка передач. Установка золотниковой коробки и механизма управления гидромеханической передачей БелАЗ-7540А
Коробка передач. Механизм управления тормозом-замедлителем и подпорный клапан БелАЗ-7540А
Первичный вал БелАЗ-7540А
Реверсивный (диапазонный) вал БелАЗ-7540А
Крышка диапазонного валa БелАЗ-7540А
Крышка реверсивного вала БелАЗ-7540А
Ступица гидротрансформатора БелАЗ-7540А
Фрикцион повышающего (понижающего) диапазона БелАЗ-7540А
Барабан фрикциона повышающего (понижающего) диапазона БелАЗ-7540А
Фрикцион первой (третьей) передачи БелАЗ-7540А
Шестерня первой (третьей) передачи БелАЗ-7540А
Фрикцион второй передачи БелАЗ-7540А
Поршень фрикциона БелАЗ-7540А
Барабан фрикциона второй передачи БелАЗ-7540А
Механизм управления гидромеханической передачей БелАЗ-7540А
Электромагнит БелАЗ-7540А
Механизм привода управления тормозом-замедлителем БелАЗ-7540А
Механизм управления тормозом-замедлителем БелАЗ-7540А
Клапан корректирующий БелАЗ-7540А
Элемент фильтрующий маслозаборника БелАЗ-7540А
Элемент фильтрующий полнопоточного фильтра БелАЗ-7540А
Золотниковая коробка БелАЗ-7540А
Картер, ведущий и промежуточный валы согласующей передачи БелАЗ-7540А
Ведомый вал согласующей передачи БелАЗ-7540А
Тормоз-замедлитель БелАЗ-7540А
Установка трубопроводов и шлангов БелАЗ-7540А
Установка гидромеханической передачи (3+1)самосвала БелАЗ-7540B
Картеры БелАЗ-7540B
Коробка передач. Ведущий вал БелАЗ-7540B
Коробка передач. Ведомый вал БелАЗ-7540B
Фрикцион первой ( третьей ) передачи БелАЗ-7540B
Шестерня первой (второй) передачи БелАЗ-7540B
Фрикцион второй передачи БелАЗ-7540B
Поршень фрикциона БелАЗ-7540B
Барабан фрикциона второй передачи БелАЗ-7540B
Гидротрансформатор БелАЗ-7540B
Установка маслоприемника, насоса гидротрансмиссии БелАЗ-7540B
Маслоприемник БелАЗ-7540B
Насос гидротрансмиссии БелАЗ-7540B
Золотниковая коробка БелАЗ-7540B
Корпус пилотов БелАЗ-7540B
Согласующая передача. Редуктор, ведущий и промежуточный валы БелАЗ-7540B
Согласующая передача. Ведомый вал и валы привода насосов БелАЗ-7540B
Соединительный вал и вал дублирующего привода насоса БелАЗ-7540B
Тормоз–замедлитель БелАЗ-7540B
Механизм управления тормозом–замедлителем БелАЗ-7540B
Установка трубопроводов и шлангов гидромеханической передачи БелАЗ-7540B
Масляный фильтр гидротрансмиссии БелАЗ-7540B
Установка трубопроводов и шлангов гидромеханической передачи БелАЗ-7540С
Установка теплообменника БелАЗ-7540С
Теплообменник БелАЗ-7540С
Теплообменник водомасляный и его установка на самосвале БелАЗ-7540D
Установка трубопроводов и шлангов гидромеханической передачи на самосвале БелАЗ-7540D
Установка трубопроводов и шлангов гидромеханической передачи БелАЗ-7540K
Установка теплообменника БелАЗ-7540K
Теплообменник БелАЗ-7540K
Установка карданных валов на самосвале БелАЗ-7540А
Установка карданных валов на самосвале БелАЗ-7540В
Вал карданный самосвалов БелАЗ-7540А, БелАЗ-7540В
Шарнир с резиновыми втулками БелАЗ-7540А, БелАЗ-7540В
Шарнир карданный БелАЗ-7540А, БелАЗ-7540В
Установка карданных валов на самосвале БелАЗ-7540D
Установка карданных валов на самосвал БелАЗ-7540К
Ведущий мост с тормозами и ступицами БелАЗ-7540А, БелАЗ-7540В
Главная передача БелАЗ-7540А, БелАЗ-7540В
Ведущая шестерня главной передачи БелАЗ-7540А, БелАЗ-7540В
Дифференциал ведущего моста БелАЗ-7540А, БелАЗ-7540В
Водило с сателлитами и коронная шестерня БелАЗ-7540А, БелАЗ-7540В
Ступица заднего колеса БелАЗ-7540А, БелАЗ-7540В
Детали колесного тормоза БелАЗ-7540А, БелАЗ-7540В
Цилиндр тормозной БелАЗ-7540А, БелАЗ-7540В
Стояночный тормозной механизм БелАЗ-7540А, БелАЗ-7540В
Регулировочный рычаг стояночного тормоза БелАЗ-7540А, БелАЗ-7540В
Цилиндр стояночного тормоза БелАЗ-7540А, БелАЗ-7540В
Рама БелАЗ-7540А, БелАЗ-7540В
Установка передней и задней подвески БелАЗ-7540А, БелАЗ-7540В
Цилиндр подвески БелАЗ-7540А, БелАЗ-7540В
Штанга передней подвески БелАЗ-7540А, БелАЗ-7540В
Вилка и штанга задней подвески БелАЗ-7540А, БелАЗ-7540В
Установка передней подвески на самосвале БелАЗ-7540D
Передняя ось БелАЗ-7540А, БелАЗ-7540В
Детали передней оси БелАЗ-7540А, БелАЗ-7540В
Тяга рулевой трапеции БелАЗ-7540А, БелАЗ-7540В
Ступица переднего колеса БелАЗ-7540А, БелАЗ-7540В
Цилиндр поворота БелАЗ-7540А, БелАЗ-7540В
Детали колесного тормоза БелАЗ-7540А, БелАЗ-7540В
Цилиндр тормозной БелАЗ-7540А, БелАЗ-7540В
Колеса и детали их крепления БелАЗ-7540А, БелАЗ-7540В
Детали колес БелАЗ-7540А, БелАЗ-7540В
Установка рулевого управления БелАЗ-7540А, БелАЗ-7540В
Колесо рулевое и рулевая колонка БелАЗ-7540А, БелАЗ-7540В
Колонка рулевая с кронштейном БелАЗ-7540А, БелАЗ-7540В
Вал карданный рулевого управления БелАЗ-7540А, БелАЗ-7540В
Установка трубопроводов рулевого управления БелАЗ-7540А, БелАЗ-7540В
Механизм рулевой БелАЗ-7540А, БелАЗ-7540В
Клапан предохранительный БелАЗ-7540А, БелАЗ-7540В
Электродвигатель с насосом БелАЗ-7540А, БелАЗ-7540В
Фильтр БелАЗ-7540А, БелАЗ-7540В
Монтаж пневматического привода тормозов БелАЗ-7540А, БелАЗ-7540В
Установка механизмов управления тормозами БелАЗ-7540А, БелАЗ-7540В
Установка педали и крана управления тормозами БелАЗ-7540А, БелАЗ-7540В
Водоотделитель БелАЗ-7540А, БелАЗ-7540В
Клапан защитный одинарный БелАЗ-7540А, БелАЗ-7540В
Клапан защитный двойной БелАЗ-7540А, БелАЗ-7540В
Клапан ограничения давления БелАЗ-7540А, БелАЗ-7540В
Клапан ускорительный БелАЗ-7540А, БелАЗ-7540В
Противозамерзатель БелАЗ-7540А, БелАЗ-7540В
Клапан контрольного вывода БелАЗ-7540А, БелАЗ-7540В
Регулятор давления БелАЗ-7540А, БелАЗ-7540В
Установка компрессора пневматических тормозов БелАЗ-7540А, БелАЗ-7540В
Монтаж проводов на шасси БелАЗ-7540А, БелАЗ-7540В
Монтаж электрооборудования на кабине БелАЗ-7540А, БелАЗ-7540В
Установка фар, подфарников и звуковых сигналов БелАЗ-7540А, БелАЗ-7540В
Установка задних фонарей и задней фары БелАЗ-7540А, БелАЗ-7540В
Установка аккумуляторных батарей БелАЗ-7540А, БелАЗ-7540В
Установка электрооборудования кондиционера БелАЗ-7540А, БелАЗ-7540В
Панель приборов с приборами самосвалов БелАЗ-7540А и БелАЗ-7540В
Установка электрооборудования зеркал с электрообогревом БелАЗ-7540А и БелАЗ-7540В
Панель приборов на самосвале БелАЗ-7540D
Установка кабины БелАЗ-7540А и БелАЗ-7540В
Кабина БелАЗ-7540А, БелАЗ-7540В
Кабина БелАЗ-7540А, БелАЗ-7540В
Дверь с арматурой БелАЗ-7540А, БелАЗ-7540В
Установка стеклоочистителя и стеклоомывателя БелАЗ-7540А, БелАЗ-7540В
Установка сидений БелАЗ-7540А, БелАЗ-7540В
Установка отопителя кабины БелАЗ-7540А, БелАЗ-7540В
Отопитель кабины БелАЗ-7540А, БелАЗ-7540В
Трубопроводы отопителя кабины БелАЗ-7540А, БелАЗ-7540В
Установка противосолнечного козырька БелАЗ-7540А, БелАЗ-7540В
Установка зеркал заднего вида БелАЗ-7540А, БелАЗ-7540В
Установка капотов БелАЗ-7540А, БелАЗ-7540В
Крылья и подножки БелАЗ-7540А, БелАЗ-7540В
Крылья и подножки БелАЗ-7540А, БелАЗ-7540В
Установка платформы БелАЗ-7540А, БелАЗ-7540В
Цилиндр опрокидывающего механизма БелАЗ-7540А, БелАЗ-7540В
Трубопроводы управления опрокидывающим механизмом БелАЗ-7540А, БелАЗ-7540В
Блок гидрораспределителей управления БелАЗ-7540А, БелАЗ-7540В
Трубопроводы опрокидывающего механизма БелАЗ-7540А, БелАЗ-7540В
Панель управления БелАЗ-7540А, БелАЗ-7540В
Кран управления БелАЗ-7540А, БелАЗ-7540В
Клапан предохранительный БелАЗ-7540А, БелАЗ-7540В
Клапан вспомогательный БелАЗ-7540А, БелАЗ-7540В
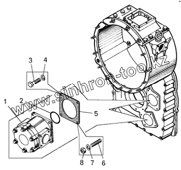
Установка насосов БелАЗ-7540А, БелАЗ-7540В
Подшипники
Комплект инструмента и принадлежностей БелАЗ-7540А и БелАЗ-7540В
Инструмент специальный БелАЗ-7540А и БелАЗ-7540В
Установка чехла капота БелАЗ-7540А и БелАЗ-7540В
Установка системы пожаротушения БелАЗ-7540А и БелАЗ-7540В
1
1
2
3
4
5
6
6
7
8
Позиция на иллюстрации
Заводской номер детали
Название детали
1
НШ50М-4
Насос
1
НШ50М-4-Л
Насос
2
549А-4202179
Кольцо
3
201499
Болт
4
252136
Шайба
5
530-3406018
Прокладка насоса
6
341003
Шпилька
7
252156
Шайба
8
250512
Гайка
Содержащиеся в справочниках-каталогах запасные части и детали не предлагаются к продаже, а носят исключительно информационный характер
Дополнительная информация
×
Название:
Номер:
Примечание: