Вернуться на главную
Поиск
Каталоги запчастей к технике
Грузовые автомобили и прицепы
БелАЗ
БелАЗ-75306
Установка пароотводных трубок системы охлаждения двигателя
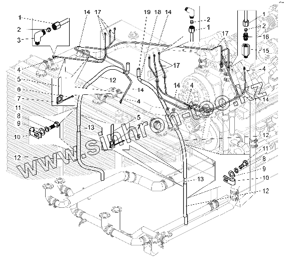
Каталог запасных частей к технике: БелАЗ-75306. Установка пароотводных трубок системы охлаждения двигателя
zoom-in
zoom-out
enlarge
shrink
circle-right
circle-left
file-text2
info
cart
Тип техники
Не выбрано
Легковые автомобили
Грузовые автомобили и прицепы
Автобусы
Сельхозтехника
Спецтехника
Двигатели
Мототехника
Марка
Не выбрано
BAW
DAF
DongFeng
FAW
Foton
HOWO
Hyundai
IVECO
JAC Motors
LGMG
MAN
Shaanxi
SITRAK
Studebaker
Tata
Volvo
Автокомпонент Плюс
БелАЗ
Брянский Арсенал
ГАЗ
ЗИЛ
КАЗ
Камский автозавод
КрАЗ
Мадара
МАЗ
МЗКТ
МоАЗ
Нефтекамский автозавод
Ставропольский Завод АвтоПрицепов
ТАТРА
Тонар
УралАЗ
ЧМЗАП
Модель
Не выбрано
75131 (2016)
75131 (2017)
75302, 75306, 75307, 75309 (2016)
7540 (А, В, Е, С, D, К) (2015)
75450 (2010)
7547, 75473 (2014)
75581, 75583 (2015)
76470 (дополнение) (2017)
БелАЗ-540А (1975)
БелАЗ-7512 (2002)
БелАЗ-7513 (2002)
БелАЗ-75131 (2008)
БелАЗ-75131 (2012)
БелАЗ-75131 (доп. к каталогу) (2015)
БелАЗ-7522
БелАЗ-7523
БелАЗ-75231
БелАЗ-75306 (2010)
БелАЗ-7540
БелАЗ-75401
БелАЗ-7540B (2009)
БелАЗ-7540C (2009)
БелАЗ-7540D (2009)
БелАЗ-7540K (2009)
БелАЗ-7540А (2009)
БелАЗ-7547
БелАЗ-7548А (2000)
БелАЗ-7549 (2002)
БелАЗ-7555A
БелАЗ-75600 (2010)
БелАЗ-76470 (2012)
Общий (см. мод-ции)
Схема
>
Не выбрано
Установка дизель-генератора
Дизель-генератор
Установка системы пневмостартерного пуска
Фильтр пускового клапана
Клапан пусковой
Установка подогревателя
Установка топливного бака
Бак топливный
Кран топливный с фильтром
Установка топливопроводов
Насос топливный
Фильтр грубой очистки
Установка воздушных фильтров
Фильтр воздушный
Установка педали привода подачи топлива
Установка ходового командоконтроллера
Командоконтроллер ходовой
Вал акселератора
Установка системы охлаждения топлива
Распределитель топлива
Установка системы выпуска отработавших газов
Установка радиаторов и вентилятора
Установка трубопроводов системы охлаждения двигателя
Установка пароотводных трубок системы охлаждения двигателя
Установка расширительного бачка системы охлаждения двигателя
Блок радиаторов
Установка пневмопривода управления жалюзи радиаторов
Жалюзи радиатора правые
Жалюзи радиатора левые
Краник сливной
Пневмопереключатель
Установка электрооборудования
Шкаф с пускорегулирующей аппаратурой. Вид1
Шкаф с пускорегулирующей аппаратурой. Вид2
Шкаф с пускорегулирующей аппаратурой. Вид3
Шкаф с пускорегулирующей аппаратурой. Вид4
Вентилируемая тормозная установка
Вентилятор
Установка вентилятора
Колесо со ступицей
Установка всасывающих воздухопроводов
Фильтр циклонный
Установка нагнетательных воздухопроводов
Монтаж силовых проводов на шасси
Монтаж силового электрооборудования в кабине
Установка тормозного командоконтроллера
Вал в сборе
Контроллер тормозной
Барабан кулачковый
Датчик
Мост задний
Трубопроводы заднего моста
Электромотор-колесо
Редуктор мотор-колеса
Водило планетарной передачи с сателлитами
Сателлиты первого и второго ряда
Ступица заднего колеса с кольцами подшипников
Электродвигатель тяговый
Диск с фланцем
Тормоз дисковый
Цилиндр тормозной
Клапан ускорительный
Клапан контрольного вывода
Рама
Установка цилиндров передней подвески
Установка поперечной штанги передней подвески
Центральный шарнир передней подвески
Установка цилиндров и поперечной штанги задней подвески
Центральный шарнир задней подвески
Цилиндр подвески
Верхняя крышка цилиндра подвески
Нижняя крышка цилиндра подвески
Насос
Ось передняя со ступицами и тормозами
Кулак поворотный правый
Кулак поворотный левый
Корпус тормоза
Привод датчика спидометра
Установка передних колес
Установка задних колес
Колесо в сборе
Установка камневыталкевателей
Установка датчиков давления предних колес
Установка датчиков давления задних колес
Установка рулевой колонки
Установка цилиндров поворота и тяги рулевой трапеции
Установка трубопроводов рулевого управления
Установка трубопроводов рулевого механизма
Вал карданный рулевого управления
Колонка рулевого управления с кронштейном
Колонка рулевого управления
Цилиндр поворота
Тяга рулевой трапеции
Пневмогидроаккумулятор
Коллектор
Фильтр рулевого управления
Клапан
Монтаж гидравлического привода тормозов
Кран управления стояночным тормозом
Кран управления тормозами
Клапан соединительный
Клапан защитный двойной
Монтаж трубопроводов компрессора
Противозамерзатель
Клапан предохранительный
Установка фар и подфарников. Вид 1, 2
Монтаж электрооборудования в кабине
Панель приборов с приборами. Вид 1, 2
Установка аккумуляторных батарей и монтаж проводов
Установка задних фонарей
Монтаж электрооборудования на шасси
Установка генератора
Монтаж системы контроля давления в шинах по кабине
Установка передающего модуля передних колес
Установка передающего модуля задних колес
Жгут проводов приемника
Установка системы пожаротушения
Установка кабины
Установка дверей и стекол кабины
Установка приборных панелей и кронштейнов педали
Установка декоративных панелей и дверцы шкафа
Панель приборов
Дверь
Установка кожуха пола
Установка стеклоочистителя и стеклоомывателя
Установка сидений в кабине
Установка подставки сиденья пассажира
Установка отопителя кабины
Установка трубопроводов сидений
Установка трубопроводов отопителя кабины
Отопитель кабины
Привод управления заслонками отопителя
Установка кронштейнов компрессора кондиционера
Установка противосолнечного козырька
Установка капотов
Установка крыльев и панелей
Установка поручней, ограждений и брызговиков
Установка кронштейнов
Установка трапа моторного отсека
Установка площадки топливного бака
Установка площадок передней оси и лестницы заднего моста
Установка зеркал заднего вида
Установка кронштейнов зеркал
Установка контактных пластин
Установка цилиндра опрокидывающего механизма
Установка амортизаторов платформы
Установка платформы на раму
Стопорение платформы
Установка цилиндров опрокидывающего механизма
Цилиндр опрокидывающего механизма
Установка трубопроводов опрокидывающего механизма
Гидрораспределитель
Клапан вспомогательный
Клапан вспомогательный
Клапан предохранительный
Блок управления
Клапан
Установка насосов
Насос сдвоенный
Карданный вал
Ограждение карданного вала
Установка масляного бака
Бак масляный
Клапан предохранительный
Фильтр
1
1
1
2
2
2
3
4
4
4
4
5
5
6
6
7
7
8
8
9
9
10
10
11
11
12
12
12
12
13
13
14
14
14
14
14
15
16
17
17
17
18
19
Позиция на иллюстрации
Заводской номер детали
Название детали
1
344810
Гайка накидная
2
314802
Муфта
3
379053
Угольник
4
7519-1303112
Трубка
5
297588
Лента
6
297575
Шплинт
7
297594
Лента
8
252134
Шайба
9
252004
Шайба
10
344618
Кляммер
11
201418
Болт
12
549Б-1303185
Шланг
13
75492-1303414
Труба
14
75211-3509276
Шланг
15
75306-1303466
Переходник
16
314612
Ниппель
17
7519-1303114
Трубка
18
75492-1303060
Патрубок
19
530-1015818
Шланг
Содержащиеся в справочниках-каталогах запасные части и детали не предлагаются к продаже, а носят исключительно информационный характер
Дополнительная информация
×
Название:
Номер:
Примечание: