Каталог запасных частей к технике: БелАЗ-7513. Установка предпускового подогревателя на самосвале БелАЗ-75132
1
1
2
2
3
3
4
5
5
5
5
5
5
6
7
7
8
8
9
9
10
11
12
13
14
14
14
15
16
17
18
19
20
21
21
21
21
22
22
22
22
23
23
23
23
24
24
25
26
27
28
28
29
29
30
31
31
32
33
34
35
36
37
38
39
40
41
42
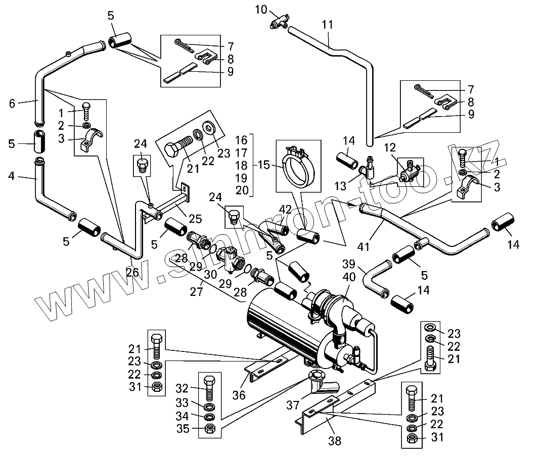
| Позиция на иллюстрации | Заводской номер детали | Название детали | |
|---|---|---|---|
| 1 | 201502 | Болт | |
| 2 | 252136 | Шайба | |
| 3 | 7521-8609135 | Скоба | |
| 4 | 75132-1015953 | Труба | |
| 5 | 530-1015818 | Шланг | |
| 6 | 75132-1015950 | Труба | |
| 7 | 297575 | Шплинт | |
| 8 | 297580 | Пряжка | |
| 9 | 297588 | Лента | |
| 10 | ВС11-0 | Кран | |
| 11 | 549-8120112 | Шланг | |
| 12 | ПС7 | Кран | |
| 13 | 75131-1015880 | Патрубок | |
| 14 | 540А-1015010 | Шланг соединительный | |
| 15 | 75211-1303370 | Хомут | |
| 16 | 75211-1303374 | Лента | |
| 17 | 75211-1303376 | Накладка | |
| 18 | 250510 | Гайка | |
| 19 | 252005 | Шайба | |
| 20 | 340064 | Накладка | |
| 21 | 201538 | Болт | |
| 22 | 252137 | Шайба | |
| 23 | 252007 | Шайба | |
| 24 | 262541 | Пробка | |
| 25 | 75131-1015090 | Кронштейн | |
| 26 | 75132-1015430 | Труба | |
| 27 | 75211-1015798 | Кран с патрубками | |
| 28 | 75191-1015860 | Патрубок | |
| 29 | 027-032-30-2-3 | Кольцо | |
| 30 | 75211-1015800 | Кран муфтовый | |
| 31 | 250514 | Гайка | |
| 32 | 201422 | Болт | |
| 33 | 252004 | Шайба | |
| 34 | 252134 | Шайба | |
| 35 | 250508 | Гайка | |
| 36 | 75131-1015710-10 | Кронштейн | |
| 37 | 75121-1015926 | Труба | |
| 38 | 75131-1015711-10 | Кронштейн | |
| 39 | 75131-1015864 | Патрубок | |
| 40 | ПЖД600-1015008-А | Подогреватель ПЖД-600 | |
| 41 | 75132-1015050 | Труба | |
| 42 | 75131-1015050-10 | Труба |
Содержащиеся в справочниках-каталогах запасные части и детали не предлагаются к продаже, а носят исключительно информационный характер