Вернуться на главную
Поиск
Каталоги запчастей к технике
Грузовые автомобили и прицепы
БелАЗ
БелАЗ-7513
Кран управления тормозами
Каталог запасных частей к технике: БелАЗ-7513. Кран управления тормозами
zoom-in
zoom-out
enlarge
shrink
circle-right
circle-left
file-text2
info
cart
Тип техники
Не выбрано
Легковые автомобили
Грузовые автомобили и прицепы
Автобусы
Сельхозтехника
Спецтехника
Двигатели
Мототехника
Марка
Не выбрано
BAW
DAF
DongFeng
FAW
Foton
HOWO
Hyundai
IVECO
JAC Motors
LGMG
MAN
Shaanxi
SITRAK
Studebaker
Tata
Volvo
Автокомпонент Плюс
БелАЗ
Брянский Арсенал
ГАЗ
ЗИЛ
КАЗ
Камский автозавод
КрАЗ
Мадара
МАЗ
МЗКТ
МоАЗ
Нефтекамский автозавод
Ставропольский Завод АвтоПрицепов
ТАТРА
Тонар
УралАЗ
ЧМЗАП
Модель
Не выбрано
75131 (2016)
75131 (2017)
75302, 75306, 75307, 75309 (2016)
7540 (А, В, Е, С, D, К) (2015)
75450 (2010)
7547, 75473 (2014)
75581, 75583 (2015)
76470 (дополнение) (2017)
БелАЗ-540А (1975)
БелАЗ-7512 (2002)
БелАЗ-7513 (2002)
БелАЗ-75131 (2008)
БелАЗ-75131 (2012)
БелАЗ-75131 (доп. к каталогу) (2015)
БелАЗ-7522
БелАЗ-7523
БелАЗ-75231
БелАЗ-75306 (2010)
БелАЗ-7540
БелАЗ-75401
БелАЗ-7540B (2009)
БелАЗ-7540C (2009)
БелАЗ-7540D (2009)
БелАЗ-7540K (2009)
БелАЗ-7540А (2009)
БелАЗ-7547
БелАЗ-7548А (2000)
БелАЗ-7549 (2002)
БелАЗ-7555A
БелАЗ-75600 (2010)
БелАЗ-76470 (2012)
Общий (см. мод-ции)
Схема
>
Не выбрано
Установка кабины
Кабина
Установка стеклоочистителей и стеклоомывателя
Панель приборов самосвала БелАЗ-75131
Панель приборов самосвала БелАЗ-75132
Панель приборов тягового электропривода
Панели с диодами самосвала БелАЗ-75131
Панели с диодами самосвала БелАЗ-75132
Установка сидений
Комплект чехлов
Дверь кабины
Установка кожуха пола
Установка площадок и поручней моторного отсека и топливного бака
Установка зеркал заднего вида и кронштейнов их крепления
Установка зеркал заднего вида и кронштейнов их крепления
Установка противосолнечного козырька
Капоты и оперение
Установка кронштейнов зеркал
Установка зеркал заднего вида
Установка кондиционера
Установка кондиционера
Установка трубопроводов кондиционера
Отопитель кабины и его установка
Отопитель кабины
Установка фильтра кабины СОВ-02
Платформа
Установка платформы, камневыталкивателей и брызговиков
Установка цилиндров опрокидывающего механизма
Установка цилиндров опрокидывающего механизма
Цилиндр опрокидывающего механизма
Цилиндр опрокидывающего механизма
Трубопроводы опрокидывающего механизма самосвала БелАЗ-75131
Трубопроводы опрокидывающего механизма самосвала БелАЗ-75131
Трубопроводы опрокидывающего механизма самосвала БелАЗ-75132
Блок управления
Блок управления
Гидрораспределитель
Гидрораспределитель
Клапан вспомогательный
Блок обратных клапанов
Клапан
Бак масляный и фильтр
Бак масляный и фильтр
Фильтр
Детали масляного бака
Детали масляного бака
Установка насосов
Установка насосов
Установка системы контроля загрузки
Установка системы контроля загрузки
Установка дизель-генератора на самосвале БелАЗ-75131
Дизель-генератор самосвала БелАЗ-75131
Установка дизель-генератора на самосвале БелАЗ-75132
Генератор тяговый ГС525
Электродвигатель тяговый с тормозными механизмами
Установка воздушных фильтров двигателя на самосвале БелАЗ-75131
Установка воздушных фильтров двигателя на самосвале БелАЗ-75132
Фильтр воздушный
Топливные трубопроводы
Бак топливный
Электронагреватель топливного бака
Насос топливный
Обогреватель топлива с фильтром
Привод управления подачей топлива самосвала БелАЗ-75132
Педаль привода управления подачей топлива самосвала БелАЗ-75131
Система выпуска отработавших газов самосвала БелАЗ-75131
Система выпуска отработавших газов самосвала БелАЗ-75132
Блок радиаторов и кожух вентилятора
Блок радиаторов
Радиатор
Трубопроводы системы охлаждения двигателя самосвала БелАЗ-75131
Трубопроводы системы охлаждения двигателя самосвала БелАЗ-75132
Кран сливной
Жалюзи радиаторов и их привод
Жалюзи радиаторов
Пневмопереключатель
Мост задний
Мост задний
Рама
Установка брызговиков двигателя
Установка передней подвески
Установка передней подвески
Установка задней подвески
Установка задней подвески
Цилиндр подвески передний
Цилиндр подвески передний
Крышка переднего цилиндра подвески верхняя
Крышка переднего цилиндра подвески верхняя
Крышка переднего цилиндра подвески нижняя
Крышка переднего цилиндра подвески нижняя
Цилиндр подвески задний
Цилиндр подвески задний
Крышка заднего цилиндра подвески верхняя
Крышка заднего цилиндра подвески верхняя
Крышка заднего цилиндра подвески нижняя
Крышка заднего цилиндра подвески нижняя
Насос
Насос
Ось передняя с тормозами
Ось передняя с тормозами
Электромотор-колесо
Электромотор-колесо
Редуктор электромотор-колеса
Редуктор электромотор-колеса
Ряд первый редуктора электромотор-колеса
Ряд первый редуктора электромотор-колеса
Ступица электромотор-колеса
Ступица электромотор-колеса
Колесо переднее с тормозами и поворотным механизмом
Колесо переднее с тормозами и поворотным механизмом
Привод спидометра
Колеса и детали их крепления
Детали колес
Установка рулевого управления
Кронштейн с колонкой
Рулевая колонка
Вал карданный
Трубопроводы рулевого управления
Тяга рулевой трапеции
Цилиндр поворота
Коллектор
Фильтр
Пневмогидроаккумулятор
Монтаж трубопроводов компрессора на самосвале БелАЗ-75131
Монтаж трубопроводов компрессора на самосвале БелАЗ-75132
Водоотделитель
Регулятор давления
Клапан защитный одинарный
Клапан предохранительный
Противозамерзатель
Монтаж гидравлического привода тормозов
Клапан разности давлений и клапан соединительный
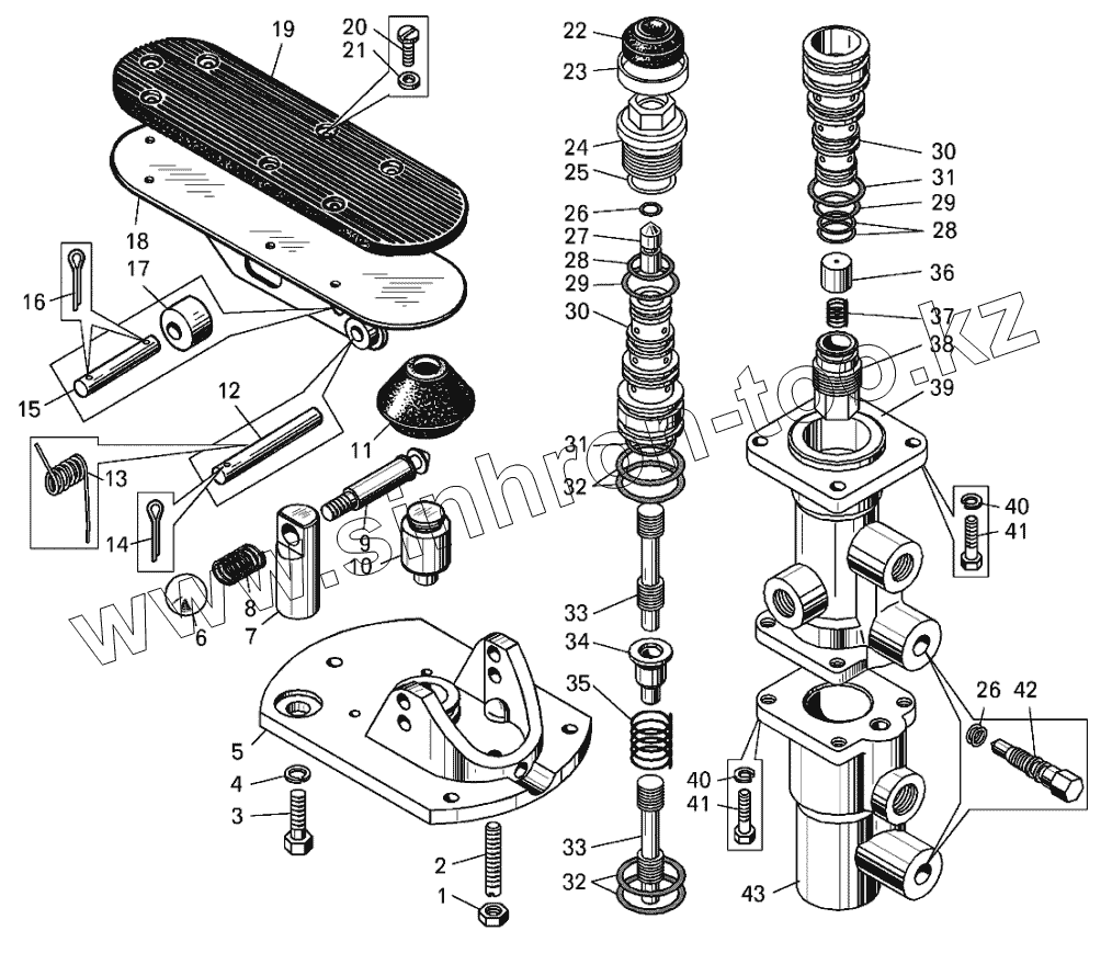
Кран управления тормозами
Кран управления стояночным тормозом
Пневмогидроаккумулятор
Реле давления
Установка фар и подфарников
Установка фар и подфарников
Установка задних фонарей и задней фары
Установка задних фонарей и задней фары
Установка электрооборудования
Вентилируемая тормозная установка
Вентилятор
Секция резистора
Установка датчика частоты вращения двигателя
Установка вентилятора охлаждения тяговых электромашин
Всасывающие воздухопроводы охлаждения электрических машин самосвала БелАЗ-75131
Всасывающие воздухопроводы охлаждения электрических машин самосвала БелАЗ-75132
Нагнетательные воздухопроводы охлаждения тяговых электродвигателей самосвала БелАЗ-75131
Нагнетательные воздухопроводы охлаждения тяговых электродвигателей самосвала БелАЗ-75132
Привод ходового контроллера
Контроллер ходовой
Привод тормозного контроллера
Контроллер тормозной
Установка генератора
Монтаж электрооборудования в кабине самосвала БелАЗ-75131
Монтаж электрооборудования в кабине самосвала БелАЗ-75131
Монтаж электрооборудования в кабине самосвала БелАЗ-75132
Установка аккумуляторных батарей
Установка аккумуляторных батарей и монтаж проводов
Монтаж электрооборудования и проводов на шасси самосвала БелАЗ-75131
Монтаж электрооборудования и проводов на шасси самосвала БелАЗ-75131
Монтаж электрооборудования и проводов на шасси самосвала БелАЗ-75132
Силовые провода и детали их крепления самосвала БелАЗ-75131
Силовые провода и детали их крепления самосвала БелАЗ-75132
Установка коробки отбора мощности
Картер и вал привода насоса самосвала БелАЗ-75131
Картер, промежуточный вал, вал привода генератора и вал привода насоса самосвала БелАЗ-75132
Вал ведущий и валы привода насосов самосвалов БелАЗ-75131, -75132
Вал карданный самосвала БелАЗ-75131
Вал карданный самосвала БелАЗ-75132
Установка предпускового подогревателя на самосвале БелАЗ-75131
Установка предпускового подогревателя на самосвале БелАЗ-75132
Система пневмостартерного пуска двигателя самосвала БелАЗ-75131
Система пневмостартерного пуска двигателя самосвала БелАЗ-75132
Баллоны воздушные самосвала БелАЗ-75131
Баллоны воздушные самосвала БелАЗ-75132
Клапан пусковой
Кран запорный
Дозатор смазки
Клапан защитный одинарный
Пневмостартер
Пневмодвигатель
Привод пневмостартера
Система пожаротушения
Установка огнетушителей
Карьерный самосвал БелАЗ-75131
Комплект инструмента и принадлежностей
Инструмент специальный (комплект на 5 самосвалов)
Комплект съемников (комплект на 5 самосвалов)
Подшипники
Подшипники
1
2
3
4
5
6
7
8
9
10
11
12
13
14
15
16
17
18
19
20
21
22
23
24
25
26
26
27
28
28
29
29
30
30
31
31
32
32
33
33
34
35
36
37
38
39
40
40
41
41
42
43
Позиция на иллюстрации
Заводской номер детали
Название детали
1
250510
Гайка
2
540М-3514469
Фиксатор
3
201540
Болт
4
252137
Шайба
5
7540-3514130
Крышка корпуса крана
6
540-8101050
Шарик
7
7540-3514486
Втулка
8
540-1704177
Пружина
9
7540-3514482
Фиксатор
10
7512-3514082-10
Толкатель
11
575-1312258-Б
Чехол
12
540М-3514467
Ось
13
7512-3514478
Пружина
14
258040
Шплинт
15
540М-3514466
Ось
16
258038
Шплинт
17
540М-3514464
Ролик
18
540М-3514450
Педаль
19
549-1108016
Накладка педали
20
224622
Винт
21
252037
Шайба
22
100-3514055
Элемент уравновешивающий
23
7512-3514056-10
Тарелка пружины
24
7512-3514045
Пробка
25
027-032-30-2-2
Кольцо
26
008-012-25-2-2
Кольцо
27
7512-3514060-10
Шток
28
018-022-25-2-2
Кольцо
29
020-025-30-2-2
Кольцо
30
7512-3514025
Гильза
31
025-030-30-2-2
Кольцо
32
030-035-30-2-2
Кольцо
33
7512-3514026
Золотник
34
7512-3514028
Толкатель
35
7512-3514051
Пружина
36
7512-3514089
Поршень
37
535-3509097
Пружина
38
7512-3514044
Пробка
39
7512-3514020-10
Корпус верхний
40
252155
Шайба
41
201457
Болт
42
7512-3514032
Игла запорная
43
7512-3514040
Корпус нижний
Содержащиеся в справочниках-каталогах запасные части и детали не предлагаются к продаже, а носят исключительно информационный характер
Дополнительная информация
×
Название:
Номер:
Примечание: