Каталог запасных частей к технике: БелАЗ-75131. Гидрораспределитель
1
1
1
2
3
4
5
6
7
8
9
10
10
11
11
11
12
13
14
15
15
16
16
16
16
17
17
18
19
20
21
22
23
23
24
24
25
25
26
27
28
28
29
30
30
31
32
33
34
35
36
37
37
38
39
40
41
42
43
44
45
46
47
48
49
50
51
52
53
53
54
55
56
57
58
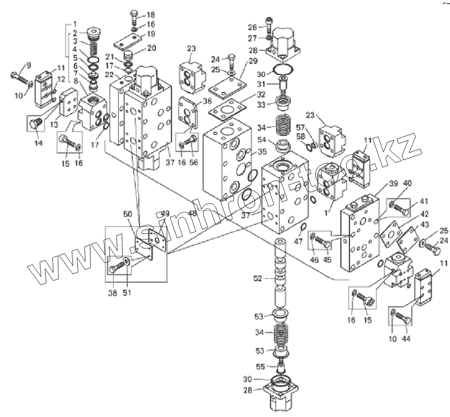
| Позиция на иллюстрации | Заводской номер детали | Название детали | |
|---|---|---|---|
| 1 | 78211-4617100 | Клапан предохранительный в сборе | |
| 2 | 78211-4617132 | Крышка | |
| 3 | 78211-4617119 | Пружина | |
| 4 | 027-032-30-2-2 | Кольцо | |
| 5 | 78211-4617128 | Кольцо защитное | |
| 6 | 78211-4617122 | Клапан (453642) | |
| 7 | 78211-4617114 | Седло (453642) | |
| 8 | 78211-4617107 | Корпус (453642) | |
| 9 | 201469 | Болт М8х66 | |
| 10 | 252155 | Шайба | |
| 11 | 7820-4603100 | Клапан вспомогательный | |
| 12 | 010-014-25-2-2 | Кольцо (253111357) | |
| 13 | 75131-8606182 | Плита переходная | |
| 14 | 262541 | Пробка | |
| 15 | 341346 | Винт М10х45 (34134600) | |
| 16 | 252156 | Шайба | |
| 17 | 020-025-30-2-2 | Кольцо | |
| 18 | 201495 | Болт | |
| 19 | 7822-4617132 | Крышка | |
| 20 | 7822-4617126 | Заглушка | |
| 21 | 549А-2907263 | Шайба защитная гильзы | |
| 22 | 7823-4617016-10 | Корпус нагнетательный | |
| 23 | 7823-4617100 | Клапан в сборе | |
| 24 | 201538 | Болт | |
| 25 | 252007 | Шайба | |
| 26 | 341350 | Винт М12х38 | |
| 27 | 252137 | Шайба | |
| 28 | 78211-4612104 | Крышка | |
| 29 | 75306-8606397 | Пластина | |
| 30 | 055-060-30-2-2 | Кольцо | |
| 31 | 78211-4612049 | Хвостовик | |
| 32 | 75306-8606316 | Прокладка | |
| 33 | 78221-4612044 | Опора пружины | |
| 34 | 78211-4612046 | Пружина | |
| 35 | 75306-8606426-10 | Плита | |
| 36 | 7513-8606436 | Крышка | |
| 37 | 78211-4612015 | Корпус | |
| 38 | 201493 | Болт | |
| 39 | 7823-4617014-10 | Корпус нагнетательньй | |
| 40 | 252139 | Шайба | |
| 41 | 340810 | Болт М16х140 | |
| 42 | 75306-8606318 | Прокладка | |
| 43 | 75306-8606396 | Пластина | |
| 44 | 200263 | Болт | |
| 45 | 340779 | Болт М14х1,5х140 | |
| 46 | 252138 | Шайба | |
| 47 | 036-041-30-2-2 | Кольцо | |
| 48 | 75306-8606102-10 | Блок корпусов | |
| 49 | 75306-8606319 | Прокладка | |
| 50 | 75306-8606224 | Пластина | |
| 51 | 252006 | Шайба | |
| 52 | 78211-4612042 | Золотник | |
| 53 | 78211-4612044 | Опора пружины | |
| 54 | 78221-4612043 | Опора пружины | |
| 55 | 78228-4612024 | Хвостовик | |
| 56 | 340178 | Болт | |
| 57 | 7823-4617108 | Втулка | |
| 58 | 021-025-25-2-2 | Кольцо |
Содержащиеся в справочниках-каталогах запасные части и детали не предлагаются к продаже, а носят исключительно информационный характер