Вернуться на главную
Поиск
Каталоги запчастей к технике
Грузовые автомобили и прицепы
БелАЗ
БелАЗ-540А
Установка подвески одноосного тягача БелАЗ-531
Каталог запасных частей к технике: БелАЗ-540А. Установка подвески одноосного тягача БелАЗ-531
zoom-in
zoom-out
enlarge
shrink
circle-right
circle-left
file-text2
info
cart
Тип техники
Не выбрано
Легковые автомобили
Грузовые автомобили и прицепы
Автобусы
Сельхозтехника
Спецтехника
Двигатели
Мототехника
Марка
Не выбрано
BAW
DAF
DongFeng
FAW
Foton
HOWO
Hyundai
IVECO
JAC Motors
LGMG
MAN
Shaanxi
SITRAK
Studebaker
Tata
Volvo
Автокомпонент Плюс
БелАЗ
Брянский Арсенал
ГАЗ
ЗИЛ
КАЗ
Камский автозавод
КрАЗ
Мадара
МАЗ
МЗКТ
МоАЗ
Нефтекамский автозавод
Ставропольский Завод АвтоПрицепов
ТАТРА
Тонар
УралАЗ
ЧМЗАП
Модель
Не выбрано
75131 (2016)
75131 (2017)
75302, 75306, 75307, 75309 (2016)
7540 (А, В, Е, С, D, К) (2015)
75450 (2010)
7547, 75473 (2014)
75581, 75583 (2015)
76470 (дополнение) (2017)
БелАЗ-540А (1975)
БелАЗ-7512 (2002)
БелАЗ-7513 (2002)
БелАЗ-75131 (2008)
БелАЗ-75131 (2012)
БелАЗ-75131 (доп. к каталогу) (2015)
БелАЗ-7522
БелАЗ-7523
БелАЗ-75231
БелАЗ-75306 (2010)
БелАЗ-7540
БелАЗ-75401
БелАЗ-7540B (2009)
БелАЗ-7540C (2009)
БелАЗ-7540D (2009)
БелАЗ-7540K (2009)
БелАЗ-7540А (2009)
БелАЗ-7547
БелАЗ-7548А (2000)
БелАЗ-7549 (2002)
БелАЗ-7555A
БелАЗ-75600 (2010)
БелАЗ-76470 (2012)
Общий (см. мод-ции)
Схема
>
Не выбрано
Общий вид автомобиля-самосвала БелАЗ-540А
Общий вид автомобиля-самосвала БелАЗ-548А
Самоходный скрепер Д-392 с одноосным тягачом БелАЗ-531
Двигатель и его подвеска
Масляный радиатор и маслопроводы
Предпусковой подогреватель
Топливный бак одноосного тягача БелАЗ-531
Топливные баки автомобиля-самосвала БелАЗ-540А
Топливные баки автомобиля-самосвала БелАЗ-548А
Топливные трубопроводы одноосного тягача БелАЗ-531
Топливные трубопроводы автомобиля-самосвала БелАЗ-540А
Топливные трубопроводы автомобиля-самосвала БелАЗ-548А
Привод управления топливным насосом
Установка воздушных фильтров на одноосном тягаче БелАЗ-531
Установка воздушных фильтров на автомобиле-самосвале БелАЗ-540А
Установка воздушных фильтров на автомобиле-самосвале БелАЗ-548А
Трубопроводы системы выпуска газа одноосного тягача БелАЗ-531
Трубопроводы системы выпуска газа автомобиля-самосвала БелАЗ-540А
Трубопроводы системы выпуска газа автомобиля-самосвала БелАЗ-548А
Водяной радиатор
Дополнительный водяной радиатор автомобиля-самосвала БелАЗ-548А
Подвеска радиаторов и кожухи вентиляторов одноосного тягача БелАЗ-531 и автомобиля-самосвала БелАЗ-5
Подвеска радиаторов и кожухи вентиляторов автомобиля-самосвала БелАЗ-548А
Трубопроводы системы охлаждения одноосного тягача БелАЗ-531
Трубопроводы системы охлаждения автомобиля-самосвала БелАЗ-540А
Трубопроводы системы охлаждения автомобиля-самосвала БелАЗ-548А
Привод вентиляторов одноосного тягача БелАЗ-531 и автомобиля-самосвала БелАЗ-540А
Привод вентиляторов автомобиля-самосвала БелАЗ-548А
Привод вентилятора
Натяжной ролик
Жалюзи радиатора и их привод
Жалюзи радиаторов
Расширительный бачок
Установка гидромеханической передачи одноосного тягача БелАЗ-531
Установка гидромеханической передачи автомобилей-самосвалов БелАЗ-540А и БелАЗ-548А
Картеры гидромеханической передачи
Ведущий вал гидромеханической передачи
Ведомый вал гидромеханической передачи
Фрикцион гидромеханической передачи
Золотниковая коробка, маслоприемник, насос и поддон гидромеханической передачи
Крышка привода переключения ступеней
Тяги привода переключения ступеней
Маслоприемник
Масляный фильтр
Гидротрансформатор
Насос гидромеханической передачи
Золотниковая коробка одноосного тягача БелАЗ-531
Золотниковая коробка автомобилей-самосвалов БелАЗ-540А и БелАЗ-548А
Корпус пилотов
Трубопроводы и шланги гидромеханической передачи одноосного тягача БелАЗ-531
Трубопроводы и шланги гидромеханической передачи автомобиля-самосвала БелАЗ-540А
Трубопроводы и шланги гидромеханической передачи автомобиля-самосвала БелАЗ-548А
Радиатор охлаждения масла гидромеханической передачи
Повышающая передача одноосного тягача БелАЗ-531
Повышающая передача автомобилей-самосвалов БелАЗ-540А и БелАЗ-548А
Картер, ведомый вал и вал привода насоса повышающей передачи одноосного тягача БелАЗ-531
Картер, ведомый вал и вал привода насоса повышающей передачи автомобилей-самосвалов БелАЗ-540А и БелАЗ-548А
Вал привода насоса и вал дублирующего привода одноосного тягача БелАЗ-531
Вал привода насоса и вал дублирующего привода автомобилей-самосвалов БелАЗ-540а иБелАЗ-548А
Коробка отбора мощности одноосного тягача БелАЗ-531
Дополнительная коробка передач одноосного тягача БелАЗ-531
Карданный вал заднего моста
Карданный вал трансмиссии одноосного тягача БелАЗ-531
Карданный вал трансмиссии автомобиля-самосвала БелАЗ-540А
Карданный вал трансмиссии автомобиля-самосвала БелАЗ-548А
Ведущий мост одноосного тягача БелАЗ-531
Ведущий мост автомобиля-самосвала БелАЗ-540А
Ведущий мост автомобиля-самосвала БелАЗ=548А
Картер ведущего моста одноосного тягача БелАЗ-531
Картер ведущего моста автомобиля-самосвала БелАЗ-540А
Картер ведущего моста автомобиля самосвала БелАЗ-548А
Главная передача ведущего моста одноосного тягача БелАЗ-531 и автомобиля-самосвала БелАЗ-548А
Главная передача ведущего моста автомобиля-самосвала БелАЗ-540А
Ведущая шестерня главной передачи одноосного тягача БелАЗ-531 и автомобиля-самосвала БелАЗ-548А
Ведущая шестерня главной передачи автомобиля самосвала БелАЗ-540А
Дифференциал ведущего моста одноосного тягача БелАЗ-531
Дифференциал ведущего моста автомобиля-самосвала БелАЗ-540А
Дифференциал ведущего моста автомобиля-самосвала БелАЗ-548А
Колесная передача одноосного тягача БелАЗ-531 и автомобиля-самосвала БелАЗ-548А
Колесная передача автомобиля-самосвала БелАЗ-540А
Сцепное устройство одноосного тягача БелАЗ-531
Рама и бампер передний одноосного тягача БелАЗ-531
Рама и бампер передний автомобиля самосвала БелАЗ-540А
Рама и бампер передний автомобиля самосвала БелАЗ-548А
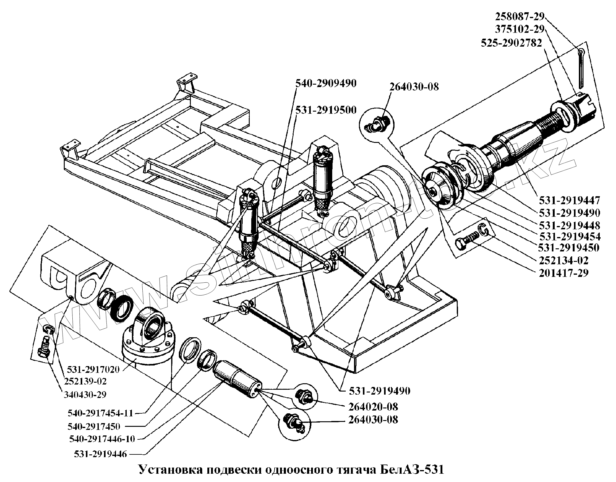
Установка подвески одноосного тягача БелАЗ-531
Установка передней и задней подвески автомобиля-самосвала БелАЗ-540А
Установка передней и задней подвески автомобиля-самосвала БелАЗ-548А
Цилиндр пневмогидравлической подвески
Цилиндр противодавления и гильза насоса
Штанга передней подвески
Вилка и штанга задней подвески
Передняя ось автомобиля-самосвала БелАЗ-540А
Передняя ось автомобиля-самосвала БелАЗ-548А
Детали передней оси
Рулевые тяги автомобилей-самосвалов БелАЗ-540А и БелАЗ-548А
Колеса и детали их крепления
Детали колес
Ступица переднего колеса
Ступица ведущего колеса одноосного тягача БелАЗ-531
Ступица ведущего колеса автомобилей-самосвалов БелАЗ-540А и БелАЗ-548А
Рулевой механизм с распределителем одноосного тягача БелАЗ-531
Рулевой механизм автомобилей-самосвалов БелАЗ-540А и БелАЗ-548А
Редуктор рулевого управления одноосного тягача БелАЗ-531
Вал рулевого управления с приводом управления коробкой передач автомобилей-самосвалов БелАЗ-540А и Б
Карданный вал рулевого управления
Рулевая колонка одноосного тягача БелАЗ-531
Вал рулевого управления автомобилей-самосвалов БелАЗ-540А и БелАЗ-548А
Цилиндр гидравлического усилителя автомобилей-самосвалов БелАЗ-540А и БелАЗ-548А
Головка гидравлического усилителя автомобилей-самосвалов БелАЗ-540А и БелАЗ-548А
Трубопроводы рулевого управления одноосного тягача БелАЗ-531
Установка трубопроводов рулевого управления автомобилей-самосвалов БелАЗ-540А и БелАЗ-548А
Следящая система одноосного тягача БелАЗ-531
Цилиндр поворота одноосного тягача БелАЗ-531
Детали колесного тормоза
Установка тормозного крана и привода одноосного тягача БелАЗ-531
Установка тормозных кранов и привода автомобилей-самосвалов БелАЗ-540А и БелАЗ-548А
Трубопроводы пневматического привода тормозов одноосного тягача БелАЗ-531
Трубопроводы пневматического привода тормозов автомобиля-самосвала БелАЗ-540А
Трубопроводы пневматического привода тормозов автомобиля-самосвала БелАЗ-548А
Стояночный тормоз
Привод стояночного тормоза одноосного тягача БелАЗ-531
Привод стояночного тормоза автомобилей-самосвалов БелАЗ-540А и БелАЗ-548А
Трубопроводы компрессора
Регулятор давления
Установка воздушных баллонов одноосного тягача БелАЗ-531
Установка воздушных баллонов автомобилей-самосвалов БелАЗ-540А и БелАЗ-548А
Тормозной кран одноосного тягача БелАЗ-531
Тормозной кран автомобилей-самосвалов БелАЗ-540А и БелАЗ-548А
Предохранительный клапан и выпускной кран
Тормозной цилиндр
Гидродинамический тормоз-замедлитель
Механизм управления тормозом-замедлителем
Схема электрооборудования одноосного тягача БелАЗ-531
Схема электрооборудования автомобилей самосвалов БелАЗ-540А и БелАЗ-548А
Реле-регулятор
Ящик аккумуляторных батарей одноосного тягача БелАЗ-531
Ящик аккумуляторных батарей автомобилей-самосвалов БелАЗ-540А и БелАЗ-548А
Фары противотуманные, основного света и подфарник
Задний фонарь, фонарь номерного знака и задняя фара автомобилей-самосвалов БелАЗ-540А и БелАЗ-548А
Установка противотуманной фары, повторителя бокового указателя поворота, заднего фонаря и задней фар
Звуковой сигнал и включатель звукового сигнала
Панель приборов
Кабина и ее подвеска
Стеклоочиститель с приводом и противосолнечный козырек
Дверь кабины
Сиденье водителя
Отопитель кабины
Вентилятор кабины
Зеркало заднего вида
Капот, крылья и подножки одноосного тягача БелАЗ-531
Передний и боковой капоты автомобилей-самосвалов БелАЗ-540А и БелАЗ-548А
Крылья и подножки автомобиля-самосвала БелАЗ-540А
Крылья и подножки автомобиля-самосвала БелАЗ-540А
Платформа автомобилей-самосвалов БелАЗ-540А и БелАЗ-548А
Цилиндр опрокидывающего механизма
Насосы опрокидывающего и рулевого механизмов
Кран управления опрокидывающим механизмом
Кран управления цилиндрами опрокидывающего механизма
Автомат переключения насосов
Панель управления цилиндрами опрокидывающего механизма
Предохранительный клапан опрокидывающего механизма
Масляный бак опрокидывающего и рулевого механизмов
Схема объединенной гидравлической системы
Схема объединенной гидравлической системы
Компенсирующая муфта
Инструмент шоферский
Домкрат гидравлический
Инструмент специальный
531-2919446
531-2919500
540-2909490
258087-29
375102-29
525-2902782
531-2919447
531-2919448
531-2919454
531-2919450
531-2919490
531-2919490
264020-08
540-2917446-10
531-2917020
540-2917454-11
540-2917450
264030-08
264030-08
340430-29
252139-02
201417-29
252134-02
Позиция на иллюстрации
Заводской номер детали
Название детали
531-2919446
531-2919446
Палец
531-2919500
531-2919500
Штанга в сборе
540-2909490
540-2909490
Штанга в сборе
258087-29
258087-29
Шплинт
375102-29
375102-29
Гайка
525-2902782
525-2902782
Шайба
531-2919447
531-2919447
Палец
531-2919448
531-2919448
Кольцо
531-2919454
531-2919454
Прокладка
531-2919450
531-2919450
Крышка в сборе
531-2919490
531-2919490
Штанга в сборе
264020-08
264020-08
Масленка
540-2917446-10
540-2917446-10
Палец
531-2917020
531-2917020
Цилиндр в сборе
540-2917454-11
540-2917454-11
Сальник в сборе
540-2917450
540-2917450
Втулка
264030-08
264030-08
Масленка
340430-29
340430-29
Болт
252139-02
252139-02
Шайба пружинная
201417-29
201417-29
Болт
252134-02
252134-02
Шайба пружинная
Содержащиеся в справочниках-каталогах запасные части и детали не предлагаются к продаже, а носят исключительно информационный характер
Дополнительная информация
×
Название:
Номер:
Примечание: