Вернуться на главную
Поиск
Каталоги запчастей к технике
Грузовые автомобили и прицепы
БелАЗ
75450
Установка рулевого управления;Mounting of steering
Каталог запасных частей к технике: БелАЗ 75450. Установка рулевого управления;Mounting of steering
zoom-in
zoom-out
enlarge
shrink
circle-right
circle-left
file-text2
info
cart
Тип техники
Не выбрано
Легковые автомобили
Грузовые автомобили и прицепы
Автобусы
Сельхозтехника
Спецтехника
Двигатели
Мототехника
Марка
Не выбрано
BAW
DAF
DongFeng
FAW
Foton
HOWO
Hyundai
IVECO
JAC Motors
LGMG
MAN
Shaanxi
SITRAK
Studebaker
Tata
Volvo
Автокомпонент Плюс
БелАЗ
Брянский Арсенал
ГАЗ
ЗИЛ
КАЗ
Камский автозавод
КрАЗ
Мадара
МАЗ
МЗКТ
МоАЗ
Нефтекамский автозавод
Ставропольский Завод АвтоПрицепов
ТАТРА
Тонар
УралАЗ
ЧМЗАП
Модель
Не выбрано
75131 (2016)
75131 (2017)
75302, 75306, 75307, 75309 (2016)
7540 (А, В, Е, С, D, К) (2015)
75450 (2010)
7547, 75473 (2014)
75581, 75583 (2015)
76470 (дополнение) (2017)
БелАЗ-540А (1975)
БелАЗ-7512 (2002)
БелАЗ-7513 (2002)
БелАЗ-75131 (2008)
БелАЗ-75131 (2012)
БелАЗ-75131 (доп. к каталогу) (2015)
БелАЗ-7522
БелАЗ-7523
БелАЗ-75231
БелАЗ-75306 (2010)
БелАЗ-7540
БелАЗ-75401
БелАЗ-7540B (2009)
БелАЗ-7540C (2009)
БелАЗ-7540D (2009)
БелАЗ-7540K (2009)
БелАЗ-7540А (2009)
БелАЗ-7547
БелАЗ-7548А (2000)
БелАЗ-7549 (2002)
БелАЗ-7555A
БелАЗ-75600 (2010)
БелАЗ-76470 (2012)
Общий (см. мод-ции)
Схема
>
Не выбрано
Установка двигателя;Mounting of engine
Двигатель с кронштейнами;Engine with brackets
Установка пускового подогревателя;Mounting of starting heater
Установка воздушного фильтра;Mounting of air filter
Фильтр воздушный;Air filter
Установка топливного бака;Mounting of fuel tank
Топливный бак;Fuel tank
Кран топливный с фильтром;Fuel cock with filter
Установка топливопроводов;Mounting of fuel pipelines
Установка системы охлаждения топлива;Mounting of fuel cooling system
Распределитель топлива;Fuel distributor
Установка системы выпуска отработавших газов;Mounting of exhaust system
Установка системы охлаждения двигателя. Вид 1;Mounting of the engine cooling system. View 1
Установка системы охлаждения двигателя. Вид 2;Mounting of the engine cooling system. View 2
Установка расширительного бачка;Mounting of expansion tank
Блок радиаторов;Radiator block
Установка системы охлаждения надувочного воздуха;Mounting of supercharged air cooling system
Установка гидромеханической передачи;Mounting of hydromechanical gear
Установка указателя уровня масла;Mounting of oil level indicator
Передача гидромеханическая;Hydromechanical gear unit assembly
Передача гидромеханическая. Трубопроводы;Hydromechanical gear unit assembly
Фильтр гидромеханической передачи;Hydromechanical gear filter
Насос масляный;Oil pump
Гидротрансформатор с коробкой передач;Torque converter and gearbox
Картер гидротрансформатора в сборе;Torque converter housing
Картер гидротрансформатора;Torque converter housing
Крышка картера гидротрансформатора в сборе;Torque converter housing cover, assy
Колесо насоса в сборе;Wheel pump, assy
Колесо турбины в сборе;Turbine wheel, assy
Колесо первого (второго) реактора в сборе;First (second) reactor wheel, assy
Вал ведущий с барабаном;Driving shaft with drum
Крышка подшипника ведущего вала;Driving shaft bearing cover
Коробка передач. Картеры, установка первичного вала;Gearbox. Casings, mounting of main shaft
Коробка передач. Установка реверсивного и диапазонного валов;Gearbox. Mounting of reverse and range shafts
Коробка передач. Установка выходного вала;Gearbox. Mounting of output shaft
Коробка передач. Установка маслозаборника и полнопоточного фильтра;Gearbox. Mounting of oiiintake and full-flow filter
Коробка передач. Установка крышек диапазонного, реверсивного валов и брызговиков шестерен;Mounting of range and reverse shafts covers and splash guards of pinions
Картер коробки передач;Casing of gearbox
Картер гидромеханической передачи;Casing of hydromechanical gear
Коробка передач. Установка золотниковой коробки и механизма управления гидромеханической передачей;Mounting of spool-valve box and hydromechanical gear control mechanism
Первичный вал;Main shaft
Реверсивный (диапазонный) вал;Reverse (range) shaft
Крышка диапазонного вала;Cover of range shaft
Крышка реверсивного вала;Cover of range shaft
Шестерни ведущие;Driving pinion
Ступица гидротрансформатора в сборе;Torque convertor hub, assy
Фрикцион повышающего (понижающего) диапазона;Friction clutch of raising (lowering) range
Барабан фрикциона повышающего (понижающего) диапазона;Drum of raising (lowering) range friction clutch
Фрикцион второй передачи;Friction clutch of second step
Поршень фрикциона;Piston of friction clutch
Барабан фрикциона второй передачи;Drum of second step friction clutch
Элемент фильтрующий маслозаборника;Filtering element of oil intake
Элемент фильтрующий полнопоточного фильтра;Filtering element of full-flow filter
Клапан корректирующий;Correction valve
Коробка золотниковая. Крепление крышек, колпачки и пробки;Spool valve box. Covers, caps and plugs
Коробка золотниковая. Аварийный клапан;Spool valve box. Emergency valve
Коробка золотниковая. Регулятор давления гидротрансформатора;Spool valve box. Torque converter pressure relay
Коробка золотниковая. Регулятор главного давления;Spool valve box. Main pressure regulator
Опора пружин с шариком;Support
Механизм привода управления блокировкой гидротрансформатора;Torque converter blocking control
Электромагнит в сборе;Electromagnet
Механизм управления гидромеханической передачей;Mechanism of hydromechanical gear control
Установка трубопроводов и шлангов гидромеханической передачи;Mounting of piping and hoses of hydromechanical transmission
Установка теплообменников;Mounting of heat exchangers
Теплообменник водомасляный;Water-to-oil heat exchanger
Установка карданных валов;Mounting of propeller shafts
Муфта упругая;Elastic coupling
Вал карданный заднего моста;Cardan shaft of rear axle
Вал карданный;Cardan shaft
Мост задний с тормозами и ступицами;Rear axle with brakes and hubs
Картер заднего моста;Rear axle housing
Главная передача;Main gear
Ведущая шестерня главной передачи;Driving pinion of main gear
Дифференциал и полуоси;Differential and axle shafts
Водило с сателлитами и коронная шестерня;Carrier with satellites and crown pinion
Ступица заднего колеса;Rear wheel hub
Многодисковый тормозной механизм;Multi disk brake mechanism
Диск с фланцем;Disk with flange
Рама;Frame
Установка брызговиков двигателя;Mounting of engine mudshields
Установка цилиндра передней подвески;Front suspension cylinder
Цилиндр подвески;Suspension cylinder
Центральный шарнир передней подвески;Front suspension central joint
Установка штанги передней подвески;Mounting of front suspension cross beam
Установка цилиндра задней подвески;Mounting of rear suspension cylinder
Цилиндр подвески с фланцем;Suspension cylinder
Цилиндр подвески;Suspension cylinder
Установка центрального шарнира задней подвески;Mounting of rear suspension central joint
Установка поперечной штанги задней подвески;Mounting of rear suspension cross beam
Насос;Pump
Клапан предохранительный;Safety valve
Установка поворотных кулаков и шкворней;Mounting of swivel cams and pivots
Подшипник упорный;Thrust bearing
Установка цилиндров поворота и поперечной тяги рулевой трапеции;Mounting of steering cylinders and steering linkage cross rod
Цилиндр поворота;Turning cylinder
Тяга рулевой трапеции;Steering linkage rod
Наконечник тяги;Rod end, RH
Установка ступицы переднего колеса;Mounting of front wheel hub
Ступица переднего колеса;Front wheel hub assy
Установка рабочих тормозных механизмов;Mounting of service brake mechanisms
Колеса и детали их крепления;Wheels and parts of their fastening
Детали колес;Wheel parts
Установка камневыталкивателей;Mounting of stone ejectors
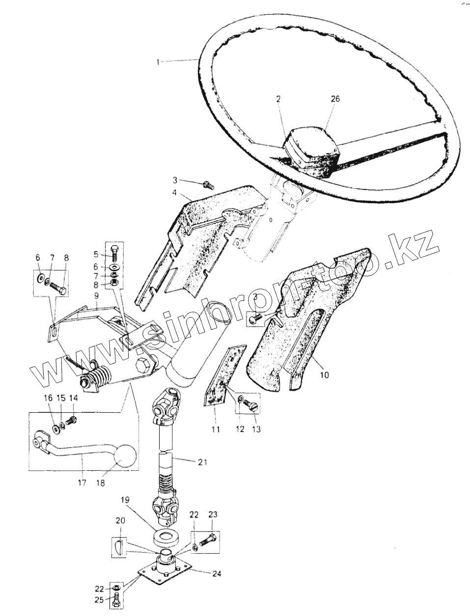
Установка рулевого управления;Mounting of steering
Колонка рулевая с кронштейном;Steering column with bracket
Колонка рулевого управления;Steering column
Вал карданный рулевого управления;Steering cardan shaft
Кардан вала рулевого управления;Cardan of shaft
Фланец с подшипником;With bearing
Вал рулевого механизма;Steering mechanism shaft
Установка трубопроводов рулевого управления;Mounting of steering pipelines
Электродвигатель с насосом;Electromotor with pump
Клапан-регулятор;Regulator valve
Фильтр;Filter
Монтаж гидравлического привода тормозов;Mounting of hydraulic brake drive
Клапан соединительный;Connective valve
Кран управления тормозами;Control brake valve
Кран управления;Control valve
Двойной защитный клапан;Dual safety valve
Кран управления стояночным тормозом;Control cock of parking brake
Пневмогидроаккумулятор;Pneumatic hydroaccumulator
Автомат разгрузки насоса;Automat of pump release
Распределитель;Distributor
Монтаж системы охлаждения тормозных механизмов;Mounting of braking mechanisms cooling system
Клапан предохранительный;Safety valve
Фильтр;Filter
Монтаж трубопроводов компрессора;Mounting of compressor pipelines
Клапан предохранительный;Safety valve
Установка фар и подфарников;Mounting of headlights
Монтаж электрооборудования на кабине (без рисунка);Mounting of electrical equipment in the cabin (without figure)
Установка аккумуляторных батарей и монтаж проводов;Installation of storage batteries and cables montage
Монтаж электрооборудования на шасси (без рисунка);Mounting of electrical equipment at chassis (without figure)
Установка задних фонарей и задней фары;Mounting of taillights and tail lantern
Установка панели приборов;Mounting of instrumentation panel
Инструмент, принадлежности;Tools and accessories
Установка системы пожаротушения;Mounting of sprinkler
Установка огнетушителя;Mounting of fire extinguisher
Установка инструментального ящика;Mounting of instrumental box
Установка противооткатных упоров;Mounting of anti-rollback stops
Установка кабины;Cabin mounting
Кабина;Cabin
Кабина. Установка приборных панелей и кронштейнов педалей;Cabin. Mounting of instrumentation panels and pedal brackets
Кабина. Установка декоративных панелей и дверцы шкафа;Cabin. Mounting of decorative panels and cabinet door
Панель приборов;Instrumentation panel
Дверь кабины;Door of cabin
Окно раздвижное;Sliding window
Петля двери;Door hinge
Установка кожуха пола;Mounting of floor shroud
Установка стеклоочистителя;Mounting of screen wiper
Установка щетки и рычага стеклоочистителя;Mounting of windshield wiper brush and arm
Установка стеклоомывателя;Mounting of windshield washer
Установка сидений;Mounting of seats
Установка отопителя кабины;Mounting of cabin heater
Установка салонного фильтра;Mounting of cab filter
Отопитель кабины;Cabin heater
Установка вентилятора кабины;Mounting of cab fan
Установка трубопроводов отопителя кабины;Mounting of cabin heater pipelines
Установка противосолнечного козырька;Mounting of sun visor
Установка кронштейнов зеркал;Mounting of mirrors brackets
Установка оперения;Mounting tendering
Установка платформы;Mounting of body
Установка брызговиков;Mounting of mud shields
Установка цилиндров опрокидывающего механизма;Mounting of hoist cylinders
Цилиндр опрокидывающего механизма;Hoist cylinders
Установка трубопроводов опрокидывающего механизма. Монтаж всасывающих и сливной гидролиний;Mounting of hoist pipelines. Assemblage of suction and drainage hydraulic lines
Установка трубопроводов опрокидывающего механизма. Монтаж напорных гидролиний;Mounting of hoist pipelines. Assemblage of pressure hydraulic
Установка трубопроводов опрокидывающего механизма. Монтаж гидролиний управления;Mounting of hoist pipelines. Assemblage of controlling hydraulic lines
Блок управления;Control unit
Клапан;Valve
Панель управления;Control panel
Клапан вспомогательный;Additional valve
Клапан предохранительный;Safety valve
Блок корпусов;Cluster of frames
Установка насосов;Mounting of pumps
Установка масляного бака;Mounting of oil tank
Бак масляный. Установка фильтров и заслонки;Бак масляный. Установка фильтров и заслонки
Бак масляный. Установка заправочного клапана и нижней крышки;Oil tank. Mounting of refill valve and lower cover
Заслонка;Flap
Установка датчика положения платформы;Mounting position sensing platform
Установка выключателя;Mounting of switch
1
2
3
3
4
5
6
6
7
7
8
8
9
10
11
12
13
14
15
16
17
18
19
20
21
22
22
23
24
25
26
Позиция на иллюстрации
Заводской номер детали
Название детали
1
425-3402015
Колесо рулевое
2
75474-3401080
Крышка
3
223064
Винт
4
64221-3444244
Крышка верхнего кожуха
5
201456
Болт
6
252005
Шайба
7
252135
Шайба
8
250510
Гайка
9
75474-3444009
Колонка рулевая с кронштейном
10
64221-3444236
Кожух верхний
11
75481-3444140
Кожух
12
252134
Шайба
13
224622
Винт
14
201418
Болт
15
252134
Шайба
16
252037
Шайба
17
75481-3444190-20
Рукоятка
18
540-8101050
Шарик
19
75481-3401138-01
Крышка подшипника
20
343800
Шпонка
21
7555-3401048
Вал карданный рулевого управления
22
252136
Шайба
23
200317
Болт
24
75474-3401259
Фланец с подшипником
25
201497
Болт
26
75474-3401920
Эмблема
Содержащиеся в справочниках-каталогах запасные части и детали не предлагаются к продаже, а носят исключительно информационный характер
Дополнительная информация
×
Название:
Номер:
Примечание: