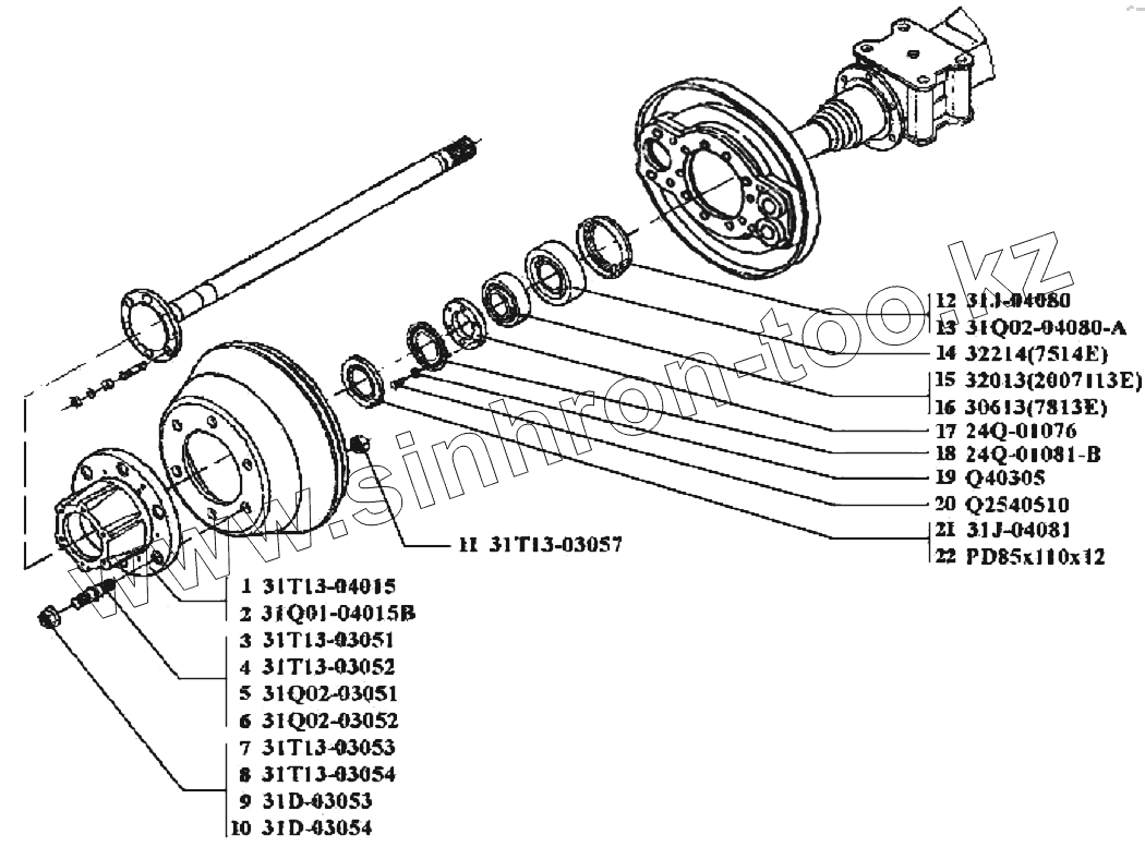
Каталог запасных частей к технике: BAW Трансмиссия BJ 1044/1065. Ступицы задних колес (3104)
1
2
3
4
5
6
7
8
9
10
11
12
13
14
15
16
17
18
19
20
21
22
| Позиция на иллюстрации | Заводской номер детали | Название детали | |
|---|---|---|---|
| 1 | 31T13-04015 | Ступица заднего колеса | |
| 2 | 31Q01-04015B | Ступица заднего колеса | |
| 3 | 31T13-03051 | Футорка левая | |
| 4 | 31T13-03052 | Футорка правая | |
| 5 | 31Q02-03051 | Футорка левая | |
| 6 | 31Q02-03052 | Футорка правая | |
| 7 | 31T13-03053 | Гайка заднего колеса левая | |
| 8 | 31T13-03054 | Гайка заднего колеса правая | |
| 9 | 31D-03053 | Гайка заднего колеса левая | |
| 10 | 31D-03054 | Гайка заднего колеса правая | |
| 11 | 31T13-03057 | Гайка | |
| 12 | 31J-04080 | Манжета | |
| 13 | 31Q02-04080-A | Манжета | |
| 14 | 32214 | Подшипник | |
| 15 | 32013 | Подшипник | |
| 16 | 30613 | Подшипник | |
| 17 | 24Q-01076 | Гайка подшипника | |
| 18 | 24Q-01081-B | Шайба стопорная | |
| 19 | Q40305 | Шайба пружинная | |
| 20 | Q2540510 | Болт | |
| 21 | 31J-04081 | Манжета | |
| 22 | PD85x110x12 | Манжета |
Содержащиеся в справочниках-каталогах запасные части и детали не предлагаются к продаже, а носят исключительно информационный характер