Каталог запасных частей к технике: BAW Трансмиссия BJ 1044/1065. Коробка передач (1701)/1
1
1
1
1
1
2
2
2
2
3
4
5
6
7
8
9
10
11
12
13
14
15
16
17
18
19
20
21
22
23
24
24
25
26
27
28
29
30
31
32
33
34
35
36
36
37
37
38
39
39
40
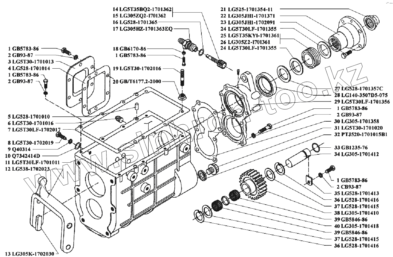
| Позиция на иллюстрации | Заводской номер детали | Название детали | |
|---|---|---|---|
| 1 | GB5783-86 | Болт | |
| 2 | GB93-87 | Шайба | |
| 3 | LG5T30-1701013 | Крышка люка под коробку отбора мощности | |
| 4 | LG528-1701014 | Прокладка крышки люка под коробку отбора мощности | |
| 5 | LG528-1701010 | Штифт | |
| 6 | LG5T30-1701016 | Пробка | |
| 7 | LG5T30LF-1702017 | Прокладка | |
| 8 | LG5T30-1702019 | Болт вилки | |
| 9 | Q40314 | Шайба пружинная | |
| 10 | Q7342414D | Кольцо | |
| 11 | LG5T30LF-1701011 | Картер в сборе | |
| 12 | LG538-1702023 | Вилка включения 4-й и 5-й передач | |
| 13 | LG305K-1702030 | Направляющая вилки 4-й и 5-й передач | |
| 14 | LG5T35BQ2-1701362 | Ведомая шестерня привода спидометра | |
| 15 | LG305ZQ2-1701362 | Ведомая шестерня привода спидометра | |
| 16 | LG528-1701365 | Кольцо уплотнительное | |
| 17 | LG305HZ-1701363EQ | Втулка вала привода спидометра | |
| 18 | GB6170-86 | Гайка | |
| 19 | LG5T30-1702016 | Шпилька | |
| 20 | GB/T6177.2-2000 | Гайка | |
| 21 | LG525-1701354-11 | Гайка | |
| 22 | LG305JH1-1701371 | Фланец | |
| 23 | LG305JH1-1702091 | Болт | |
| 24 | LG5T30LF-1701355 | Кольцо | |
| 25 | LG5T35KY1-1701361 | Шестерня спидометра | |
| 26 | LG305Z2-1701361 | Шестерня спидометра | |
| 27 | LG528-1701357C | Прокладка | |
| 28 | LG140-3507D5-075 | Сальник | |
| 29 | LG5T30LF-1701356 | Крышка коробки передач задняя | |
| 30 | LG305-1701358 | Прокладка крышки коробки передач задней | |
| 31 | LG5T30-1701020 | Пробка сливная в сборе | |
| 32 | PTJ520-1701015B1 | Шайба уплотнительная | |
| 33 | GB1235-76 | Кольцо уплотнительное | |
| 34 | LG305-1701412 | Ось шестерни заднего хода | |
| 35 | LG528-1701413 | Шайба стопорная | |
| 36 | LG528-1701416 | Шайба упорная | |
| 37 | LG528-1701415 | Шайба | |
| 38 | LG305-1701410 | Шестерня заднего хода | |
| 39 | GB5846-86 | Подшипник игольчатый | |
| 40 | LG305-1701418 | Прокладка |
Содержащиеся в справочниках-каталогах запасные части и детали не предлагаются к продаже, а носят исключительно информационный характер