Каталог запасных частей к технике: BAW BJ 1044/1065. Коробка передач 1065
1
1
2
2
3
4
4
4
5
5
5
6
6
6
7
8
9
10
10
11
11
12
13
13
14
14
15
15
16
17
17
18
18
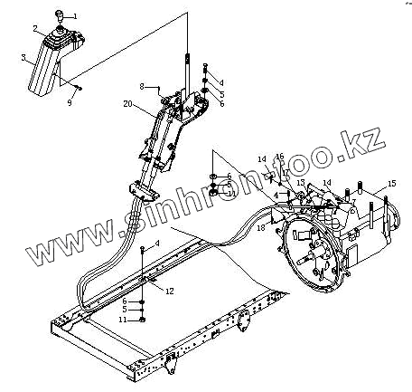
| Позиция на иллюстрации | Заводской номер детали | Название детали | |
|---|---|---|---|
| 1 | ВР10651720005 | Рукоятка рычага переключения передач | |
| 1 | ВР10441720005 | Рукоятка рычага переключения передач | |
| 2 | ВР10441720006 | Уплотнитель рычага | |
| 2 | ВР10651720006 | Уплотнитель рычага | |
| 3 | ВР10441720007 | Кожух рычага | |
| 4 | Q150В820 | Болт | |
| 5 | Q40308 | Шайба пружинная | |
| 6 | Q40108 | Шайба плоская | |
| 7 | Q40106 | Шайба плоская | |
| 8 | Q5002016 | Шплинт | |
| 9 | Q2140612 | Винт | |
| 10 | ВР10441720002 | Трос переключения передач в сборе | |
| 10 | ВР10651720002 | Трос переключения передач в сборе | |
| 11 | Q340В08 | Гайка | |
| 12 | 170396201 | Хомут | |
| 13 | ВР10651720003 | Кожух троса рычага | |
| 13 | ВР10651720203 | Кожух троса рычага | |
| 14 | Q5002525 | Шплинт | |
| 15 | ВР10651710001 | Коробка передач в сборе | |
| 15 | ВР10651710201 | Коробка в сборе | |
| 16 | Q40206 | Шайба плоская | |
| 17 | ВР10441720004 | Кожух троса резиновый | |
| 17 | ВР10651720004 | Кольцевой наконечник кабеля | |
| 18 | ВР10441720126 | Кронштейн | |
| 18 | ВР10651720026 | Кронштейн |
Содержащиеся в справочниках-каталогах запасные части и детали не предлагаются к продаже, а носят исключительно информационный характер