Вернуться на главную
Поиск
Каталоги запчастей к технике
Грузовые автомобили и прицепы
BAW
BAW-33463 Tonik
Узел дроссельный
Каталог запасных частей к технике: BAW-33463 Tonik. Узел дроссельный
zoom-in
zoom-out
enlarge
shrink
circle-right
circle-left
file-text2
info
cart
Тип техники
Не выбрано
Легковые автомобили
Грузовые автомобили и прицепы
Автобусы
Сельхозтехника
Спецтехника
Двигатели
Мототехника
Марка
Не выбрано
BAW
DAF
DongFeng
FAW
Foton
HOWO
Hyundai
IVECO
JAC Motors
LGMG
MAN
Shaanxi
SITRAK
Studebaker
Tata
Volvo
Автокомпонент Плюс
БелАЗ
Брянский Арсенал
ГАЗ
ЗИЛ
КАЗ
Камский автозавод
КрАЗ
Мадара
МАЗ
МЗКТ
МоАЗ
Нефтекамский автозавод
Ставропольский Завод АвтоПрицепов
ТАТРА
Тонар
УралАЗ
ЧМЗАП
Модель
Не выбрано
BAW-33463 Tonik (2010)
BJ 1044/1065 (2006)
BJ 1044/1065 (2006)
Трансмиссия BJ 1044/1065 (2008)
Шасси BJ 1044/1065 (2008)
Схема
>
Не выбрано
Стеклоочистители
Стеклоомыватель
Кабина
Панель приборов
Сиденья, ремни безопасности
Зеркало внутреннее, внешние зеркала заднего вида
Козырек противосолнечный и ручка
Бампер передний
Панель облицовки передка
Решетка передняя
Подножки и брызговики
Уплотнители передней двери и стекла
Элементы обшивки двери
Стеклоподъемник и замок передней двери
Элементы внутренней обшивки
Элементы обшивки колесных арок
Опора передняя кабины
Опора задняя кабины
Отопитель и панель переключателей отопителя
Трубопровод подачи охлаждающей жидкости на отопитель
Платформа грузовая
Брызговики грузовой платформы
Подвеска двигателя
Блок цилиндров
Корпус блока и масляный картер
Поршень, коленчатый вал и маховик
Газораспределительный механизм
Головка блока цилиндров в сборе
Крышка головки блоков цилиндров в сборе
Масляный насос и фильтр
Система подачи топлива
Узел дроссельный
Аккумулятор топлива
Привод управления подачей топлива
Воздухозаборник
Коллектор впускной
Коллектор выпускной
Система выпуска
Система охлаждения
Радиатор в сборе
Сцепление
Механизм выключения сцепления и подшипник
Привод управления сцеплением
Картер КПП в сборе
Валы и шестерни КПП
Вилки и штоки переключения передач
Механизм переключения передач
Вал карданный
Мост задний в сборе
Тормоз задний барабанный, ступица и полуось в сборе
Мост передний в сборе
Мост передний
Система тормозных шлангов
Привод управления рабочим тормозом
Механизм управления стояночным тормозом
Механизм рулевой
Рама с сборе
Подвеска передняя
Подвеска задняя
Кронштейн крепления запасного колеса
Стартер и генератор
Электрооборудование двигателя
Жгут проводов двигателя и шасси
Жгут проводов соединения кабины с платформой
Фары и фонари
Выключатели
Монтажный блок и детали электрооборудования
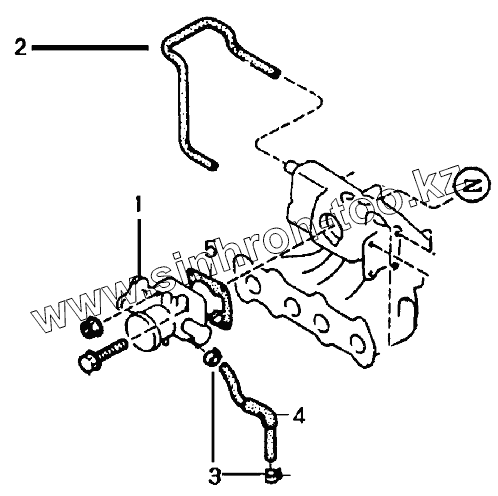
1
2
3
4
5
Позиция на иллюстрации
Заводской номер детали
Название детали
1
G4AA-1008060
Корпус дросселя в сборе
2
G4AA-1300011
Труба впускная подогрева дросселя
3
XG471QE-1300013
Хомут трубы подогрева дросселя
4
G4AA-1300012
Труба возвратная подогрева дросселя
5
G4AA-1008012
Прокладка корпуса дросселя
Содержащиеся в справочниках-каталогах запасные части и детали не предлагаются к продаже, а носят исключительно информационный характер
Дополнительная информация
×
Название:
Номер:
Примечание: