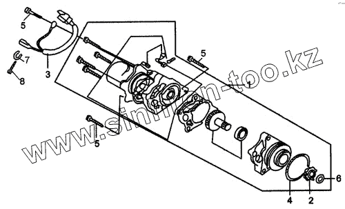
Каталог запасных частей к технике: ЗиД Двигатель 1Р39FMB-Н. Стартер
1
2
3
4
5
5
5
6
7
8
| Позиция на иллюстрации | Заводской номер детали | Название детали | |
|---|---|---|---|
| 1 | 34700/1P50FMG-В | Электростартер в сборе | |
| 2 | 34761/1P50FMG-В | Малая звездочка | |
| 3 | 34890/1P50FMG-В | Кабель | |
| 4 | 34763/1P50FMG-В | Уплотнительное кольцо | |
| 5 | GB5787-86 | Болт М6х50 | |
| 6 | GB894.1-86 | Кольцо | |
| 7 | GB97.1-85 | Шайба 4 | |
| 8 | GB818-85 | Винт M6x22 |
Содержащиеся в справочниках-каталогах запасные части и детали не предлагаются к продаже, а носят исключительно информационный характер