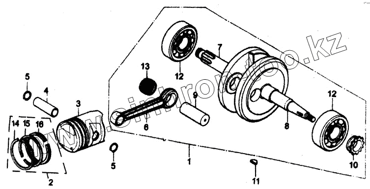
Каталог запасных частей к технике: ЗиД Двигатель 1Р39FMB-Н. Коленчатый вал и поршень
1
2
3
4
5
5
6
7
8
9
10
11
12
12
13
14
15
16
| Позиция на иллюстрации | Заводской номер детали | Название детали | |
|---|---|---|---|
| 1 | 13100/1P47FMD | Коленчатый вал в сборе | |
| 2 | 13300/1P39QMB | Комплект поршневых колец | |
| 3 | 13211/1P39QMB | Поршень | |
| 4 | 13221/1P39QMB | Палец поршня | |
| 5 | 13222/1P50FMB | Стопор пальца поршневого | |
| 6 | 13131/1P47FMD | Соединительная тяга | |
| 7 | 13121/1P47FMD | Коленчатый вал правый | |
| 8 | 13111/1P47FMD | Коленчатый вал левый | |
| 9 | 13141/1P50FMG | Палец привода коленчатого вала | |
| 10 | 13311/1P50FMG | Распределительная звездочка | |
| 11 | 13118/1P50FMG | Шпонка | |
| 12 | GB/T276-94 | Подшипник 6304 | |
| 13 | 13150/1P50FMG | Подшипник | |
| 14 | 13311/1P39QMB | Комплект поршневых колец №1 | |
| 15 | 13312/1P39QMB | Комплект поршневых колец №2 | |
| 16 | 13320/1P39QMB | Комплект маслосъемных поршневых колец |
Содержащиеся в справочниках-каталогах запасные части и детали не предлагаются к продаже, а носят исключительно информационный характер