Каталог запасных частей к технике: ЗиД Двигатель 168F, 168F-2. Стартер ручной
1
2
3
3
3
4
4
5
5
5
5
5
6
7
8
9
9
10
10
11
12
13
14
15
16
17
18
19
20
21
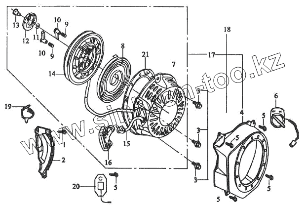
| Позиция на иллюстрации | Заводской номер детали | Название детали | |
|---|---|---|---|
| 1 | GB5787-86 | Болт М6х22 | |
| 2 | 19810/168F | Крышка картера в сборе | |
| 3 | GB5787-86 | Болт М6х18 | |
| 4 | 19710 | Крышка вентилятора | |
| 4 | 19710/168F | Крышка вентилятора в сборе | |
| 5 | GB5787-86 | Болт М6х12 | |
| 6 | 35410/168F | Переключатель двигателя | |
| 7 | 27380/168F | Корпус | |
| 8 | 27319/168F | Пружина спиральная | |
| 9 | 27312/168F | Пружина храповика | |
| 10 | 27331/168F | Храповик | |
| 11 | 27311/168F | Пружина фрикционная | |
| 12 | 27341/168F | Крышка пружины | |
| 13 | 27315/168F | Винт установочный | |
| 14 | 27351/168F | Ролики стартера | |
| 15 | 27313/168F | Шнур | |
| 16 | 27361/168F | Ручка тяговая | |
| 17 | 27300/168F | Стартер ручной | |
| 18 | 27100 | Стартер в сборе | |
| 19 | 32211/168F | Зажим пластиковый | |
| 20 | 37850/168F | Диод | |
| 21 | 27390 | Обод |
Содержащиеся в справочниках-каталогах запасные части и детали не предлагаются к продаже, а носят исключительно информационный характер