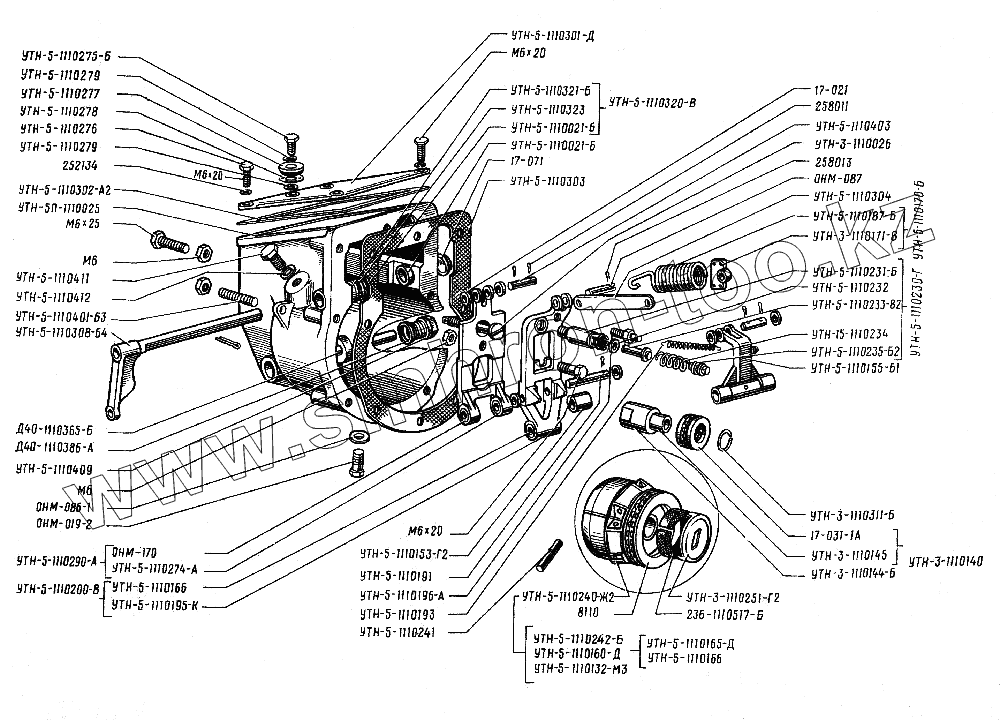
Каталог запасных частей к технике: ЮМЗ Д-65. Регулятор топливного насоса
УТН-5-1110311-Б
УТН-5-1110409
УТН-5-1110403
УТН-5-1110411
УТН-5-1110401-Б3
Д40-1110386-А
Д40-1110365-Б
УТН-5-1110323-Б
УТН-5-1110321-Б
УТН-5-1110412
УТН-5-1110308-Б4
УТН-5-1110304
УТН-5-1110303
УТН-5-1110302-А
УТН-5-1110301-Д
УТН-5-1110279
УТН-5-1110279
УТН-5-1110278
УТН-5-1110277
0HM-170
8110
М6х25
250813
258011
М6
М6
M6x20
M6x20
M6x20
УТН-5-1110235-Б2
0HM-087
0HM-086-1
0НМ-019-2
17-071
17-031-1A
17-021
236-1110517-Б
УТН-5-1110240-Ж2
УТН-5-1110155-Б1
УТН-3-1110145
УТН-3-1110144-Б
УТН-5-1110132-М3
УТН-3-1110026
УТН-5Д-1110025-Б
УТН-5-1110021-Б
УТН-5-1110021-Б
УТН-5-1110320-В
УТН-5-1110290-А
УТН-5-1110165-Д
УТН-5-1110230-Г
УТН-5-1110200-В
УТН-5-1110170-Б
УТН-5-1110160-Д
УТН-3-1110140
УТН-5П-1110020--В1
УТН-3-1110231-Б
УТН-15-1110234
УТН-5-1110233-Б2
УТН-5-1110232
УТН-5-1110276
УТН-5-1110275-Б
УТН-5-1110274-А
УТН-5-1110251-Г2
УТН-5-1110242-Б
УТН-5-1110241
УТН-5ПА-1110020 -Б
УТН-5-1110196-А
УТН-5-1110195-К
УТН-5-1110193
УТН-5-1110153-Г2
УТН-5-1110191
УТН-3-1110187-Б
УТН-3-1110171-В
УТН-5-1110166
УТН-5-1110166
| Позиция на иллюстрации | Заводской номер детали | Название детали | |
|---|---|---|---|
| УТН-5-1110311-Б | УТН-5-1110311-Б | Кольцо запорное | |
| УТН-5-1110281-Б | УТН-5-1110281-Б | Втулка | |
| УТН-5-1110409 | УТН-5-1110409 | Заглушка оси рычагов | |
| УТН-5-1110403 | УТН-5-1110403 | Палец рычага | |
| УТН-5-1110411 | УТН-5-1110411 | Пробка | |
| УТН-5-1110401-Б3 | УТН-5-1110401-Б3 | Винт регулировочный | |
| Д40-1110386-А | Д40-1110386-А | Прокладка заглушки | |
| Д40-1110365-Б | Д40-1110365-Б | Ось рычагов | |
| УТН-5-1110323-Б | УТН-5-1110323-Б | Обойма сальника | |
| УТН-5-1110321-Б | УТН-5-1110321-Б | Втулка | |
| УТН-5-1110412 | УТН-5-1110412 | Прокладка | |
| УТН-5-1110308-Б4 | УТН-5-1110308-Б4 | Рычаг управления | |
| УТН-5-1110304 | УТН-5-1110304 | Тяга рейки | |
| УТН-5-1110303 | УТН-5-1110303 | Прокладка корпуса | |
| УТН-5-1110302-А | УТН-5-1110302-А | Прокладка | |
| УТН-5-1110301-Д | УТН-5-1110301-Д | Крышка регулятора | |
| УТН-5-1110279 | УТН-5-1110279 | Шайба | |
| УТН-5-1110278 | УТН-5-1110278 | Фильтр | |
| УТН-5-1110277 | УТН-5-1110277 | Колпак сапуна | |
| 0HM-170 | 0HM-170 | Втулка | |
| 8110 | 8110 | Шарикоподшипник | |
| М6х25 | М6х25 | Болт | |
| 250813 | 250813 | Шплинт 2x16 | |
| 258011 | 258011 | Шплинт 2x20 | |
| М6 | М6 | Гайка | |
| M6x20 | M6x20 | Болт | |
| УТН-5-1110238 | УТН-5-1110238 | Тарелка | |
| УТН-5-1110237 | УТН-5-1110237 | Скоба | |
| M-0НM-172-1A | M-0НM-172-1A | Футорка | |
| УТН-5-1110235-Б2 | УТН-5-1110235-Б2 | Винт регулировочный | |
| 0HM-087 | 0HM-087 | Палец | |
| 0HM-086-1 | 0HM-086-1 | Прокладка | |
| 0НМ-019-2 | 0НМ-019-2 | Болт | |
| 17-071 | 17-071 | Заглушка | |
| 17-031-1A | 17-031-1A | Подшипник упорный | |
| 17-021 | 17-021 | Прокладка регулировочная | |
| 17-004A | 17-004A | Сальник | |
| 236-1110517-Б | 236-1110517-Б | Сухарь | |
| УТН-5-1110240-Ж2 | УТН-5-1110240-Ж2 | Ступица грузов в сборе | |
| УТН-5-1110155-Б1 | УТН-5-1110155-Б1 | Рычаг пружины | |
| УТН-3-1110145 | УТН-3-1110145 | Втулка муфты | |
| УТН-3-1110144-Б | УТН-3-1110144-Б | Муфта регулятора | |
| УТН-5-1110132-М3 | УТН-5-1110132-М3 | Ступица | |
| УТН-3-1110026 | УТН-3-1110026 | Упор жесткий | |
| УТН-5Д-1110025-Б | УТН-5Д-1110025-Б | Корпус | |
| УТН-5-1110021-Б | УТН-5-1110021-Б | Втулка рычага управления | |
| УТН-5-1110320-В | УТН-5-1110320-В | Втулка | |
| УТН-5-1110290-А | УТН-5-1110290-А | Рычаг основной со втулками | |
| УТН-5-1110165-Д | УТН-5-1110165-Д | Груз регулятора | |
| УТН-5-1110230-Г | УТН-5-1110230-Г | Корректор | |
| УТН-5-1110210-В | УТН-5-1110210-В | Рычаг в сборе | |
| УТН-5-1110200-В | УТН-5-1110200-В | Рычаг промежуточный со втулкой | |
| УТН-5-1110190-М | УТН-5-1110190-М | Рычаг промежуточный | |
| УТН-5-1110170-Б | УТН-5-1110170-Б | Пружина | |
| УТН-5-1110160-Д | УТН-5-1110160-Д | Груз регулятора в сборе | |
| УТН-3-1110140 | УТН-3-1110140 | Муфта регулятора со втулкой | |
| УТН-5П-1110020--В1 | УТН-5П-1110020--В1 | Корпус регулятора | |
| УТН-3-1110231-Б | УТН-3-1110231-Б | Корпус корректора | |
| УТН-15-1110234 | УТН-15-1110234 | Пружина корректора | |
| УТН-5-1110233-Б2 | УТН-5-1110233-Б2 | Шток корректора | |
| УТН-5-1110232 | УТН-5-1110232 | Прокладка | |
| УТН-5-1110276 | УТН-5-1110276 | Тарелка сапуна | |
| УТН-5-1110275-Б | УТН-5-1110275-Б | Болт сапуна | |
| УТН-5-1110274-А | УТН-5-1110274-А | Рычаг основной | |
| УТН-5-1110251-Г2 | УТН-5-1110251-Г2 | Шайба упорная | |
| УТН-5-1110242-Б | УТН-5-1110242-Б | Шайба | |
| УТН-5-1110241 | УТН-5-1110241 | Ось груза | |
| УТН-5ПА-1110020 -Б | УТН-5ПА-1110020 -Б | Регулятор скорости | |
| УТН-5-1110196-А | УТН-5-1110196-А | Шпилька | |
| УТН-5-1110195-К | УТН-5-1110195-К | Рычаг промежуточный | |
| УТН-5-1110193 | УТН-5-1110193 | Пружина обогатителя | |
| УТН-5-1110153-Г2 | УТН-5-1110153-Г2 | Пята | |
| УТН-5-1110191 | УТН-5-1110191 | Ось рычага | |
| УТН-3-1110187-Б | УТН-3-1110187-Б | Пружина | |
| УТН-3-1110171-В | УТН-3-1110171-В | Серьга | |
| УТН-5-1110166 | УТН-5-1110166 | Втулка рычага |
Содержащиеся в справочниках-каталогах запасные части и детали не предлагаются к продаже, а носят исключительно информационный характер