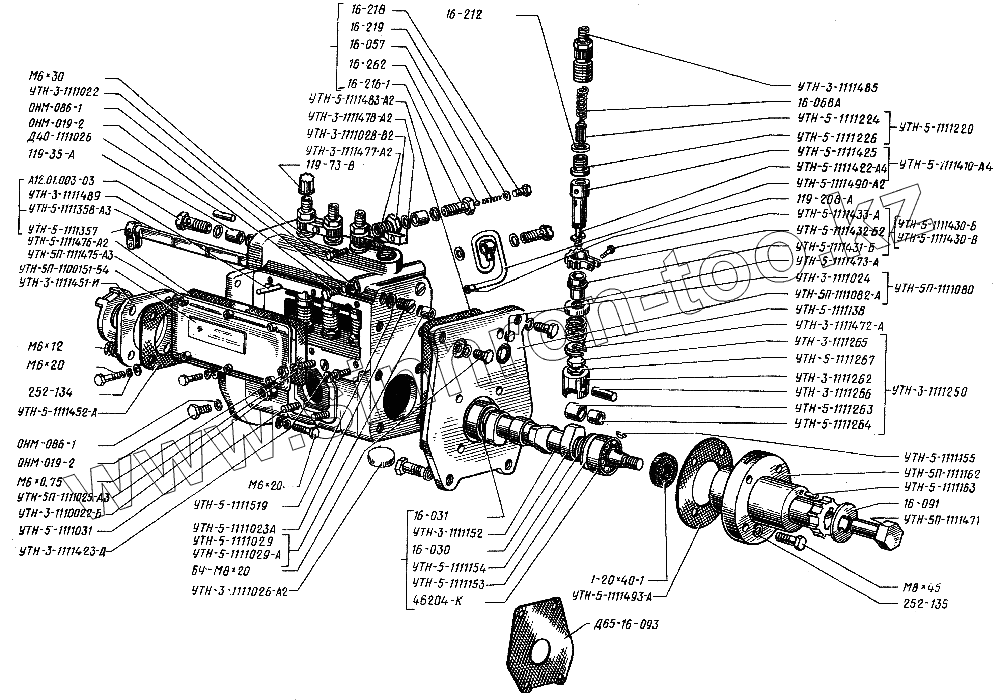
Каталог запасных частей к технике: ЮМЗ Д-65. Насос топливный унифицированный УТН-5П (правый)
УТН-5П-1111080
УТН-5-1111220
УТН-3-1111250
УТН-5-1111430 -Б
УТН-5-1111430 -В
УТН-5-1111490 -А2
УТН-3-1110022-Б
Д65-16-093
УТН-5-1111023
УТН-3-1111024
УТН-5П-1111025 -А3
УТН-3-1111026-А
УТН-3-1111028-В2
УТН-5-1111029
УТН-5-1111029 -А
УТН-5П-1111082 -А
УТН-5-1111031
УТН-3-1111152-А
УТН-5-1111153
УТН-5-1111154
УТН-5-1111155
УТН-5П-1111162
УТН-5-1111163
УТН-5-1111224
УТН-5-1111226
УТН-3-1111262
УТН-5-1111263
УТН-5-1111264
УТН-3-1111265
УТН-3-1111266
УТН-5-1111267
УТН-5-1111357
УТН-5-1111358-А3
УТН-5-1111422-А5
УТН-3-1111423-В
УТН-5-1111425-А
УТН-5-1111431-Б
УТН-5-1111432-Б2
УТН-5-1111433-А
УТН-3-1111451-К
УТН-5-1111452
УТН-5П-1111471
УТН-3-111472
УТН-5-1111473-А
УТН-5П-1111475--А2
УТН-3-1111477-А2
УТН-3-1111478-А2
УТН-5-1111483-А2
УТН-3-1111485
УТН-3-1111489
УТН-5-1111493-А
16-030
16-031
16-057
16-068-А
16-091
16-218
16-219
16-260
Д40-1110026
0НМ-019-2
0НМ-019-2
0HМ-086-1
0HМ-086-1
ШР0-46204-К
М6х20
М6х20
М6х30
М8х20
УТН-5-1111138
УТН-5-1111470
119-208-А
16-212
119-73-В
УТН-5-1111476-А-2
УТН-3-1110022-Б
А12.01.003-03
УТН-5-1111519
Манжета 1-20Х40-1 ГОСТ 8752-70
16-216-1
| Позиция на иллюстрации | Заводской номер детали | Название детали | |
|---|---|---|---|
| УТН-5ПА-1100150 | УТН-5ПА-1100150 | Насос топливный с регулятором и топливоподкачивающим насосом | |
| УТН-5ПА-1111010-А | УТН-5ПА-1111010-А | Насос топливный в сборе | |
| УТН-5П-1111020-А2 | УТН-5П-1111020-А2 | Корпус насоса | |
| УТН-5П-11111030-А2 | УТН-5П-11111030-А2 | Корпус насоса | |
| УТН-5П-1111080 | УТН-5П-1111080 | Плита | |
| УТН-5-1111150-А | УТН-5-1111150-А | Вал кулачковый | |
| УТН-551-1111160 | УТН-551-1111160 | Фланец | |
| УТН-5-1111220 | УТН-5-1111220 | Клапан нагнетательный с разгрузочным пояском | |
| УТН-3-1111250 | УТН-3-1111250 | Толкатель плунжера | |
| УТН-5-1111350 | УТН-5-1111350 | Рейка | |
| УТН-5-1111410-А4 | УТН-5-1111410-А4 | Плунжерная пара | |
| УТН-5-1111430 -Б | УТН-5-1111430 -Б | Гильза поворотная | |
| УТН-5-1111430 -В | УТН-5-1111430 -В | Втулка поворотная | |
| УТН-5П-1111470 | УТН-5П-1111470 | Крышка люка | |
| УТН-5-1111490 -А2 | УТН-5-1111490 -А2 | Трубка сливная | |
| УТН-3-1110022-Б | УТН-3-1110022-Б | Футорка | |
| Д65-16-093 | Д65-16-093 | Прокладка | |
| УТН-3-1110251 | УТН-3-1110251 | Шайба упорная | |
| УТН-5-1111023 | УТН-5-1111023 | Пробка | |
| УТН-3-1111024 | УТН-3-1111024 | Заглушка | |
| УТН-5П-1111025 -А3 | УТН-5П-1111025 -А3 | Корпус насоса | |
| УТН-3-1111026-А | УТН-3-1111026-А | Пробка | |
| УТН-3-1111028-В2 | УТН-3-1111028-В2 | Футорка | |
| УТН-5-1111029 | УТН-5-1111029 | Втулка | |
| УТН-5-1111029 -А | УТН-5-1111029 -А | Втулка | |
| УТН-5П-1111082 -А | УТН-5П-1111082 -А | Плита | |
| УТН-5-1111031 | УТН-5-1111031 | Шпилька | |
| УТН-3-1111152-А | УТН-3-1111152-А | Вал кулачковый | |
| УТН-5-1111153 | УТН-5-1111153 | Шайба | |
| УТН-5-1111154 | УТН-5-1111154 | Прокладка регулировочная | |
| УТН-5-1111155 | УТН-5-1111155 | Шпонка сегментная | |
| УТН-5П-1111162 | УТН-5П-1111162 | Фланец | |
| УТН-5-1111163 | УТН-5-1111163 | Заглушка | |
| УТН-5П-1111165 | УТН-5П-1111165 | Втулка валика шлицевая | |
| УТН-5-1111224 | УТН-5-1111224 | Клапан | |
| УТН-5-1111224-Б | УТН-5-1111224-Б | Клапан | |
| УТН-5-1111226 | УТН-5-1111226 | Седло клапана | |
| УТН-3-1111262 | УТН-3-1111262 | Корпус | |
| УТН-5-1111263 | УТН-5-1111263 | Ролик толкателя | |
| УТН-5-1111264 | УТН-5-1111264 | Втулка ролика | |
| УТН-3-1111265 | УТН-3-1111265 | Болт толкателя | |
| УТН-3-1111266 | УТН-3-1111266 | Ось ролика | |
| УТН-5-1111267 | УТН-5-1111267 | Контргайка | |
| УТН-5-1111357 | УТН-5-1111357 | Поводок рейки | |
| УТН-5-1111358-А3 | УТН-5-1111358-А3 | Рейка | |
| УТН-5-1111359 | УТН-5-1111359 | Штифт | |
| УТН-5-1111422-А5 | УТН-5-1111422-А5 | Плунжер | |
| УТН-3-1111423-В | УТН-3-1111423-В | Винт | |
| УТН-5-1111425-А | УТН-5-1111425-А | Втулка плунжера | |
| УТН-5-1111431-Б | УТН-5-1111431-Б | Втулка поворотная | |
| УТН-5-1111432-Б2 | УТН-5-1111432-Б2 | Венец поворотной втулки зубчатый | |
| УТН-5-1111433-А | УТН-5-1111433-А | Винт зубчатого венца | |
| УТН-3-1111451-К | УТН-3-1111451-К | Стакан | |
| УТН-5-1111452 | УТН-5-1111452 | Прокладка стакана | |
| УТН-5П-1111471 | УТН-5П-1111471 | Болт валика | |
| УТН-3-111472 | УТН-3-111472 | Тарелка | |
| УТН-5-1111473-А | УТН-5-1111473-А | Тарелка пружины верхняя | |
| УТН-5П-1111475--А2 | УТН-5П-1111475--А2 | Крышка | |
| УТН-5-1111476-А5 | УТН-5-1111476-А5 | Прокладка крышки люка | |
| УТН-3-1111477-А2 | УТН-3-1111477-А2 | Зажим передний | |
| УТН-3-1111478-А2 | УТН-3-1111478-А2 | Зажим задний | |
| УПН-3-1111481 | УПН-3-1111481 | Болт | |
| УТН-5-1111483-А2 | УТН-5-1111483-А2 | Прокладка | |
| УТН-3-1111485 | УТН-3-1111485 | Штуцер нажимной | |
| УТН-3-1111489 | УТН-3-1111489 | Штифт | |
| УТН-5-1111493-А | УТН-5-1111493-А | Прокладка установочного фланца | |
| УТН-5-1111496 | УТН-5-1111496 | Шайба | |
| УТН-5-1111519 | УТН-5-1111519 | Кольцо | |
| 16-030 | 16-030 | Прокладка регулировочная | |
| 16-031 | 16-031 | Маслоотражатель шарикоподшипника | |
| 16-057 | 16-057 | Пружина клапана | |
| 16-068-А | 16-068-А | Пружина нагнетательного клапана | |
| 16-075-Г | 16-075-Г | Пружина плунжера | |
| 16-091 | 16-091 | Шайба стопорная | |
| 16-210 | 16-210 | Прокладка | |
| 16-218 | 16-218 | Пробка клапана | |
| 16-219 | 16-219 | Прокладка | |
| 16-260 | 16-260 | Шарик | |
| Д40-1110026 | Д40-1110026 | Штифт установочный | |
| 0НМ-019-2 | 0НМ-019-2 | Болт | |
| 0HМ-086-1 | 0HМ-086-1 | Прокладка | |
| АСК-20х40х9 | АСК-20х40х9 | Уплотнение | |
| ШР0-46204-К | ШР0-46204-К | Подшипник | |
| М6х16 | М6х16 | Болт | |
| М6х18 | М6х18 | Болт | |
| М6х20 | М6х20 | Болт | |
| М6х30 | М6х30 | Болт | |
| М8х15 | М8х15 | Болт | |
| М8х20 | М8х20 | Болт | |
| М10х30 | М10х30 | Болт | |
| УТН-5-1111138 | УТН-5-1111138 | Пружина плунжера | |
| УТН-5-1111470 | УТН-5-1111470 | Крышка сливная | |
| 119-208-А | 119-208-А | Заглушка сливной трубки | |
| 16-212 | 16-212 | Прокладка | |
| 119-73-В | 119-73-В | Колпачок защитный | |
| УТН-5-1111476-А-2 | УТН-5-1111476-А-2 | Прокладка крышки люка | |
| УТН-3-1110022-Б | УТН-3-1110022-Б | Футорка | |
| А12.01.003-03 | А12.01.003-03 | Болт | |
| УТН-5-1111519 | УТН-5-1111519 | Кольцо | |
| Манжета 1-20Х40-1 ГОСТ 8752-70 | Манжета 1-20Х40-1 ГОСТ 8752-70 | Манжета 1-20Х40-1 ГОСТ 8752- 70 | |
| 16-216-1 | 16-216-1 | Корпус клапана |
Содержащиеся в справочниках-каталогах запасные части и детали не предлагаются к продаже, а носят исключительно информационный характер