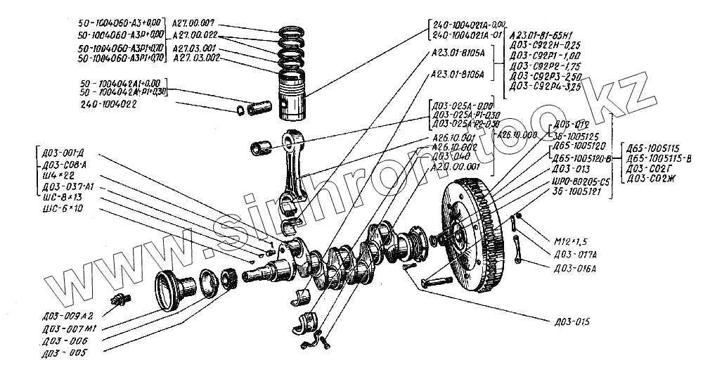
Каталог запасных частей к технике: ЮМЗ Д-65. Кривошипно-шатунный механизм
А26.01-8106А
Д03-037А1
Д03-040
А20.00-001
А26.10.001
А26.10.002
А27.00.007
А27.00.022
А27.03.001
А27.03.002
50-1004060-А3
50-1004060-А3
50-1004060-А3
50-1004060-А3
А26.01-8105А
Д03-025А
Д03-025А
Д03-025А
36-1005121
36-1005125
50-1004042-А1
50-1004042-А1
240-1004021
240-1004021
240-1004022
80205С9
Ш4х22
ШС-6х10
ШС-8х13
Д03-001Д
Д65-1005115
Д65-1105115-В
Д65-1005120
Д65-1005120-В
Д03-С02Г
Д03-С02Ж
Д03-С08А
Д03-С91А
А23.01-81-65
А26.10.000
Д65-10045000
Д03-005
Д03-006
Д03-007М1
Д03-009А2
Д03-011Е
Д03-011Ж
Д03-012
Д03-013
Д03-015
Д03-016А
Д03-017А
| Позиция на иллюстрации | Заводской номер детали | Название детали | |
|---|---|---|---|
| А26.01-8106А | А26.01-8106А | Вкладыш шатунного подшипника | |
| Д03-037А1 | Д03-037А1 | Заглушка | |
| Д03-040 | Д03-040 | Пластина стопорная | |
| А20.00-001 | А20.00-001 | Болт шатунный | |
| А26.10.001 | А26.10.001 | Шатун | |
| А26.10.002 | А26.10.002 | Крышка шатуна | |
| А27.00.007 | А27.00.007 | Кольцо компрессионное верхнее (50-1004062-A) | |
| А27.00.022 | А27.00.022 | Кольцо компрессионное | |
| А27.03.001 | А27.03.001 | Кольцо маслосъемное (50-1004083-A2) | |
| А27.03.002 | А27.03.002 | Кольцо маслосъемное (50-1004083-A2) | |
| 50-1004060-А3 | 50-1004060-А3 | Кольца поршневые (комплект) | |
| А26.01-8105А | А26.01-8105А | Вкладыш шатунного подшипника | |
| Д03-025А | Д03-025А | Втулка | |
| 36-1005121 | 36-1005121 | Палец | |
| 36-1005125 | 36-1005125 | Венец маховика | |
| 50-1004042-А1 | 50-1004042-А1 | Палец | |
| 240-1004021 | 240-1004021 | Поршень | |
| 240-1004022 | 240-1004022 | Кольцо | |
| 80205С9 | 80205С9 | Подшипник | |
| М8х25 | М8х25 | Болт | |
| М12х1,25 | М12х1,25 | Гайка | |
| Ш4х22 | Ш4х22 | Шплинт | |
| ШС-6х10 | ШС-6х10 | Шпонка | |
| ШС-8х13 | ШС-8х13 | Шпонка | |
| Д03-001Д | Д03-001Д | Вал коленчатый | |
| Д65-1005115 | Д65-1005115 | Маховик | |
| Д65-1105115-В | Д65-1105115-В | Маховик | |
| Д65-1005120 | Д65-1005120 | Маховик | |
| Д65-1005120-В | Д65-1005120-В | Маховик | |
| Д03-С02Г | Д03-С02Г | Маховик | |
| Д03-С02Ж | Д03-С02Ж | Маховик | |
| Д03-С08А | Д03-С08А | Вал коленчатый | |
| Д03-С91А | Д03-С91А | Вал коленчатый с вкладышами | |
| А2301-81-40/48 | А2301-81-40/48 | Комплект шатунных вкладышей | |
| А23.01-81-65 | А23.01-81-65 | Комплект шатунных вкладышей | |
| А26.10.000 | А26.10.000 | Шатун | |
| Д65-10045000 | Д65-10045000 | Кривошипно-шатунный механизм | |
| Д03-005 | Д03-005 | Шестерня коленчатого вала | |
| Д03-006 | Д03-006 | Маслоотражатель | |
| Д03-007М1 | Д03-007М1 | Шкив | |
| Д03-009А2 | Д03-009А2 | Храповик | |
| Д03-011Е | Д03-011Е | Маховик | |
| Д03-011Ж | Д03-011Ж | Маховик | |
| Д03-012 | Д03-012 | Венец маховика | |
| Д03-013 | Д03-013 | Кольцо маховика замковое | |
| Д03-015 | Д03-015 | Болт маховика | |
| Д03-016А | Д03-016А | Пластина | |
| Д03-017А | Д03-017А | Пластина |
Содержащиеся в справочниках-каталогах запасные части и детали не предлагаются к продаже, а носят исключительно информационный характер