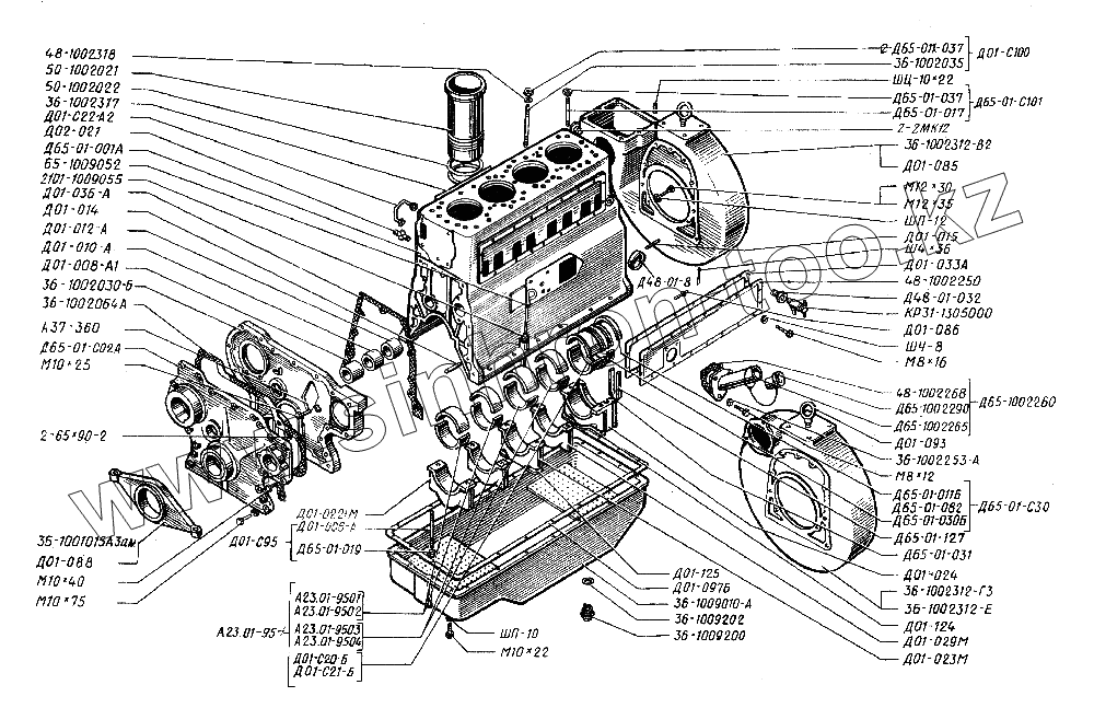
Каталог запасных частей к технике: ЮМЗ Д-65. Блок цилиндров
Д01-097Б
36-1002312-Г3
48-1002268
Д65-1002265
36-1002253-А
36-1002064А
36-1002035
36-1002030-Б
36-1001015
Д65-01-127
Д01-125
Д01-124
36-1002312-Е
Д01-093
Д01-088
Д01-086
Д01-085
Д02-021
Д65-01-082
Д65-01-037
Д65-01-037
Д01-036А
Д01-033А
Д48-01-32
Д65-01-031
М12х30
2-65х90-2
2-2МК12
Ш-4-36
ШЦ-10х22
ШЧ-8
ШП-12
ШП-10
М12х35
Д65-01-030Б
М10х75
М10х40
М10х25
М10х22
М8х12
М8х16
А37-360
36-1009202
48-1002318
36-1002312-В2
Д01-С100
А23.01-9501
А23.01-95
65-1009052
36-1009010-А
Д65-1002290
48-1002250
Д65-1002260
Д65-01-С101
А23.01-9502
Д01-С95
КP31-1305000
Д65-01-С30
Д65-01-011Б
Д01-С22-А2
Д65-01-С02А
Д48-01-8
Д01-029М
Д01-024
Д01-023М
Д01-022М
Д65-01-019
Д65-01-017
Д01-015
Д01-014
Д01-012-А
Д01-014-А
Д01-008-А1
Д01-006-А
50-1002022
50-1002021
Д65-01-001А
36-1009200
2101-1009055
Д01-С21-Б
Д01-С20-Б
А23.01-9504
А23.01-9503
| Позиция на иллюстрации | Заводской номер детали | Название детали | |
|---|---|---|---|
| Д01-097Б | Д01-097Б | Прокладка | |
| 36-1002312-Г3 | 36-1002312-Г3 | Картер маховика | |
| 48-1002268 | 48-1002268 | Прокладка маслозаливной горловины | |
| Д65-1002265 | Д65-1002265 | Патрубок | |
| 36-1002253-А | 36-1002253-А | Шайба | |
| 36-1002064А | 36-1002064А | Прокладка передней крышки | |
| 36-1002035 | 36-1002035 | Шпилька | |
| 36-1002030-Б | 36-1002030-Б | Щит | |
| 36-1001015 | 36-1001015 | Опора | |
| Д65-01-127 | Д65-01-127 | Клин | |
| Д01-125 | Д01-125 | Шайба стопорная | |
| Д01-124 | Д01-124 | Пластина стопорная | |
| 36-1002312-Е | 36-1002312-Е | Картер маховика | |
| Д01-093 | Д01-093 | Ушко такелажное | |
| Д01-088 | Д01-088 | Опора | |
| Д01-086 | Д01-086 | Болт фиксирующий | |
| Д01-085 | Д01-085 | Картер маховика | |
| Д02-021 | Д02-021 | Ниппель | |
| Д65-01-082 | Д65-01-082 | Набивка сальника | |
| Д65-01-037 | Д65-01-037 | Гайка | |
| Д01-036А | Д01-036А | Прокладка | |
| Д01-033А | Д01-033А | Прокладка | |
| Д48-01-32 | Д48-01-32 | Переходник | |
| Д65-01-031 | Д65-01-031 | Вставка уплотнения | |
| М12х30 | М12х30 | Болт | |
| 2-65х90-2 | 2-65х90-2 | Манжета (d=65, D=90, h=14) | |
| 2-2МК12 | 2-2МК12 | Пробка | |
| 3П-4х8 | 3П-4х8 | Заклепка | |
| Ш-4-36 | Ш-4-36 | Шплинт | |
| ШЦ-10х22 | ШЦ-10х22 | Штифт | |
| ШЦ-4х16 | ШЦ-4х16 | Штифт | |
| ШЧ-8 | ШЧ-8 | Шайба | |
| ШП-12 | ШП-12 | Шайба | |
| ШП-10 | ШП-10 | Шайба 10 | |
| М8 | М8 | Гайка | |
| М12х35 | М12х35 | Болт | |
| Д65-01-030Б | Д65-01-030Б | Вкладыш | |
| М10х75 | М10х75 | Болт | |
| М10х40 | М10х40 | Болт | |
| М10х25 | М10х25 | Болт | |
| М10х22 | М10х22 | Болт | |
| М8х12 | М8х12 | Болт | |
| М8х16 | М8х16 | Болт | |
| А37-360 | А37-360 | Шайба стопорная | |
| 36-1009202 | 36-1009202 | Кольцо уплотнительное | |
| 48-1002318 | 48-1002318 | Шайба | |
| 36-1002312-В2 | 36-1002312-В2 | Картер маховика | |
| Д01-С100 | Д01-С100 | Шпилька | |
| А23.01-9501 | А23.01-9501 | Вкладыш 1-го и 3-го коренных подшипников | |
| А23.01-95 | А23.01-95 | Комплект коренных вкладышей | |
| 65-1009052 | 65-1009052 | Масломер | |
| 36-1009010-А | 36-1009010-А | Картер | |
| 36-1002310-Е | 36-1002310-Е | Картер маховика | |
| 36-1002310-В1 | 36-1002310-В1 | Картер маховика | |
| 36-1002310-Б1 | 36-1002310-Б1 | Картер маховика | |
| Д65-1002290 | Д65-1002290 | Сапун | |
| 48-1002250 | 48-1002250 | Крышка | |
| Д65-1002260 | Д65-1002260 | Горловина маслозаливная | |
| Д65-01-С101 | Д65-01-С101 | Шпилька | |
| А23.01-9502 | А23.01-9502 | Вкладыш 1-го и 3-го коренных подшипников (нижний) | |
| Д65-01-С97 | Д65-01-С97 | Комплект шайб | |
| Д01-С95 | Д01-С95 | Шпилька | |
| Д65-01-С94 | Д65-01-С94 | Блок цилиндров в сборе | |
| КP31-1305000 | КP31-1305000 | Кран | |
| Д65-01-С30 | Д65-01-С30 | Вкладыш | |
| Д65-01-011Б | Д65-01-011Б | Манжета | |
| Д65-01-С25 | Д65-01-С25 | Картер маховика | |
| Д01-С22-А2 | Д01-С22-А2 | Трубка | |
| Д65-01-С02А | Д65-01-С02А | Крышка | |
| Д65-01-С01А-Т1 | Д65-01-С01А-Т1 | Блок (с гильзами) | |
| Д48-01-8 | Д48-01-8 | Заглушка | |
| Д01-029М | Д01-029М | Крышка | |
| Д01-024 | Д01-024 | Крышка 5-го коренного подшипника | |
| Д01-023М | Д01-023М | Крышка | |
| Д01-022М | Д01-022М | Крышка | |
| Д65-01-019 | Д65-01-019 | Гайка | |
| Д65-01-017 | Д65-01-017 | Шпилька | |
| Д01-015 | Д01-015 | Штифт установочный | |
| Д01-014 | Д01-014 | Штифт установочный | |
| Д01-012-А | Д01-012-А | Втулка распределительного вала задняя | |
| Д01-014-А | Д01-014-А | Втулка | |
| Д01-008-А1 | Д01-008-А1 | Втулка распределительного вала передняя | |
| Д65-01-С01Б | Д65-01-С01Б | Блок цилиндров | |
| Д01-006-А | Д01-006-А | Шпилька | |
| 50-1002022 | 50-1002022 | Кольцо гильзы уплотнительное | |
| 50-1002021 | 50-1002021 | Гильза цилиндра | |
| Д65-01-001А | Д65-01-001А | Блок | |
| 36-1009200 | 36-1009200 | Пробка | |
| 2101-1009055 | 2101-1009055 | Уплотнитель | |
| Д01-С21-Б | Д01-С21-Б | Вкладыш 5-го коренного подшипника (нижний) | |
| Д01-С20-Б | Д01-С20-Б | Вкладыш 5-го коренного подшипника (верхний) | |
| А23.01-9504 | А23.01-9504 | Вкладыш 2-го и 4-го коренных подшипников | |
| А23.01-9503 | А23.01-9503 | Вкладыш 2-го и 4-го коренных подшипников |
Содержащиеся в справочниках-каталогах запасные части и детали не предлагаются к продаже, а носят исключительно информационный характер