Каталог запасных частей к технике: Yuchai YC6MK340N-50. MY4YA-1003000/02 Cylinder Head Assembly
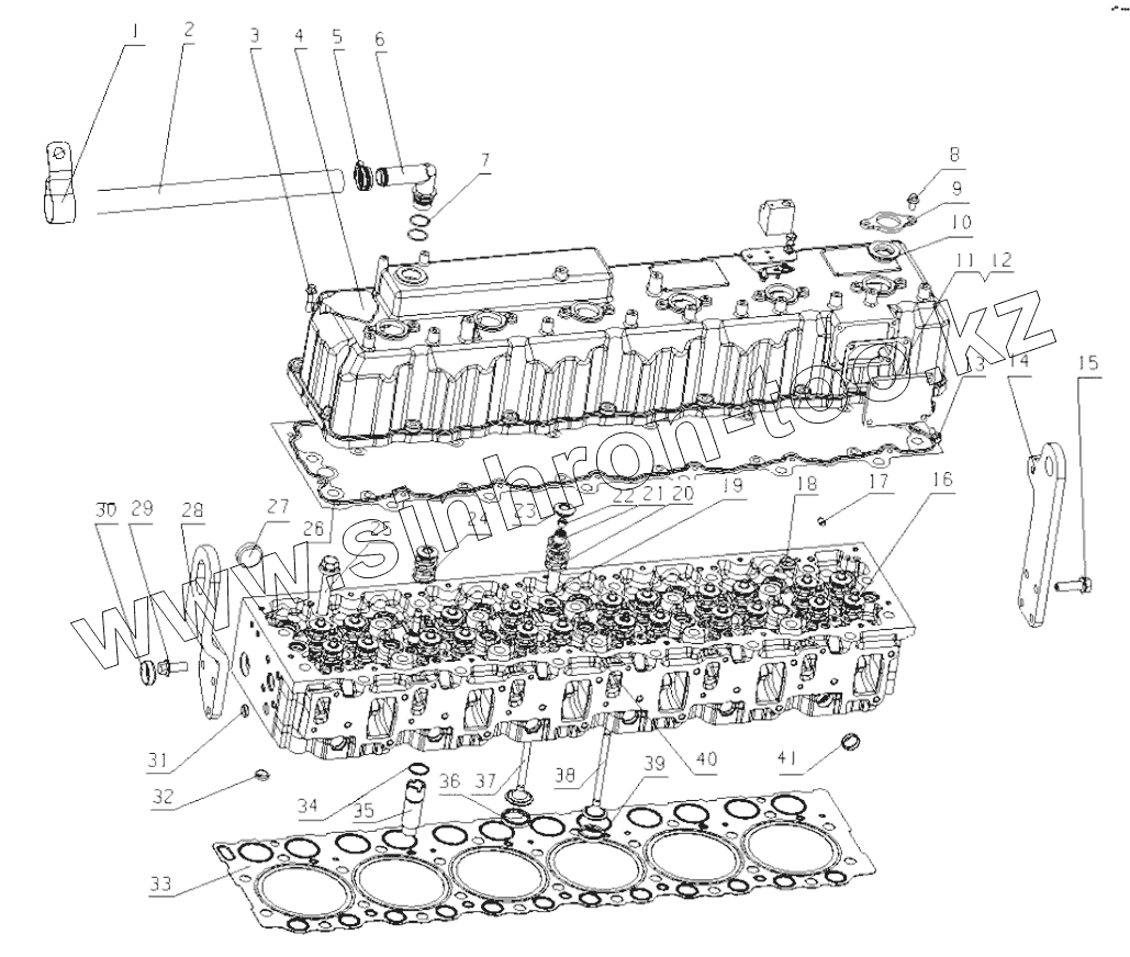
MYB00-1003170
1
2
3
4
5
6
7
8
9
10
11
12
13
14
15
16
17
18
19
20
21
22
23
24
25
26
27
28
29
30
31
32
33
33
34
35
36
37
38
39
40
41
| Позиция на иллюстрации | Заводской номер детали | Название детали | |
|---|---|---|---|
| MYB00-1003170 | MYB00-1003170 | Cylinder cover subassembly | |
| 1 | MY1SA-1003291 | Pipe clamp | |
| 2 | LN200-1014003 | Breathing soft pipe | |
| 3 | Q1840835 | Болт M8x35 | |
| 4 | MYB00-1003240 | Cylinder head cover subassembly | |
| 5 | Q67632 | Петля обруча 32 | |
| 6 | M2A00-1003244 | Breathing pipe | |
| 7 | YC208-A02500F | O ring | |
| 8 | Q1840815 | Болт M8x15 | |
| 9 | LN100-1003204 | Шайба | |
| 10 | LN100-1003202A | Уплотнительное кольцо | |
| 11 | L3BL2-1003271 | Cover plate | |
| 12 | L4700-1003272 | Прокладка крышки | |
| 13 | Q1840820 | Болт M8x20 | |
| 14 | MS4QA-1003122 | Front lifter | |
| 15 | Q1841240TF2 | Болт M12x40 | |
| 16 | MYB00-1003171 | Cylinder cover | |
| 17 | KJ100-100317D | Aluminum plugging | |
| 18 | YC7-24 | Заглушка | |
| 19 | 430-1007018 | Направляющая клапана | |
| 20 | M2A00-1003120 | Intake valve spring | |
| 21 | M6600-1003105 | Сальник штока клапана | |
| 22 | 150-1007021E | Сухарь клапана | |
| 23 | M3500-1003110A | Место пружины клапана впуска | |
| 24 | L3000-1007022A | Внешняя пружина клапана | |
| 25 | KJ100-1003002A | Cylinder head long bolt | |
| 26 | KJ100-1003201 | Cylinder head cover gasket | |
| 27 | YC7-38 | Шарообразная пластинчатая пробка | |
| 28 | KJ100-1003123B | Rear lifter | |
| 29 | Q1841230TF2 | Болт М12х30 | |
| 30 | YC7-35 | Заглушка | |
| 31 | YC7-18 | Bowl-type plug | |
| 32 | YC7-20 | Заглушка | |
| 33 | KJ100-1003001-386 | Cylinder head gasket | |
| 33 | KJ100-1003001-W1 | Cylinder head gasket | |
| 34 | YC208-B02580F1 | Уплотнительное кольцо 2.65x25.8 | |
| 35 | MYB00-1003176 | Spark plug jacket | |
| 36 | M2A00-1003173D | Intake valve seat ring | |
| 37 | M2A00-1003111B | Intake valve | |
| 38 | M2A00-1003103B | Exhaust valve | |
| 39 | M2A00-1003174D | Exhaust valve seat ring | |
| 40 | M3500-1003121 | Прокладка вращения | |
| 41 | YC7-26 | Bowl-type plug |
Содержащиеся в справочниках-каталогах запасные части и детали не предлагаются к продаже, а носят исключительно информационный характер