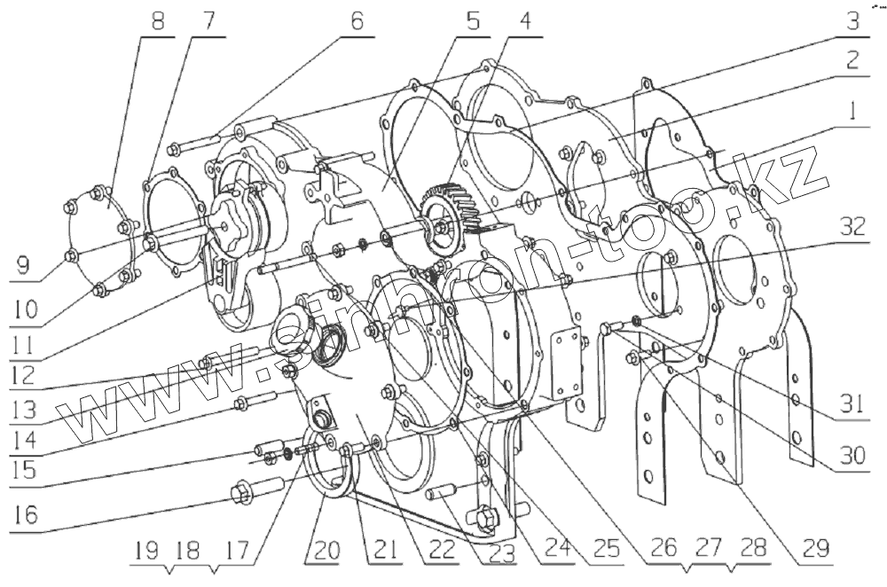
Каталог запасных частей к технике: Yuchai YC6L260-30. L37LA-1002200 Timing housing subassembly
1
2
3
4
5
6
7
8
9
10
10
11
12
13
14
15
16
17
18
19
20
21
22
23
24
25
26
27
28
29
30
31
32
| Позиция на иллюстрации | Заводской номер детали | Название детали | |
|---|---|---|---|
| 1 | L3001-1002032 | Прокладка кожуха распределительной шестерни | |
| 2 | L3100-1002203C | Timing gear housing plate | |
| 3 | L3100-1002204 | Time gear housing cover gasket | |
| 4 | L3000-1002040 | Части промежуточной шестерни воздушного компрессора | |
| 5 | L3100-1002201E | Корпус редуктора | |
| 6 | Q1840860 | Болт M8x60 | |
| 7 | L3000-1002038 | Spacer for front plate of air compressor | |
| 8 | L3000-1002037 | Передняя крышка воздушного компрессора | |
| 9 | Q1840816 | Болт M8x16 | |
| 10 | Q1841075TF2 | Болт M10x75 | |
| 10 | A3200-1002045A | Натяжитель в сборе | |
| 11 | G0100-1002401 | Ролик натяжителя | |
| 12 | Q1840870 | Болт M8x70 | |
| 13 | 150-1003040F | Чашка маслофильтра в сборе | |
| 14 | Q1840845 | Болт M8x45 | |
| 15 | Q5281235 | Штифт | |
| 16 | Q1841450 | Болт M14x50 | |
| 17 | Q1200816 | Бoлт M8x16 | |
| 18 | Q/YC149-8 | Комбинированная уплотнительная шайба 8 | |
| 19 | Q340B08 | Гайка М8 | |
| 20 | YC209-070090FR | Сальник 70x90 | |
| 21 | Q1840820 | Болт M8x20 | |
| 22 | L37LA-1002205B | Fuel injection pump gear cover plate | |
| 23 | YC24-1235 | Цилиндрический штырь 12x35 | |
| 24 | L3100-1002206A | Прокладка крышки топливного насоса | |
| 25 | Q1200870 | Шпилька M8x70 | |
| 26 | Q340B08 | Гайка М8 | |
| 27 | Q40308 | Шайба 8 | |
| 28 | Q40108 | Шайба 8 | |
| 29 | Q1840820TF2 | Болт M8x20 | |
| 30 | Q150B0820TF2 | Болт M8x20 | |
| 31 | Q40308 | Шайба 8 | |
| 32 | D30-1002037 | Датчик верхней мертвой точки |
Содержащиеся в справочниках-каталогах запасные части и детали не предлагаются к продаже, а носят исключительно информационный характер