Каталог запасных частей к технике: Yuchai YC6J210N-52. J3FSA-1002200/04 Gear Housing Part
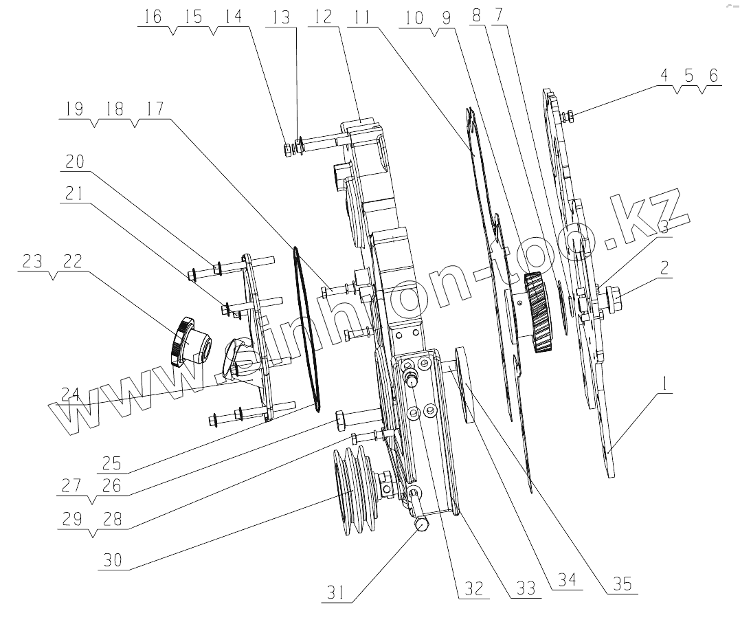
1
2
3
4
5
6
7
8
9
10
11
12
13
14
15
16
17
18
19
20
21
22
23
24
25
26
27
28
29
30
31
32
33
34
35
35
| Позиция на иллюстрации | Заводской номер детали | Название детали | |
|---|---|---|---|
| 1 | J4X00-1002203 | Timing gear housing front cover plate | |
| 2 | A3000-1002085B | Болт вала промежуточной шестерни | |
| 3 | Q1840820TF2 | Болт M8x20 | |
| 4 | Q150B0822TF2 | Болт M8x22 | |
| 5 | Q40308 | Шайба 8 | |
| 6 | Q40108 | Шайба 8 | |
| 7 | YC208-B02000F | Уплотнительное кольцо 2,65x20 | |
| 8 | 231-1002087 | Пластина промежуточной шестерни | |
| 9 | J4X00-1002940 | Idle gear component | |
| 10 | L3000-1002084A | Сиденье промежуточной шестерни насоса компрессора | |
| 11 | J4X00-1002202 | Timing gear housing washer | |
| 12 | J3C00-1002201 | Timing gear housing | |
| 13 | Q1840860TF2 | Болт M8x60 | |
| 14 | Q1200865 | Шпилька M8x65 | |
| 15 | Q340B08 | Гайка М8 | |
| 16 | Q40308 | Шайба 8 | |
| 17 | Q150B0855 | Болт M8x55 | |
| 18 | Q40308 | Шайба 8 | |
| 19 | Q40108 | Шайба 8 | |
| 20 | Q1840870TF2 | Болт M8x70 | |
| 21 | Q1840825TF2 | Болт M8x25 | |
| 22 | 150-1003041F | Крышка маслозаливной горловины | |
| 23 | 150-1003043C | Уплотнительное кольцо | |
| 24 | J42KA-1002A40 | Oil filler weldments | |
| 25 | J3200-1002206 | Fuel injection pump gear cover gasket | |
| 26 | Q150B1460 | Болт M14X60 | |
| 27 | Q40314 | Шайба 14 | |
| 28 | Q40114 | Шайба 14 | |
| 29 | Q150B0850 | Бoлт M8x50 | |
| 30 | J40MA-1002450 | Tension pulley assembly | |
| 31 | 374-1002121 | Adjusting bolt | |
| 32 | Q150B0825TF2 | Бoлт M8x25 | |
| 33 | J3608-1002140A | Bracket | |
| 34 | YC24-B1230 | Контакт 12x30 | |
| 35 | YC209-C070090PR | Сальник 70x90 | |
| 35 | YC209-070090FR | Сальник 70x90 |
Содержащиеся в справочниках-каталогах запасные части и детали не предлагаются к продаже, а носят исключительно информационный характер