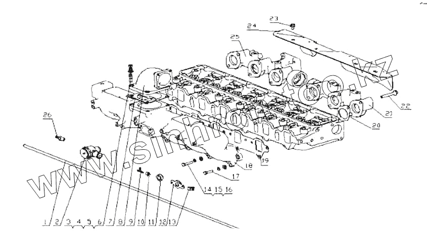
Каталог запасных частей к технике: Yuchai YC6G230N-30 (G69MA). G6800-1008000/04 Трубка впускная и выпускная
1
2
3
4
5
6
7
8
9
10
11
12
13
14
15
16
17
18
19
20
21
22
23
24
25
26
| Позиция на иллюстрации | Заводской номер детали | Название детали | |
|---|---|---|---|
| 1 | G5900-1008019 | Вентиляционный шланг устойчивого к перенапряжениям клапана | |
| 2 | G5900-1008040 | Устойчивый к перенапряжениям клапан | |
| 3 | Q340B10 | Гайка М10 | |
| 4 | Q40310 | Шайба 10 | |
| 5 | Q40110 | Шайба 10 | |
| 6 | Q1201030 | Шпилька M10x30 | |
| 7 | 150-1008017B | Прокладка | |
| 8 | G6800-1008016 | Трубка впуска воздуха | |
| 9 | G5900-1008014 | Тройник | |
| 10 | Q673B11 | Петля обруча | |
| 11 | G6800-1008024 | Установочное место датчика кислорода | |
| 12 | G6800-1008012 | Установочное место датчика окружающей среды | |
| 13 | G3900-1113031 | Компенсационный сустав регулятора давления | |
| 14 | G6800-1008227 | Болт | |
| 15 | 150-1008018 | Волнистая шайба | |
| 16 | Q40110 | Шайба 10 | |
| 17 | 304722-S36 | Болт 3/8-16X1.25 | |
| 18 | G6800-1008101A | Впускной воздухопровод | |
| 19 | F3000-1008104A | Прокладка впускного коллектора | |
| 20 | 150-1008250 | Прокладка выхлопной трубы | |
| 21 | 231-1008021B | Передняя выхлопная трубка | |
| 22 | 390492B | Болт | |
| 23 | Q1841016 | Болт M10x16 | |
| 24 | G6600-1008211 | Крышка выпускной трубы | |
| 25 | 231-1008022B | Задняя выпускная трубка | |
| 26 | G4200-1008013 | Вентиляционный соеденитель |
Содержащиеся в справочниках-каталогах запасные части и детали не предлагаются к продаже, а носят исключительно информационный характер