Каталог запасных частей к технике: Yuchai YC4108C (D7400). D7400-1003000 Головка блока цилиндров в сборе
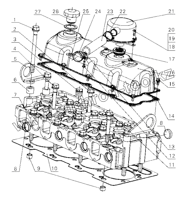
1
2
3
4
5
6
7
8
8
9
10
11
12
13
14
15
16
17
18
19
20
21
22
23
24
25
26
27
| Позиция на иллюстрации | Заводской номер детали | Название детали | |
|---|---|---|---|
| D30-1003015B | D30-1003015B | Головка блока цилиндров | |
| 1 | 330-1003013B | Болт головки цилиндров | |
| 2 | D30-1003018 | Короткий болт головки цилиндров | |
| 3 | Q614B06 | Пробка NPT3/4 | |
| 4 | 330-1003014B | Болт головки цилиндров | |
| 5 | B8800-1003123B | Кронштейн | |
| 6 | D30-1003017 | Шайба | |
| 7 | D30-1003015B | Головка блока цилиндров | |
| 8 | 6105Q-1003081 | Блокировка водной втулки | |
| 9 | 6105QA-1003088 | Прокладка капота головки цилиндров | |
| 10 | D0300-1003011 | Прокладка головки блока цилиндров | |
| 11 | 330-1003018B | Болт головки цилиндров | |
| 12 | Q2140620 | Болт | |
| 13 | Q340B06 | Гайка М6 | |
| 14 | D30-1003022C | Прокладка крышки блока цилиндров | |
| 15 | Q1840816 | Болт M8x16 | |
| 16 | D30-1003060C | Части крышки блока цилиндров | |
| 17 | 330-1003053 | Уплотнительное кольцо | |
| 18 | Q40106 | Шайба 6 | |
| 19 | Q40306 | Шайба 6 | |
| 20 | Q150B0616 | Болт M6x16 | |
| 21 | D30-1003120 | Сборочный узел сапуна | |
| 22 | Q67638 | Кольцевой хомут | |
| 23 | D01D2-1014003 | Вентиляционный шланг | |
| 24 | 150-1014022 | Петля блока | |
| 25 | 1530-1014021 | Кронштейн газовой трубки | |
| 26 | 150-1003041F | Крышка маслозаливной горловины | |
| 27 | 150-1003043C | Уплотнительное кольцо |
Содержащиеся в справочниках-каталогах запасные части и детали не предлагаются к продаже, а носят исключительно информационный характер