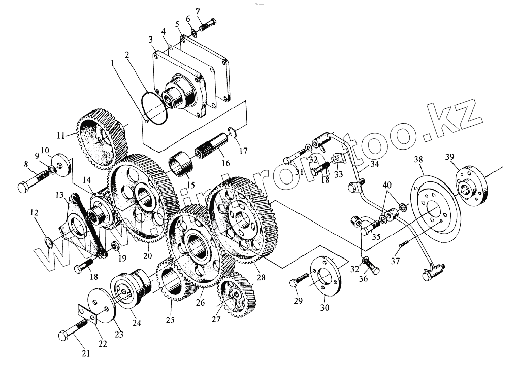
Каталог запасных частей к технике: YTO 4110. Gear Train Assy
1
2
3
4
5
6
7
8
9
10
11
12
13
14
15
16
17
18
18
19
20
21
22
23
24
25
26
27
28
29
30
31
32
32
33
34
35
36
37
38
39
40
| Позиция на иллюстрации | Заводской номер детали | Название детали | |
|---|---|---|---|
| RT060000-1 | RT060000-1 | Gear train assy | |
| 1 | RT060027 | Plug | |
| 2 | RT060019 | Sealing ring | |
| 3 | LRT060024-1 | Driving gear shaft, hydraulic pump | |
| 4 | LRT060029 | Gasket, hydraulic pump | |
| 5 | RT060028 | Cap board | |
| 6 | GB97-76 | Spring washer | |
| 7 | GB22-76-Zn-D | Bolt | |
| 8 | GB22-76-8.8 | Bolt | |
| 9 | GB93-76 | Spring washer | |
| 10 | R060004 | Retaining ring, camshaft gear | |
| 11 | R060021A | Air compressor gear | |
| 12 | GB894-76 | Retaining ring 25 | |
| 13 | RT060026-1 | Thrust plate, hydraulic pump gear | |
| 14 | RT061101A | Driving gear, hydraulic pump | |
| 15 | RT061102 | Driving gear bush, hydraulic pump | |
| 16 | RT060025 | Driving splined sleeve, hydraulic pump | |
| 17 | GB895-76 | Retaining ring | |
| 18 | GB21-76 | Bolt | |
| 19 | RT060032 | Thrust plate washer, hydraulic pump | |
| 20 | R060003A | Camshaft gear | |
| 21 | GB22-76-8-8 | Bolt | |
| 22 | R060031 | Locking washer | |
| 23 | R060011 | Thrust plate, idle gear | |
| 24 | R060009 | Idle gear shaft | |
| 25 | LR060001A | Crankshaft gear | |
| 26 | R060100A | Idle gear assembly | |
| 27 | R060002A-2 | Driving gear, oil pump | |
| 28 | LR060005A | Injection pump gear | |
| 29 | GB22-76-8-8 | Bolt | |
| 30 | LR060007 | Retaining plate, injection pump gear | |
| 31 | R060023-1 | Screw, lubrication oil passages | |
| 32 | R320002 | Washer, overflow fuel pipe adaptor screw | |
| 33 | RT060223 | Fix plate, oil supply pipe | |
| 34 | RT060200 | Oil pipe assembly, timing gear | |
| 35 | R060012 | Screw, lubrication oil passages | |
| 36 | RT060022 | Screw, lubrication oil passage M8x25-8.8-Zn.D | |
| 37 | GB65-76 | Cylindrical head screws | |
| 38 | LR060008 | Timing plate, injection pump | |
| 39 | LR060006 | Hub, injection pump gear | |
| 40 | 54-02-453 | Washer, elbow adaptor |
Содержащиеся в справочниках-каталогах запасные части и детали не предлагаются к продаже, а носят исключительно информационный характер