Каталог запасных частей к технике: YTO 4108. Intake Tube Assy (I)
4RT7-220000
4RT7-220000
4RT7-220000
4RT7-220000
4RTF220000-1
4RTF220000-1
4RTF220000-1
4RTF220000-1
1
1
2
2
2
2
3
4
4
4
5
6
7
8
9
10
11
12
13
14
15
16
17
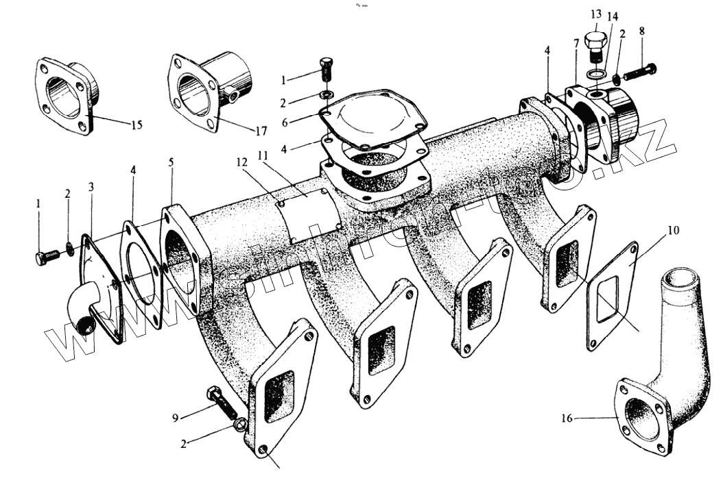
| Позиция на иллюстрации | Заводской номер детали | Название детали | |
|---|---|---|---|
| 4RT7-220000 | 4RT7-220000 | Intake manifold assy | |
| 4RTF220000-1 | 4RTF220000-1 | Intake manifold assy | |
| 1 | GB21-76-Zn-D | Bolt | |
| 2 | GB93-76 | Spring washer | |
| 3 | 4RG2-220200 | Rear cover, intake manifold | |
| 4 | 4RG1-220002 | Gasket, intake manifold | |
| 5 | 4RG1-220001 | Intake manifold | |
| 6 | 4RG1-220004 | End cover, intake manifold | |
| 7 | 4RTF-220005 | Connecting tube, intake manifold | |
| 8 | GB21-76-Zn-D | Bolt | |
| 9 | GB21-76-Zn-D | Bolt | |
| 10 | R220003 | Gasket, intake manifold | |
| 11 | LR070009A | Name plate | |
| 12 | GB827-76 | Rivet | |
| 13 | 4RG1-220005 | Screw plug, air intake | |
| 14 | 16-062 | Washer | |
| 15 | 4RG12-220102 | Connecting tube, air intake | |
| 16 | 4RG8-220007 | Connecting tube, air intake | |
| 17 | 4RG1-2201000 | Connecting tube, air intake |
Содержащиеся в справочниках-каталогах запасные части и детали не предлагаются к продаже, а носят исключительно информационный характер