Каталог запасных частей к технике: ЯЗДА ТНВД-363, 373. Корпус топливного насоса высокого давления
773.1111010-02
773.1111005-20.05Э
1
2
3
4
5
5
5
5
5
5
5
5
5
5
5
5
5
6
7
8
9
10
11
12
13
14
15
16
17
18
19
20
21
22
23
24
25
26
27
27
27
27
27
28
28
29
30
30
31
32
33
34
35
36
37
38
39
40
41
42
43
44
45
46
47
48
49
50
51
51
52
53
54
55
56
57
58
59
60
61
61
62
63
64
65
66
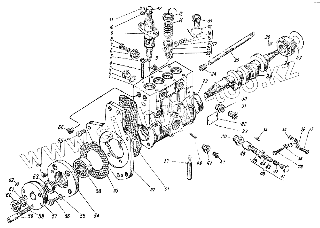
| Позиция на иллюстрации | Заводской номер детали | Название детали | |
|---|---|---|---|
| 773.1111010-02 | 773.1111010-02 | Насос топливный высокого давления в сборе | |
| 37.1111196 | 37.1111196 | Кольцо транспортное | |
| 363.1111070 | 363.1111070 | Крышка подшипника с манжетой в сборе | |
| 773.1111330 | 773.1111330 | Полумуфта привода в сборе | |
| 773.1111005-20.05Э | 773.1111005-20.05Э | Насос топливный высокого давления с регулятором частоты вращения и муфтой привода в сборе | |
| 1 | 773.1111025-01 | Корпус насоса | |
| 2 | 33.110961 | Прокладка | |
| 3 | 320-88802 | Пробка М20 | |
| 4 | 320-88226 | Шпилька | |
| 5 | 37.1111392 | Шайба регулировочная | |
| 5 | 37.1111390 | Шайба регулировочная | |
| 5 | 37.1111389 | Шайба регулировочная | |
| 5 | 37.1111388 | Шайба регулировочная | |
| 5 | 37.1111386 | Шайба регулировочная тол. 0,6 мм | |
| 5 | 37.1111380 | Шайба регулировочная тол. 0,05 мм | |
| 5 | 37.1111381 | Шайба регулировочная тол. 0,1 мм | |
| 5 | 37.1111382 | Шайба регулировочная тол. 0,2 мм | |
| 5 | 37.1111383 | Шайба регулировочная тол. 0,3 мм | |
| 5 | 37.1111384 | Шайба регулировочная тол. 0,4 мм | |
| 5 | 37.1111385 | Шайба регулировочная тол. 0,5 мм | |
| 5 | 37.1111387 | Шайба регулировочная тол. 0,7 мм | |
| 6 | 363.1111267 | Ввертыш | |
| 7 | 320.88700 | Прокладка 6х10х1 | |
| 8 | 37.1111166 | Винт М6 | |
| 9 | 363.1111039 | Секция топливного насоса в сборе | |
| 10 | 320.88696 | Шайба 8 | |
| 11 | 1/61008/21 | Гайка М8 | |
| 12 | 852831-П | Заглушка штуцера (транспортная) | |
| 13 | 37.1111134 | Тарелка | |
| 14 | 771.1111138 | Пружина толкателя | |
| 15 | 771.1111174 | Втулка поворотная | |
| 16 | 37.1111137 | Кольцо запорное | |
| 17 | 37.1111110 | Толкатель в сборе | |
| 18 | 37.1111115 | Кольцо запорное | |
| 19 | 37.1111124 | Ось | |
| 20 | 37.1111122 | Втулка | |
| 21 | 37.1111114 | Толкатель | |
| 22 | 37.1111118 | Ролик толкателя | |
| 23 | 771.1111086 | Втулка | |
| 24 | 36.1111182-01 | Втулка рейки | |
| 25 | 773.1111184 | Рейки | |
| 26 | 45 9823 0257 | Шпонка 3х6,5 | |
| 27 | 320.88702 | Шайба 45 регулировочная толщ. 0,05 мм | |
| 27 | 320.88706 | Шайба 45 регулировочная толщ. 1,0 мм | |
| 27 | 320.88705 | Шайба 45 регулировочная толщ. 0,5 мм | |
| 27 | 320.88704 | Шайба 45 регулировочная толщ. 0,2 мм | |
| 27 | 320.88703 | Шайба 45 регулировочная толщ. 0,1 мм | |
| 28 | 332.1111088 | Подшипник 6-7205А | |
| 29 | 773.1111055 | Вал кулачковый | |
| 30 | 37.1106182 | Ввертыш | |
| 31 | 37.1111930 | Заглушка транспортная | |
| 32 | 773.3904016-20.05Э | Табличка | |
| 33 | 33.1111910 | Гвоздь нарезной | |
| 34 | 37.1111188 | Винт | |
| 35 | 774.1111198 | Кронштейн | |
| 36 | 1/05164/77 | Шайба пружинная 6 | |
| 37 | 1/09022/21 | Болт М6х16 | |
| 38 | 1/58962/11 | Гайка М6 | |
| 39 | 1/09026/21 | Болт М6х25 | |
| 40 | 37.1111140 | Клапан перепускной в сборе | |
| 41 | 320.88804 | Пробка М10 | |
| 42 | 338.1111148 | Пружина | |
| 43 | 37.1111144 | Клапан | |
| 44 | 1/02602/60 | Прокладка 10х14х1 | |
| 45 | 37.1111142 | Корпус клапана | |
| 46 | 33.1111306-01 | Заглушка | |
| 47 | 37.1111936 | Колпак защитный (транспортный) | |
| 48 | 37.1111267 | Ввертыш | |
| 49 | 320-88613 | Штифт | |
| 50 | 320.88236 | Шпилька | |
| 51 | 773.1111027 | Прокладка | |
| 51 | 773.1111027-01 | Прокладка | |
| 52 | 773.1111028 | Фланец | |
| 53 | 363.1111076 | Прокладка | |
| 54 | 363.1111074 | Крышка | |
| 55 | 1/05166/77 | Шайба Ф8 | |
| 56 | 320.88165 | Винт М8х30 | |
| 57 | 773.1111332-01 | Полумуфта | |
| 58 | 320-23004 | Шпилька | |
| 59 | 36.1111914 | Трубка защитная транспортная | |
| 60 | 320-24001 | Гайка М18 | |
| 61 | 320-88753 | Шайба пружинная | |
| 61 | 320-88749 | Шайба | |
| 62 | 320-88978 | Шпонка 5х7,5 | |
| 63 | 332.1111090-10 | Манжета с пружиной в сборе | |
| 64 | 320.36007 | Заглушка | |
| 65 | 320.88163 | Винт М8х14 | |
| 66 | 363.1111032 | Ввертыш |
Содержащиеся в справочниках-каталогах запасные части и детали не предлагаются к продаже, а носят исключительно информационный характер