Каталог запасных частей к технике: ЯЗДА ТНВД-136, 179. ТНВД в сборе
1
1
2
3
4
5
6
7
7
8
9
9
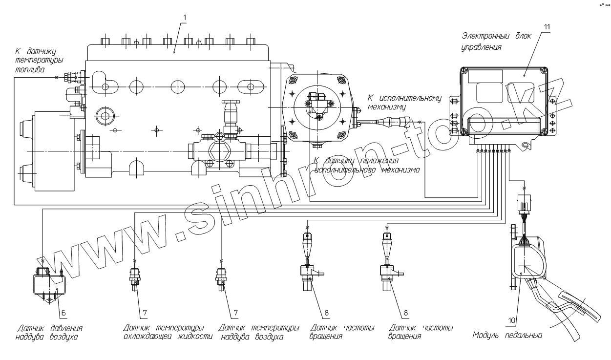
| Позиция на иллюстрации | Заводской номер детали | Название детали | |
|---|---|---|---|
| 1 | 136 (136-40) | ТНВД в сборе с ТПН и гасителем | |
| 1 | 179 (179-10) | ТНВД в сборе с ТПН и гасителем | |
| 2 | ЭМП-01-30 | Электромагнит | |
| 3 | 50.3763 | Блок управления | |
| 4 | КДБА453621.003 | Модуль педальный | |
| 5 | 36.3855-20 | Бесконтактный датчик положения | |
| 6 | 192.3828 | Датчик температуры топлива | |
| 7 | ДС-1 406.3847060-01 | Датчик синхронизации | |
| 8 | 23.3855 | Датчик давления наддува воздуха | |
| 9 | 233.3828 | Датчик температуры |
Содержащиеся в справочниках-каталогах запасные части и детали не предлагаются к продаже, а носят исключительно информационный характер