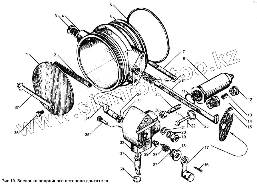
Каталог запасных частей к технике: ЯМЗ-850. Заслонка аварийного останова двигателя
1
2
3
4
5
7
9
10
11
12
13
14
15
16
17
18
19
20
21
22
23
24
25
26
27
27
28
29
30
31
32
34
35
36
37
| Позиция на иллюстрации | Заводской номер детали | Название детали | |
|---|---|---|---|
| 8401.1030160 | 8401.1030160 | Кнопка в сборе | |
| 8401.1030230 | 8401.1030230 | Заслонка аварийного останова двигателя в сборе | |
| 8401.1030155 | 8401.1030155 | Электромагнит со штоком в сборе | |
| 8401.1030236 | 8401.1030236 | Корпус заслонки со шпильками в сборе | |
| 1 | 8401.1030244 | Заслонка | |
| 2 | 8401.1030248 | Пластина | |
| 3 | 310238-П29 | Болт | |
| 4 | 312349-П | Шайба | |
| 5 | 8401.1030238 | Корпус заслонки | |
| 7 | 310444-П29 | Шпилька | |
| 9 | 8401.1030242 | Пружина | |
| 10 | 8401.1030240 | Ось заслонки | |
| 11 | 238Н-1723031 | Кольцо уплотнительное | |
| 12 | 8401.1030168 | Кнопка | |
| 13 | 6401.1030166 | Пружина | |
| 14 | 8401.1030162 | Ввертыш кнопки | |
| 15 | 236-1011358-А | Прокладка фланца | |
| 16 | 258003-П29 | Шплинт | |
| 17 | 8401.1030170 | Рычаг возврата заслонки в сборе | |
| 18 | 8401.1030186 | Шайба кривошипа | |
| 19 | 250511-П29 | Гайка | |
| 20 | 252005-П2 | Шайба 8 | |
| 21 | 252135-П2 | Шайба пружинная | |
| 22 | 258282-П29С | Шплинт | |
| 23 | 201-1015624 | Прокладка | |
| 24 | 8401.1030164 | Толкатель | |
| 25 | 8401.1030158 | Шток фиксатора | |
| 26 | 8401.1030159 | Гайка | |
| 27 | 312307-П29 | Шайба | |
| 28 | 840.1030184 | Пружина кривошипа | |
| 29 | 8401.1030180 | Упор фиксатора | |
| 30 | 260305-П29 | Заглушка | |
| 31 | 8401.1030176 | Фиксатор | |
| 32 | 8401.1030175 | Корпус привода заслонки | |
| 34 | 8401.1030182 | Кривошип возврата заслонки | |
| 35 | 8401.1030178 | Ось фиксатора | |
| 36 | 201416-П29 | Болт М6х12 | |
| 37 | 8401.1030246 | Пластина замковая |
Содержащиеся в справочниках-каталогах запасные части и детали не предлагаются к продаже, а носят исключительно информационный характер