Каталог запасных частей к технике: ЯМЗ-850. Трубы и термостаты системы охлаждения
1
3
4
5
5
5
5
5
5
6
6
6
6
6
6
6
6
6
7
7
7
8
9
9
10
10
10
12
14
15
16
17
18
19
20
21
23
24
24
24
24
24
24
24
24
24
25
26
26
26
26
27
27
27
27
27
28
29
30
30
30
31
32
32
33
34
35
36
36
36
36
37
37
37
38
39
39
39
39
40
40
40
41
42
43
44
45
46
47
47
47
47
48
49
50
51
52
53
54
55
56
57
58
58
59
60
61
62
63
64
65
66
67
68
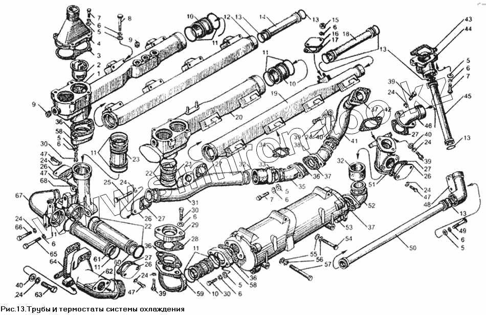
| Позиция на иллюстрации | Заводской номер детали | Название детали | |
|---|---|---|---|
| 316608-П29 | 316608-П29 | Ввертыш | |
| 316601-П29 | 316601-П29 | Ввертыш | |
| 850.1303100 | 850.1303100 | Труба водяная передняя правая в сборе | |
| 850.1303101 | 850.1303101 | Труба водяная передняя левая в сборе | |
| 8501.1303112 | 8501.1303112 | Труба водяная задняя правая | |
| 8501.1303319 | 8501.1303319 | Патрубок подводящий левого блока в сборе | |
| 8501.1303114 | 8501.1303114 | Труба водяная задняя левая | |
| 850.4303319 | 850.4303319 | Патрубок подводящий левого блока в сборе | |
| 1 | 850.1303104 | Труба водяная передняя правая | |
| 3 | 840.1303214 | Прокладка | |
| 4 | 850.1303130 | Патрубок | |
| 5 | 252005-П29 | Шайба плоская | |
| 6 | 252135-П2 | Шайба пружинная | |
| 7 | 201460-П29 | Болт М8х30 | |
| 8 | 200270-П29 | Болт | |
| 9 | 316169-П2 | Пробка К3/8" | |
| 10 | 840.1303082 | Муфта соединительная | |
| 12 | 8401.1303112-10 | Труба водяная задняя правая | |
| 14 | 8401.1303296-11 | Труба отводящая охладителя правая | |
| 15 | 250511-П29 | Гайка | |
| 16 | 850.1303122 | Заглушка | |
| 17 | 850.1303123 | Прокладка | |
| 18 | 8401.1303300-11 | Труба отводящая охладителя левая | |
| 19 | 8401.1303114-10 | Труба водяная задняя левая | |
| 20 | 950.1303105 | Труба водяная передняя левая | |
| 21 | 850.1303046 | Муфта соединительная | |
| 23 | 840.1303084 | Муфта соединительная | |
| 24 | 252136-П2 | Шайба 10 пружинная | |
| 25 | 200463-П29 | Болт | |
| 26 | 840.1303404 | Заглушка | |
| 27 | 840.1002406 | Прокладка | |
| 28 | 850.1303188 | Прокладка | |
| 29 | 850.1303098 | Фланец перепускной | |
| 30 | 201462-П29 | Болт М8х35 | |
| 31 | 850.1303044 | Патрубок переходной | |
| 32 | 238Б-1013740 | Рукав соединительный | |
| 33 | 316205-П | Хомут в сборе | |
| 34 | 840.1303268 | Прокладка водяной трубы | |
| 35 | 850.1303174 | Патрубок подводящий водомасляного радиатора | |
| 36 | 850.1303324 | Прокладка | |
| 37 | 840.1303024 | Прокладка патрубка | |
| 38 | 8401.1303186 | Патрубок отводящий водомасляного радиатора | |
| 39 | 201680-П29 | Болт | |
| 40 | 252006-П29 | Шайба плоская | |
| 41 | 840.1303168-10 | Патрубок подводящий правого блока | |
| 42 | 840.1303324 | Прокладка | |
| 43 | 8401.1303312 | Прокладка | |
| 44 | 8401.1303292-10 | Патрубок подводящий охладителя | |
| 45 | 8401.1303284-01 | Труба подводящая охладителя верхняя | |
| 46 | 850.1303321 | Патрубок отводящий | |
| 47 | 20167-П29 | Болт | |
| 48 | 8401.1303278-20 | Патрубок подводящий охладителя нижний | |
| 49 | 201464-П29 | Болт М8х40 | |
| 50 | 8401.1303280-01 | Труба подводящая охладителя нижняя | |
| 51 | 850.1303322 | Патрубок подводящий левого блока | |
| 52 | 850.1303186 | Патрубок отводящий радиатора гидротрансмиссии | |
| 53 | 850.1714600 | Радиатор водомасляный гидротрансмиссии в сборе | |
| 54 | 200407-П29 | Болт | |
| 55 | 252007-П29 | Шайба плоская | |
| 56 | 252137-П29 | Шайба | |
| 57 | 200412-П29 | Болт | |
| 58 | 850.1303052 | Фланец подводящий | |
| 59 | 850.1303162 | Патрубок отводящий | |
| 60 | 850.1303088 | Труба перепускная правая | |
| 61 | 850.1303156 | Труба отводящая | |
| 62 | 850.1303208 | Патрубок подводящий водяного насоса | |
| 63 | 200455-П29 | Болт | |
| 64 | 850.1303121 | Прокладка патрубка | |
| 65 | 200274-П29 | Болт М8х75 | |
| 66 | 200460-П29 | Болт | |
| 67 | 850.1303016 | Патрубок отводящий | |
| 68 | 850.1303096 | Патрубок перепускной |
Содержащиеся в справочниках-каталогах запасные части и детали не предлагаются к продаже, а носят исключительно информационный характер