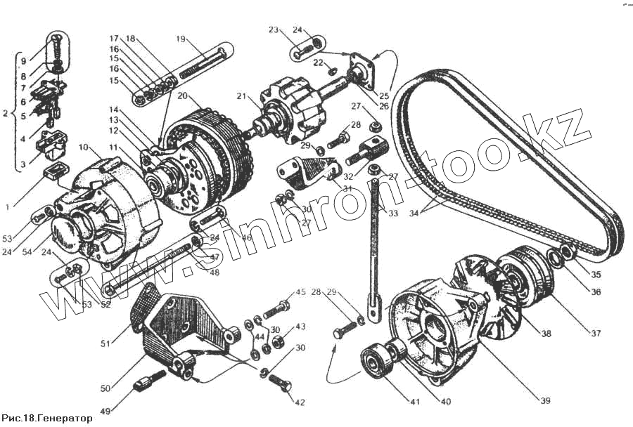
Каталог запасных частей к технике: ЯМЗ-850. Генератор
1
2
3
4
5
6
7
8
9
10
12
13
15
15
16
16
17
18
19
20
21
22
23
24
24
24
24
25
26
27
27
27
28
28
29
29
30
30
30
31
32
33
34
35
36
37
38
39
40
42
43
44
45
46
47
48
49
50
51
52
53
53
54
| Позиция на иллюстрации | Заводской номер детали | Название детали | |
|---|---|---|---|
| Г288-Э701132 | Г288-Э701132 | Фаза статора | |
| Г288-3701130 | Г288-3701130 | Фаза статора | |
| 1 | Г287-3701307 | Прокладка уплотнительная | |
| 2 | Г250П1-3701010 | Щеткодержатель в сборе | |
| 3 | Г272-3701011 | Щеткодержатель | |
| 4 | Г272-3701020-А | Щетка в сборе | |
| 5 | Г272-3701030-А | Щетка в сборе | |
| 6 | Г272-3701012-А | Крышка щеткодержателя | |
| 7 | 8Х-1497-А | Шайба | |
| 8 | М11-41081 | Шайба пружинная | |
| 9 | Г250Е1-3701016 | Болт | |
| 10 | 3802.3701300 | Крышка со стороны контактных колец | |
| 12 | Г287-3701305-А | Кольцо уплотнительное контактное | |
| 13 | Г21-3701005 | Чашка ротора | |
| 15 | 8Х-1537М | Гайка | |
| 16 | МХ-0246-01 | Шайба 8 пружинная | |
| 17 | 1МЮ-37 | Шайба | |
| 18 | Г287-3701319 | Втулка изоляционная | |
| 19 | НО-0801-10 | Болт контактный | |
| 20 | 5702.3701100 | Статор | |
| 21 | 5702.3701200 | Ротор | |
| 22 | 15Х-4148 | Шпонка | |
| 23 | 7Х-4066 | Винт | |
| 24 | Х-4001-01 | Шайба пружинная | |
| 25 | Г287-3701405 | Шайба специальная | |
| 26 | Г287-3701053 | Втулка распорная | |
| 27 | 250515-П29 | Гайка | |
| 28 | 201460-П29 | Болт М8х30 | |
| 29 | 252135-П2 | Шайба пружинная | |
| 30 | 252136-П2 | Шайба 10 пружинная | |
| 31 | 850.3701716 | Кронштейн натяжителя | |
| 32 | 850.3701795 | Болт натяжителя | |
| 33 | 850.3701792 | Стержень с наконечником | |
| 34 | 850.3701002 | Комплект ремней зубчатых привода генератора | |
| 35 | МХ-0235-01 | Гайка | |
| 36 | Г287-3701074 | Шайба | |
| 37 | 5702.3701051 | Шкив генератора | |
| 38 | 3802.3701055 | Вентилятор | |
| 39 | 5702.3701400 | Крышка со стороны привода в сборе | |
| 40 | Г287-3701054 | Втулка | |
| 42 | 201678-П29 | Болт | |
| 43 | 250512-П29 | Гайка | |
| 44 | 252006-П29 | Шайба плоская | |
| 45 | 310213-П29 | Болт | |
| 46 | МХ-0139 | Винт | |
| 47 | Х-1482-01 | Шайба пружинная | |
| 48 | НО-0102 | Винт М6 | |
| 49 | 238-3701780 | Палец крепления генератора | |
| 50 | 850.3701774 | Кронштейн крепления генератора | |
| 51 | 850.3701773 | Прокладка | |
| 52 | Г250-3701053-А1 | Скоба | |
| 53 | Х-4237-01 | Винт М5 | |
| 54 | Г287-3701060 | Крышка |
Содержащиеся в справочниках-каталогах запасные части и детали не предлагаются к продаже, а носят исключительно информационный характер