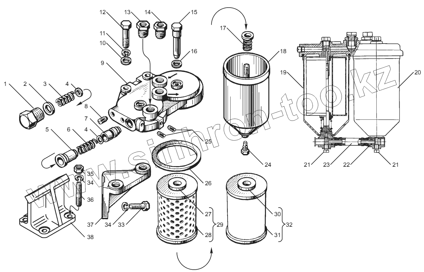
Каталог запасных частей к технике: ЯМЗ-850.10. Фильтр тонкой очистки топлива
840.1117010
850.1117010
1
2
3
4
4
5
6
7
8
9
10
11
12
12
13
14
15
16
17
18
19
20
21
21
22
23
24
25
26
27
28
29
30
31
32
33
34
34
35
36
37
38
| Позиция на иллюстрации | Заводской номер детали | Название детали | |
|---|---|---|---|
| 840.1117010 | 840.1117010 | Фильтр тонкой очистки топлива в сборе | |
| 850.1117010 | 850.1117010 | Фильтр тонкой очистки топлива в сборе | |
| 840.1117020 | 840.1117020 | Корпус фильтра в сборе | |
| 1 | 316108-П29 | Пробка | |
| 2 | 312333-П | Шайба | |
| 3 | 840.1117159 | Пружина перепускного клапана | |
| 4 | 312699-П | Шайба | |
| 5 | 840.1117162 | Гильза перепускного клапана | |
| 6 | 840.1117158 | Пружина клапана термостата | |
| 7 | 840.1117150 | Клапан перепускной | |
| 8 | 4599311132 | Пробка | |
| 9 | 840.1117022 | Корпус фильтра | |
| 10 | 252007-П29 | Шайба плоская | |
| 11 | 252137-П2 | Шайба пружинная | |
| 12 | 310156-П2 | Болт | |
| 12 | 200397-П29 | Болт | |
| 13 | 316622-П29 | Ввертыш | |
| 14 | 316615-П29 | Ввертыш | |
| 15 | 840.1117122 | Болт | |
| 16 | 312326-П | Шайба 14 | |
| 17 | 840.1117037 | Пружина фильтра | |
| 18 | 840.1117182 | Колпак фильтра | |
| 19 | 850.1117182 | Колпак фильтра | |
| 20 | 850.1117183 | Колпак фильтра со стержнем | |
| 21 | 850.1117144 | Пробка сливная | |
| 22 | 2531116058 | Кольцо 011-015-25-2-5 | |
| 23 | 850.1117205 | Трубка соединительная | |
| 24 | 840.1117144 | Пробка сливная | |
| 25 | 316105-П2 | Пробка | |
| 26 | 840.1117186 | Прокладка колпака | |
| 27 | 840.1117114 | Прокладка элемента | |
| 28 | 840.1117040-01 | Элемент фильтрующий | |
| 29 | 840.1117039-01 | Элемент фильтрующий в пакете | |
| 30 | ЛДКЯ754171.001-01 | Манжета | |
| 31 | ЛДКЯ387631.037 | Элемент фильтрующий Т63071Р | |
| 32 | 8.8987 | Элемент фильтрующий в упаковке Т63071Р | |
| 33 | 310213-П29 | Болт | |
| 34 | 252136-П2 | Шайба 10 пружинная | |
| 35 | 250517-П29 | Гайка | |
| 36 | 216554-П29 | Шпилька | |
| 37 | 840.1117152 | Кронштейн | |
| 38 | 850.1117152 | Кронштейн |
Содержащиеся в справочниках-каталогах запасные части и детали не предлагаются к продаже, а носят исключительно информационный характер