Каталог запасных частей к технике: ЯМЗ-8423. Вентилятор и кожух вентилятора
1
2
3
4
4
4
5
5
5
5
6
6
6
6
6
7
8
9
10
11
12
13
14
15
16
17
18
19
20
21
22
23
24
25
26
27
28
29
29
30
31
32
33
34
35
36
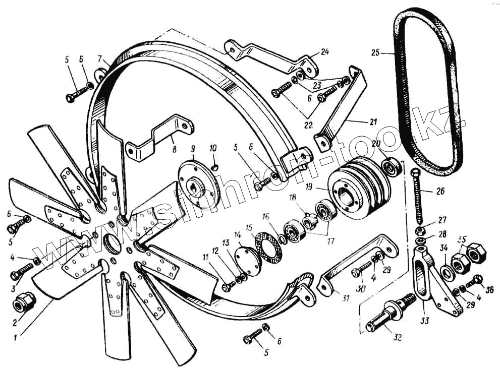
| Позиция на иллюстрации | Заводской номер детали | Название детали | |
|---|---|---|---|
| 1 | 8423.1308012 | Крыльчатка вентилятора в сборе | |
| 2 | 311908-П29 | Гайка | |
| 3 | 201676-П29 | Болт | |
| 4 | 252136-П2 | Шайба 10 пружинная | |
| 5 | 201454-П29 | Болт М8х16 | |
| 6 | 252135-П2 | Шайба пружинная | |
| 7 | 8423.1309010 | Кожух вентилятора в сборе | |
| 8 | 8423.1309072 | Кронштейн кожуха правый нижний | |
| 9 | 8423.1308652 | Ступица крыльчатки | |
| 10 | 45 9824 6263 | Шпонка | |
| 11 | 201420-П29 | Болт М6х20 | |
| 12 | 252134-П2 | Шайба пружинная | |
| 13 | 252004-П29 | Шайба | |
| 14 | 841.1308121 | Крышка шкива | |
| 15 | 240Б-1308122 | Прокладка крышки | |
| 16 | 841.1308133 | Кольцо | |
| 17 | 304К | Подшипник шариковый радиальный однорядный 20х52х15 | |
| 18 | 841.1308825 | Маслоразбрызгиватель в сборе | |
| 19 | 841.1308112 | Шкив натяжного приспособления | |
| 20 | 240-1307090 | Манжета первичного вала в сборе | |
| 21 | 8423.1309066 | Кронштейн кожуха левый верхний | |
| 22 | 201458-П29 | Болт М8х25 | |
| 23 | 252005-П29 | Шайба плоская | |
| 24 | 8423.1309064 | Кронштейн кожуха правый верхний | |
| 25 | 240Б-1308020 | Ремень зубчатый | |
| 26 | 310027-П29 | Болт | |
| 27 | 250515-П29 | Гайка | |
| 28 | 252137-П2 | Шайба пружинная | |
| 29 | 252006-П29 | Шайба плоская | |
| 30 | 201678-П29 | Болт | |
| 31 | 8423.1309074 | Кронштейн кожуха левый нижний | |
| 32 | 841.1308116 | Ось шкива | |
| 33 | 841.1308138 | Кронштейн натяжного приспособления | |
| 34 | 312214-П29 | Шайба 22 | |
| 35 | 250659-П29 | Гайка М22х1,5-6Н | |
| 36 | 201688-П29 | Болт |
Содержащиеся в справочниках-каталогах запасные части и детали не предлагаются к продаже, а носят исключительно информационный характер