Каталог запасных частей к технике: ЯМЗ-8423. Привод управления регулятором
1
2
3
4
4
4
4
5
6
7
8
9
9
9
9
9
10
11
12
13
14
15
16
17
18
19
20
21
22
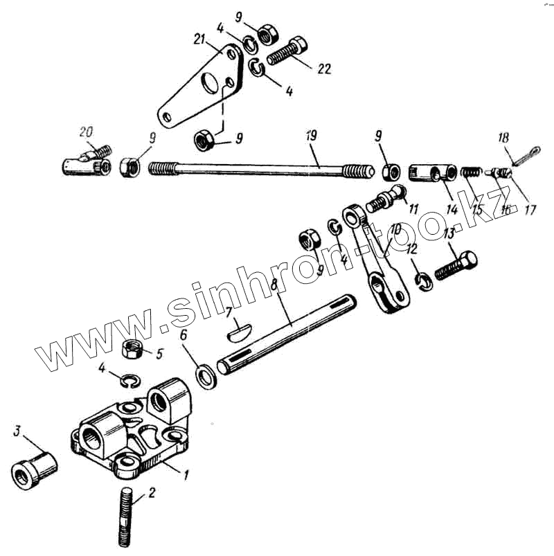
| Позиция на иллюстрации | Заводской номер детали | Название детали | |
|---|---|---|---|
| 1 | 8423.1108039 | Кронштейн вала привода | |
| 2 | 216526-П29 | Шпилька | |
| 3 | 840.1108040 | Втулка | |
| 4 | 252135-П2 | Шайба пружинная | |
| 5 | 250511-П29 | Гайка | |
| 6 | 312328-П29 | Шайба | |
| 7 | 45 9824 6256 | Шпонка | |
| 8 | 8423.1108045 | Вал привода | |
| 9 | 250510-П29 | Гайка | |
| 10 | 840.1108072 | Рычаг привода | |
| 11 | 840.1108061 | Палец шаровой | |
| 12 | 252134-П2 | Шайба пружинная | |
| 13 | 201422-П29 | Болт М6х25 | |
| 14 | 840.1108056 | Наконечник тяги | |
| 15 | 204.1108058 | Пружина наконечника | |
| 16 | 204.1108059 | Сухарь наконечника | |
| 17 | 204.1108060 | Пробка | |
| 18 | 258003-П29 | Шплинт | |
| 19 | 8423.1108051 | Тяга привода | |
| 20 | 840.1108054 | Наконечник с шаровым пальцем в сборе | |
| 21 | 8423.1108134 | Накладка рычага | |
| 22 | 201456-П29 | Болт М8-6gх20 |
Содержащиеся в справочниках-каталогах запасные части и детали не предлагаются к продаже, а носят исключительно информационный характер